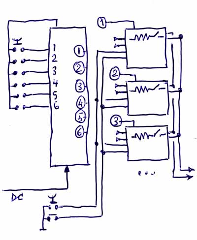
| De DS1669 is een electronische volumeregeling met 64 stappen. Voor een stereotoepassing heb je twee IC's nodig. Er werd eerst een testschakeling gemaakt die enkel de electronische volumeregeling bevat (samen met een op amp LM833), dit is de eerste schakeling rechts.|  Testschakeling
 
 Testschakeling
 
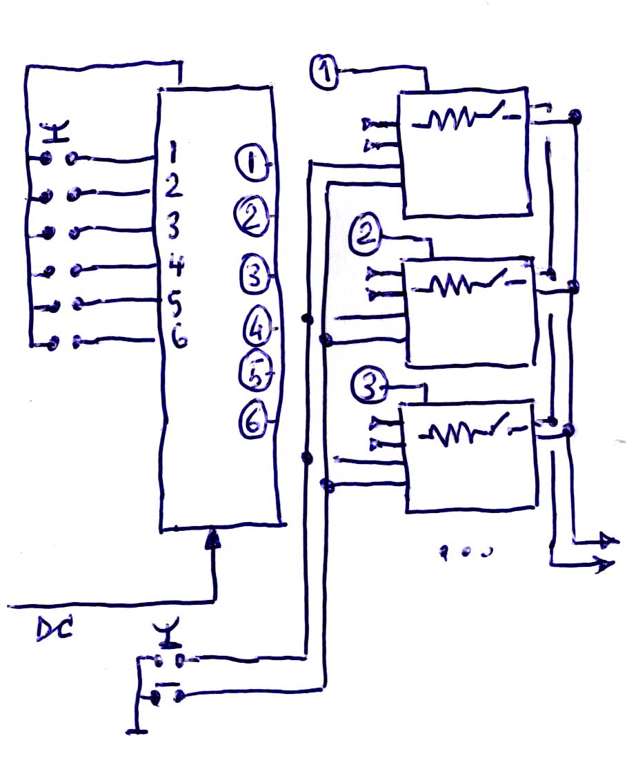
 Uiteindelijke schakeling met één stuurprint en 6 volume- en selectieprinten
 | 
|---|
 
Een gelijkspanningscomponent wordt verwijderd met een condensator, en dan hebben we de electronische potentiometer met de "nul"-aansluiting op de halve voedingsspanning.
 
Op de uitgang van de potentiometer zit er een op amp om de uitgangsimpedantie te verlagen. Indien nodig kan de algemene versterking verhoogd worden. Het uitgangssignaal van de volumepotentiometer is maximaal 1.5V effektief. Eén LM833 is voldoende (dubbele op amp).
 
De electronische potentiometer is beschikbaar in verschillende versies (andere waarde van de "weerstand"). Ik heb er een gekozen met een weerstand van 50kΩ DS1669-50. De verandering van de positie van de "loper" gebeurt met de toetsen "+" en "-".
 
De waarde wordt op het IC zelf opgeslagen in een geheugencel die goed zou moeten zijn voor 50.000 schijfopdrachten. Om het leven van de geheugencel te verlengen wordt de nieuwe waarde pas na 2 seconden opgeslagen, en enkel indien de waarde meer dan 12.5% afwijkt van de veorige waarde. Indien de gegeugencel versleten is, kan er geen nieuwe waarde geschreven worden, de laatste waarde blijft behouden.
 
De electronische potentiometer kan voor verschillende toepassingen gebruikt worden en kan werken met gelijk- en wisselspanning. Een toepassing is bijvoorbeeld een programeerbare voeding. De spanning op de uitgang moet natuurlijk gebufferd worden.
 
Het voordeel van een electronische volumeregeling is niet evident in vergelijking met een normale potentiometer (behalve dat je geen gekraak hebt), maar aangezien ik toch een source-selectie moest maken, heb ik besloten alles electronisch te laten verlopen. Uiteindelijk heb ik gemerkt dat de audio-eigenschappen (overspraak, ruis en gekraak) veel beter waren met een volledig electronische schakeling.
 
 
Voor de selectie gebruik in een CMOS 40174 (hex data type flip flop) die het indrukken van een knop opslaat. De uitgang ("1" als geselecteerd) gaat naar de betreffende volume- en stuurprint.
 
De "+" en "-" signalen gaan naar alle volumeprinten, maar worden slechts geënabled op één print door de selectielijn (via twee mostfet transistoren 2N6660), een soort AND funktie.
 
Dan hebben we dus de electronische volumeregelaar, gevolgd door een schakel-IC (CMOS 4066). Alle uitgangen worden parallel geschakeld, maar slechts één audiolijn wordt effektief verbonden met de uitgang. De CMOS 4066 heeft betere audio-eigenschappen (overspraak en gekraak) dan een draaiknop met tweemaal 6 contacten.
 
De uitgang loopt dan opnieuw naar de gemeenschappelijke print, waar het audiosignaal gebufferd wordt door een LM833.
 
De + en - drukknoppen zijn permanent verlicht, en de geselecteerde bron licht eveneens op. Bij het inschakelen is er geen enkele bron geselecteerd: dit om onaangename plofgeluiden te vermijden.
 
We hebben dus in totaal: 
Op de stuurprint:1× CMOS 40174: selectie en geheugenfunktie (6 uitgangen)
 1× LM833: stereo audio buffer
 
Op iedere audioprint:2× DS1669-50: electronische volumeregeling
 2× 2N6660: enable-transistor voor de volumeregeling
 1× CMOS 4066: uitgangschakelaar.
 
De DS1669 wordt niet meer gemaakt, maar ze zijn nog altijd te vinden als NOS (New Old Stock), maar er zijn talrijke alternatieven (er zijn er ook die stereo mogelijk maken met één enkele IC).
 |