-
Les premiers téléviseurs américains ont été déplacés.
Schéma de principe Philips Philips fournissait des schémas aux différents fabricants locaux, avec bien évidemment uniquement des tubes et des composants Philips (on retrouve en annexe la liste des composants et la référence Philips). Plus tard Philips fournira des chassis tout faits que les fabricants n'avaient plus qu'à placer dans le meuble (ACEC et autres). Ce schéma est décrit en détail sur la page Philips. La première télévision de Philips vendue au début des années 1950 est la TX-400 utilisant un tube-image MW22-16 de 22 cm de diagonale avec face avant ronde. On passera quelques années plus tard à un tube-image MW36-24 (grandeur d'image maximale de 22 × 29cm), la face avant est rectangulaire. Le tube suivant est un MW43-24 avec cône en métal: il n'était en effet pas possible de fabriquer un tube aussi grand en une pièce. Ce tube avait de nombreux inconvénients et sera remplacé rapidement par un MW43-43 tout en verre. Le tube-image MW43-24 devait avoir le cône métallique relié à la très haute tension, ce qui attirait toutes les poussières. Il fallait en plus en condensateur très haute tension, car ces tubes n'avaient pas d'aquadag. Beaucoup de tubes tombaient en panne à cause de la perte de vide. Le format suivant avec une diagonale de 53cm sera utilisé pendant de nombreuses années. On dirait que les fabricants ont déterminé que cette diagonale était la plus appropriée. On rencontrera à nouveau ce phénomène avec les tubes-image couleurs, qui pendant plus de 20 ans avaient tous une diagonale de 66cm. Le téléviseur Teleavia P111 est décrit ici.
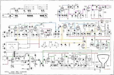
Arel Series 800 Nous commençons par un étage VHF composé d'un étage cascode PCC806 (c'est standard) suivi d'une triode-pentode PCF87. Pour la bande UHF, il est fait appel à un tuner de Philips. La télévision ne peut recevoir que les programmes locaux car l'appareil a trop peu d'étages moyenne fréquence: normalement il en faut quatre avec des pentodes normales (genre EF80) ou trois avec des pentodes modernes (PCF200/PCF201). Le téléviseur utilise deux tubes EF183 et EF184, ce sont des tubes à grille cadre très efficaces. Le premier est conçu pour la commande automatique du gain, le second tube a un gain élevé mais il n'est pas possible de réduire le gain. Pratiquement toutes les pentodes basse puissance avec un dernier chiffre impair sont conçues pour un réglage du gain. Pour le réglage du contraste, on utilise une commande sur la seconde grille du tube de sortie image (PCL84). Le courant plus ou moins élevé produit également une tension plus ou moins élevée sur la cathode, et cette tension est également utilisée pour la polarisation de certaines grilles. Il n'y a pas vraiment de controle automatique du gain, mais avec seulement deux étages moyenne fréquence ce n'est pas vraiment nécessaire. Le principe de l'interporteuse est utilisé pour le son, un étage moyenne fréquence équipé d'un EF80 et puis un tube pour l'amplification sonore (PCL82). Nous avons ensuite un séparateur de synchronisation ECH84, une partie trame PCL85 et ligne PCF80 suivi d'un PL500. Le schéma est plutôt un schéma de principe qu'un schéma effectif. Je me demande même si Arel a jamais fabriqué des téléviseurs. Arel était une petite marque enversoise établie juste après la seconde guerre mondiale qui fabriquait principalement des postes de radio. Arel a fusionné avec Novak, puis les deux marques ont disparu. D'autres marques belges sont Barco (qui existe encore) et Anex qui a survécu à l'apparition de la couleurs et produisait ses propres circuits. |
Publicités - Reklame


