| "La télévision expérimentale" est un livre belge de 1932. A cette époque, la télévision (avec sa résolution très limitée) était surtout affaire d'amateurs. Certains fabricants proposaient des kits à monter et régler soi-même. |
-
Lisez également la page générale sur la télévision mécanique: le téléviseur à disque de Nipkov et le studio d'enregistrement à balayage par spot lumineux.
En 1932 la radio était déjà bien établie dans les foyers. Il y avait des postes fonctionnant sur batteries (une batterie de voiture de 6V pour la tension de chauffage et un empilement de piles zinc-carbone pour la haute tension) et des postes fonctionnant sur secteur. La plupart des réseaux étaient déjà en alternatif 50Hz, mais la tension n'était pas standardisée (110V, 130V ou 220V). A droite un poste de télévision avec un récepteur de radio pour également recevoir les signaux de télévision Un poste de radio pouvait être adapté pour fournir un signal alimentant la télévision, qui était surtout un système purement mécanique. Le tube de puissance audio était alors utilisé pour alimenter directement une lampe néon. On pouvait placer en série avec la lampe un bobinage pour la synchronisation de l'image.
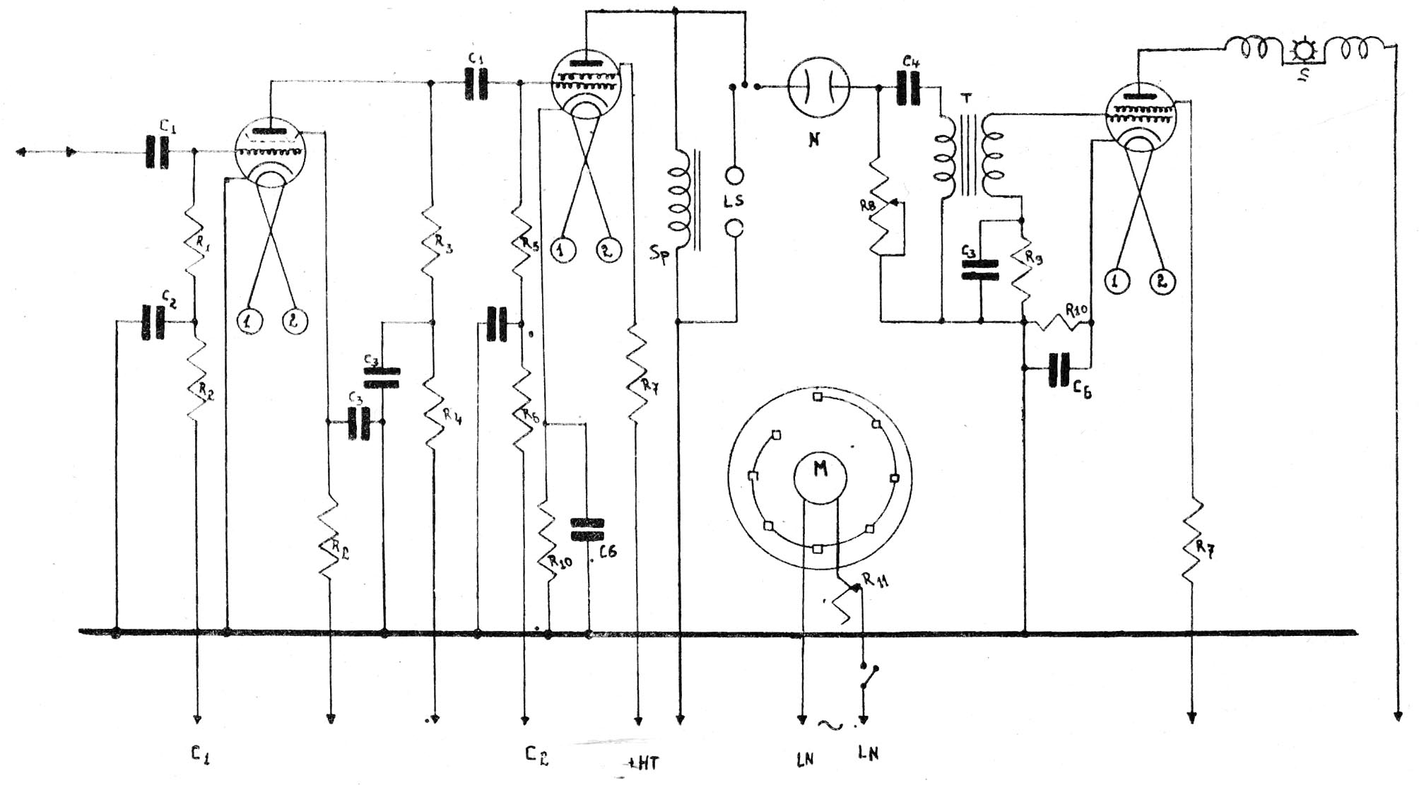
A gauche un poste de télévision ouvert et dans son boitier (système Baird avec images au format vertical) La télévision se composait ainsi d'une lampe néon assez grande qui déterminait la taille de l'écran. On ajoutait souvent d'autres gaz à l'ampoule pour avoir une teinte plus blanche et permettre un allumage plus aisé. Le courant dans la lampe néon était de 20 à 40mA, un courant que les tubes de puissance de l'époque pouvaient fournir. Il y avait ensuite le disque de Nipkov percé de petits trous. Il fallait sélectionner le disque correct correspondant à la norme de l'émission, car il n'y avait pas encore de standardisation. L'image était soit vue en haut du disque (dont les trous se déplacaient horizontalement) donnant une image plus large que haute et le système anglais de Baird avec vue sur le coté droit du disque et image plus haute que large (format 7/3). Le système de Baird avait en plus les trois trois de chaque coté plus grands que les autres pour compenser la moindre luminosité de la lampe néon sur les cotés. La plupart des systèmes avaient un format horizontal de 3/4 qui continuera à être utilisé par la suite. Finalement il y avait le moteur pour entrainer le disque. Le type de moteur utilisé était généralement un moteur asynchrone qui ne produisait pas de parasites (pas de balais). Le champ tournant était réalisé par un condensateur déphaseur. Le moteur entrainiait soit directement la roue, soit via une courroie. Pour la synchronisation le disque de nipkov avait une roue phonique. Entre deux bandes (c'est ainsi qu'on appellait les lignes) l'émetteur émettait un top à forte intensité. Le bobinage de la roue phonique recevait alors un courant plus important et tendait à forcer les dents de la roue phonique en face de l'armature de l'électro-aimant. Ce système permettait une synchronisation "lignes", mais pas une synchronisation "trame" qui est réalisée manuellement en tournant l'électro-aimant (bobinages et armature). Les appareils avaient ainsi un bouton de réglage mécanique que l'on voit très bien sur le téléviseur à gauche (au milieu de l'appareil). Le bouton à gauche commande une résistance variable pour régler la vitesse de rotation du moteur. L'impulsion sur le bobinage de la roue phonique était faible et ne pouvait synchroniser le disque que si celui-ci tournait à la bonne vitesse. Le système de Baird était assez simple et ne comportait pas de composants électroniques. Le bobinage de la roue polaire était monté en série avec la lampe néon et était alimenté sur le primaire du transfo son. Il n'y avait pas d'étage d'amplification pour le signal de synchronisation. Le haut parleur était débranché pour réduire l'amortissement. La télévision de Baird était disponible en kit (il y avait d'autres fabricants de kits). Le kit de baird n'était compatible qu'avec les émissions anglaises qu'on pouvait recevoir à la coté belge.
A droite un poste de télévision "continental" avec image au format horizontal. On voit très bien la roue phonique à droite de l'image. Le tube néon éclaire le haut de la roue. Dans les systèmes les plus utilisés, le disque avait 30 trous et produisait 12.5, 16.6 ou 25 images par seconde. Il y avait 40 "points" par bande donnant une résolution de 1200 points par image. La fréquence de ligne était donc de 375Hz, c'est cette fréquence qu'on entendait quand on accordait un poste de radio sur un émetteur utilisé pour la télévision. Pour arriver à une résolution de 40 points par bande, il fallait que le poste de radio ait une bande passante de 7.5kHz (au lieu de 4.5kHz pour les programmes radio). Il fallait donc un poste de radio de bonne qualité pour arriver à une bande passante aussi large. La modulation était généralement positive, un point clair produisant un signal d'antenne plus fort. Le top de synchronisation "ligne" était également positif pour alimenter le bobinage de la roue phonique. Comme les fréquences radio étaient déjà attribuées dans des canaux de 9kHz les émissions se faisaient uniquement dans certains crénaux horaires bien définis ou utilisaient les ondes courtes où il n'y avait pas encore de séparation en canaux. Aux Etats Unis les émetteurs de télévision se voyaient attribuer d'office une bande passante de 100kHz, permettant plus tard une augmentation de la résolution. Voici la différence entre un système de télévision mécanique et la norme de télévision CCIR B, la plus utilisée en Europe:
A droite les "bandes" de l'image d'un téléviseur selon la norme anglaise Baird avec les trois bandes externes plus larges Ce dessous une image produite par ce système Le récepteur devait être accordé sur la fréquence vidéo et ne permettait que de reproduire l'image. Pour avoir le son, il fallait un second récepteur accordé sur la fréquence audio, qui pouvait être très différente. Dans un téléviseur analogique normal, le récepteur capte à la fois le signal vidéo et audio, qui sont espacés de 5.5MHz. A droite: la résolution de la plupart des programmes était de 1200 points On se rend donc bien compte qu'il s'agissait d'une télévision expérimentale et que le système mécanique était un cul de sac. Les écrans d'oscilloscope qui permettaient de reproduire une image plus détaillée étaient extrèmement chers et n'étaient utilisés que dans les laboratoires. Comme caméra de télévision on disposait déjà d'un tube de prise de vues, l'iconoscope, mais il n'y avait pas encore d'émissions à une résolution plus élevée par manque de récepteurs adaptés (le problème de la poule et de l'œuf). Les premières émissions grand-public (à la fois le système mécanique et le système électronique) ont été lancées juste avant la guerre et on s'est alors rendu compte que la télévision mécanique n'avait plus aucun avenir
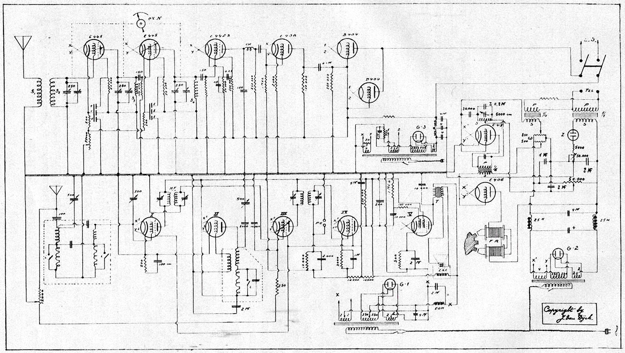
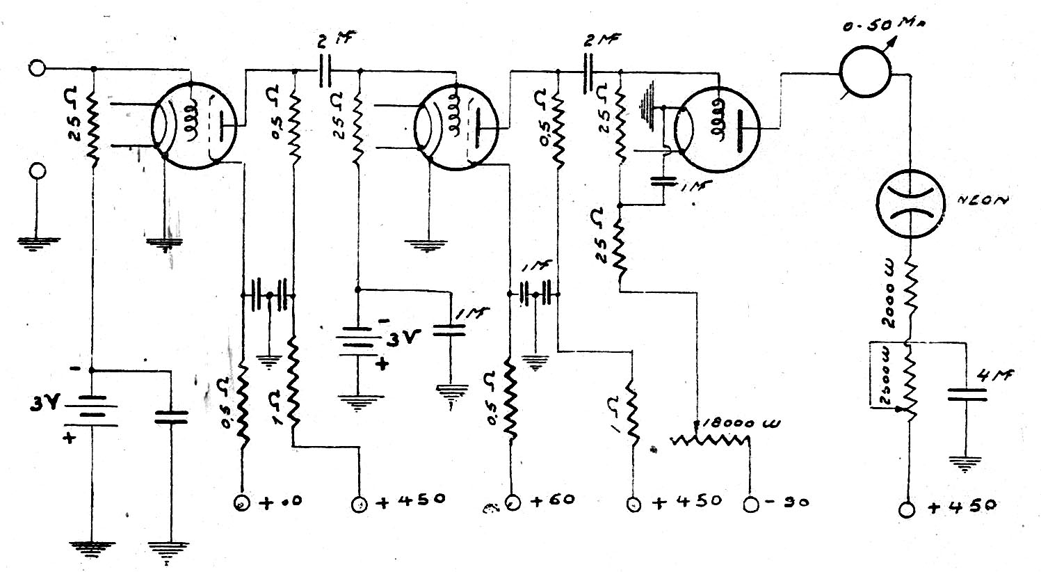
Certains téléviseurs avaient un amplificateur vidéo. Le signal était capté à la place du haut parleur et était amplifié par deux tétrodes et une triode (la triode pour avoir une plus basse impédance de sortie). Ce téléviseur n'a pas de système de synchronisation. Notez que les indications de résistance ne sont pas conformes: on utilise la notation ω pour les résistances en ohm et Ω pour les résistances en megohm: donc 25MΩ pour la résistance à gauche et 2000Ω pour la résistance à droite. Pour éviter que la lampe néon ne s'éteigne dans les parties sombres on ajoutait parfois une résistance vers la masse pour avoir un courant minimal qui circule toujours dans la lampe. Il faut en effet une tension plus élevée pour rallumer la lampe. Cela permet d'éviter les trainées noires quand la lampe s'est éteinte et que la tension est trop basse pour à nouveau ioniser le gaz. Le second circuit est le circuit classique: deux tétrodes pour amplifier le signal vidéo et une tétrode supplémentaire pour alimenter le bobinage de la roue polaire. Cette tétrode est polarisée de telle manière qu'elle n'est conductrice que pendant les tops de synchronisation. Le troisième circuit est un récepteur complet son + image. La partie supérieure est la partie son avec 3 tétrodes RF, une triode BF préamplificatrice et deux triodes montées en parallèle pour alimenter le haut parleur (généralement à haute impédance). Remarquez q'il n'y a pas de diode pour la détection, la détection se fait par la caractéristique de la grille. Il n'y a pas non plus de changement de fréquence, c'est un récepteur direct, aussi bien pour la radio que pour la vidéo. Il y a 3 alimentations pour fournir les différentes tensions. Ci dessous la liste des émetteurs de télévision. On voit que certains émetteurs ne transmettent pas de son (par exemple Berlin), et quand ils transmettent le son, c'est sur une fréquence totalement différente. Les fréquences sont indiquées en kHz, sauf pour les valeurs inférieures à 100 où l'indication est en MHz (ondes courtes). La plupart des émissions se font en ondes moyennes, donc dans la bande attribuée à la radio, sauf un émetteur en ondes longues et un émetteur en ondes courtes et deux émetteurs en VHF. Velthem était l'émetteur belge.
C'est un livre édité en Belgique, un signe que nous étions à l'époque à la pointe du progrès (il y avait à cette époque déjà des émissions radio en ondes courtes pour le Congo Belge). |
Publicités - Reklame












