| Plusieurs systèmes de stéréophonie ont existé avant la vraie stéréo. Un des systèmes était d'envoyer les basses d'un coté et les fréquences élevées de l'autre coté, mais cela n'est vraiment pas l'idéal. |
-
-
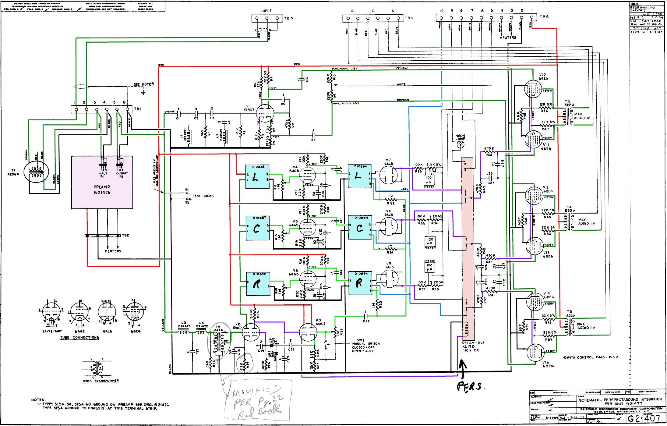
Un autre système bizarroïde est le système Perspecta sound. Ici, on a presque de la stéréo. Ce système était utilisé dans les salles de cinéma dans les années 1950. Les projecteurs étaient alors équipés d'une tête de lecture sonore optique. Il n'était pas possible d'avoir la stéréo avec une telle piste sonore (et en plus la bande de fréquence était limitée à 10kHz), mais le système optique était meilleur marché que le système magnétique qui nécessitait une couche magnétique séparée. Lors de copies, les images et le son pouvaient être copiés en une fois, ce qui n'était pas le cas avec la piste magnétique.
Par contre, il fallait vraiment trouver quelque chose qui aille avec les écrans larges: tous les nouveaux films étaient distribués au format large (pour faire la concurrence avec la télévision). Les studios qui avaient déjà fort investi dans la couleur et les écrans larges n'avaient pas envie d'encore investir dans le son stéréo. On en était aux tous débuts de la stéréo, et à cette époque la captation d'un signal audio stéréo se faisait par des microphones indépendants, rendant le mixage impossible. "Un à gauche et un à droite", on ne savait pas encore bien comment les placer. Ce qui arrive quand le signal gauche et droit n'est pas capté correctement et qu'il est mixé est expliqué sur la page FM stéréo. Actuellement on utilise soit un seul microphone stéréo, soit des microphones hypercardoïdes et on "place" l'instrument dans le champ via une table de mixage son ("PAN"). A cause de la bande passante très limitée, il n'était pas possible d'utiliser une fréquence pilote comme en FM, qui aurait encore un peu plus réduit la bande passante (et produit des déformations sonores vraiment très importantes). En plus, la stéréo produit une réduction du rapport signal-bruit qui n'est déjà pas fameux pour le son optique. On a donc un seul canal sonore, qu'on peut diriger vers trois systèmes de haut parleur: gauche, central et droite. Pour cela, le système utilise trois signaux très basse fréquence dont l'amplitude commande l'amplificateur correspondant. Un avantage supplémentaire est qu'on peut jouer sur le gain et donc augmenter artificiellement la dynamique. Quand il y a une explosion, on met le volume des différents amplificateurs au maximum, tandis que dans les passages silencieux on réduit le volume, et ainsi on réduit également le bruit de fond. Mais le son n'est évidemment pas stéréo: il n'est pas possible d'avoir une image stéréo d'un orchestre, il est tout simplement possible de diriger le son plus vers la gauche ou vers la droite. C'est débile, mais dans les années 1950 c'était super! Bien réalisé, l'effet était surprenant. Le son Perspecta Stereoscopic Sound était le premier contact du public avec la "stéréo". Avant cela, il n'y avait que du son monophonique, bien que des expériences étaient déjà réalisées. L'enregistrement stéréo était possible avec des magnétophones à bande. Les disques étaient encore mono, on n'avait pas encore trouvé le "truc" pour enregistrer deux signaux sonores dans un seul sillon. Description du schéma
La partie haute fréquence (70 - 10.000Hz) est filtrée pour éliminer les signaux de commande. Le signal en sortie est un signal biphasé qui va commander deux tubes en montage push pull. Le tube push pull n'est pas une pentode classique, mais une heptode ("pentagrid converter"), un tube à 7 électrodes. Le signal est appliqué à la seconde grille de commande tandis que la première grille reçoit le signal de controle du gain. Le gain de ce tube est plus faible quand le signal est appliqué à la seconde grille de commande: il faut donc un signal de commande plus important. On utilise un montage push pull pour éliminer une partie des distorsions harmoniques. Le signal à la sortie de l'intégrateur (c'est ainsi que Perspecta nommait ce circuit) a la même amplitude que le signal en entrée et doit encore être amplifié par trois amplificateurs classiques avant d'être envoyé aux hauts-parleurs. Une puissance de 3 × 60W était jugée suffisante pour une salle de cinéma normale. Le signal basse fréquence est filtré pour éliminer toute composante audio, puis amplifié. Le signal amplifié passe successivement par trois filtres accordés pour le canal gauche (L, 30Hz), centre (C, 35Hz) et droit (R, 40Hz). Chaque signal basse fréquence qui doit commander le gain de l'amplificateur est amplifié séparément et passe à nouveau par un filtre. Le signal en sortie est redressé (il nous faut en effet la partie continue du signal de commande pour commander l'amplification des tubes de sortie). Un relais permet de mette l'installation hors fonction (quand le signal de commande est trop faible pendant plusieurs secondes). Dans ce cas les canaux gauche et droit sont bloqués par une tension de -20V sur la première grille tandis que le canal du centre reçoit un signal moyen, réglé par un potentiomètre pour éviter les différences de volume quand le système passe d'un mode de fonctionnement à un autre. Le signal de commande est appliqué à la première grille des deux tubes push pull de chaque canal et règle ainsi l'amplification des tubes. Les tubes sont bloqués avec une tension de -20V sur la première grille. Les trois canaux recoivent exactement le même signal audio biphasé sur la troisième grille: finalement les haut parleurs reproduisent exactement le même signal, seul l'amplitude peut varier. Pour terminer, les signaux de commande, quand ils sont présents, commandent un relais qui va commuter l'appareil en mode Perspecta. Quand il n'y a plus de signal de commande pendant une dixaine de secondes, le système repasse automatiquement en mode de fonctionnement normal (reproduction de films non-perspecta). Ce système de pseudo-stéréo est totalement transparent pour l'opérateur et permet la reproduction de films normaux et de films encodés Perspecta sans intervention. Perspecta a été utilisé pendant une dixaine d'années, le temps pour les studios de cinéma d'apprendre à utiliser la stéréo. |
Publicités - Reklame
Un autre système bizarroïde est le système Perspecta sound. Ici, on a presque de la stéréo. Ce système était utilisé dans les salles de cinéma dans les années 1950. Les projecteurs étaient alors équipés d'une tête de lecture sonore optique. Il n'était pas possible d'avoir la stéréo avec une telle piste sonore (et en plus la bande de fréquence était limitée à 10kHz), mais le système optique était meilleur marché que le système magnétique qui nécessitait une couche magnétique séparée. Lors de copies, les images et le son pouvaient être copiés en une fois, ce qui n'était pas le cas avec la piste magnétique.

