| Un petit amplificateur de 20W par canal ne vous suffit pas? Comme je vous comprends: voici un petit amplificateur de 1000W. Pour la stéréo il vous en faudra deux. |
-
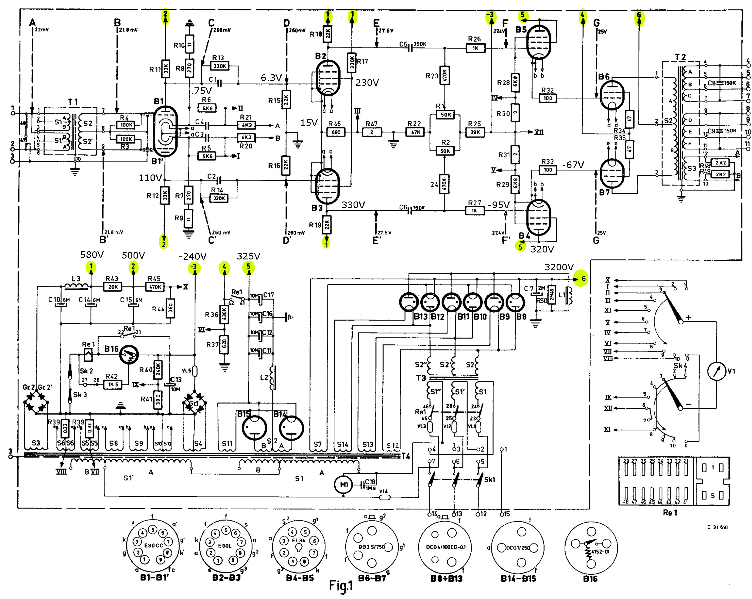
On remarque tout de suite que l'appareil travaille avec des tensions très élevées, qui ne sont pas nécessaires pour l'étage préamplificateur: 500V pour un tube qui produit un signal en sortie de 260mV (3.3V p-p à puissance maximale). Les tensions alternatives sont mesurées avec l'étage de puissance hors fonction (pas de haute tension 3kV). Pour arriver à la puissance maximale (avec la contre réaction active) il faut un signal à l'entrée de 1.65V. A puissance maximale il faut multiplier toutes les tensions alternatives par 4.5. Les tensions alternatives sont des tensions effectives (RMS). Le premier tube est une double triode à grille cadre E80CC. Cette triode est actuellement fort recherchée par les mélomanes à cause de ses très bonnes caractéristiques. Chaque triode peut dissiper au maximum 2W et le courant maximal est de 12mA. Le tube a une transconductance de 2.7mA/V et un facteur d'amplification de 18.5 avec une résistance anodique de 47kΩ. Ce tube n'a donc pas un facteur d'amplification très élevé, mais a une courbe très linéaire, identique pour les deux triodes. La grille cadre est ici utilisée pour avoir des caractéristiques optimales. Dans cet amplificateur le tube est utilisé très près de ses limites, avec un courant anodique de 11.8mA et une dissipation de 1.3W. L'étage est symmetrique et a un transformateur d'isolation (qu'on retrouve souvent dans de tels amplificateurs). Le transformateur d'isolation permet un montage symmétrique pour tout l'amplificateur (ce qui permet de réduire le ronflement de secteur, car les condensateurs de filtrage ont une très faible valeur de 6 + 6 + 6µF. La contre réaction arrive sur les deux cathodes, c'est le même système qu'avec un amplificateur classique, mais ici tout est symmétrique. Pour le second étage on utilise deux pentodes E80L. C'est une pentode qui est utilisée dans les amplificateurs très haut de gamme, soit comme étage de puissance (pour une puissance push pull de 5.7W) ou comme étage d'attaque d'un tube plus puissant. La dissipation maximale du tube est de 8W pour un courant maximal de 50mA. Le tube est utilisé ici avec un courant anodique de 11.4mA et une dissipation anodique de 3.6W. Pépère, quoi.C'est cet étage qui produit la plus forte amplification, il fait passer le signal sonore de 260mV à 27.5V. Le tube de puissance EL34 qu'on retrouve comme étage final dans beaucoup d'amplificateurs est ici utilisé comme étage d'attaque en configuration cathode suiveuse. Cet étage n'a donc pas d'amplification en tension. Le courant anodique dans le tube est de 24.4mA et la dissipation est de 9.5W. La polarisation des tétrodes de puissance est assurée par la polarisation de ces deux tubes d'attaque. Ce sont les seuls réglages à effectuer dans l'amplificateur.
La tension maximale est de 4000V, la dissipation de 250W et le courant anodique de 350mA. Le tube peut fonctionner en classe AB2 avec un courant de grille de commande maximal de 20mA. Si le tube ne peut fonctionner qu'en classe AB1 (pas de courant de grille de controle), la puissance est limitée à 600W. Le tube fonctionne ici avec un courant de repos de 50mA qui peut monter à 275mA (le courant de grille écran va de 0 à 34.5mA par tube). Pour avoir la puissance maximale, il faut une tension d'attaque entre les deux grilles de commande de 250V effectifs. Donc 320Vpp sur chaque grille de commande. C'est possible grace à la tension négative de -240V.
Il s'agit d'une tétrode avec une caractéristique très typique: la tension anodique ne peut pas passer sous la tension de la grille écran pour éviter les oscillations parasites (qui à une telle puissance seraient désastreuses pour les haut parleurs). Le condensateur de filtrage de l'étage de puissance ne fait que 2µF: il était très difficile d'atteindre des valeurs élevées à cette époque (il ne s'agit probablement pas d'un condensateur électrochimique, impossible à fabriquer pour une tension de claquage si élevée). L'amplificateur fournit une tension de 100V dans une résistance de 10Ω: tous les amplificateurs de puissance élevée ont une tension de sortie de 100V, qui est une des tensions standardisées. La tension peut être de 70V pour les amplificateurs de puissance plus faible et monter à 200V pour les amplificateurs plus puissants. Cette tension plus élevée permet de transporter le signal sur de plus longues distances. Malgré la contre réaction globale qui agit sur 4 étages on a un fonctionnement stable et il ne faut pas d'artifices pour empècher les oscillations parasites. Le taux de contre réaction est de 24.4dB. Le facteur d'amortissement est de 10. Pour l'alimentation on retrouve un peu de tout:
Les diodes au sélénium étaient ce qui se faisait de mieux à l'époque (fin des années 1950). Elles étaient limitées en tension (il fallait utiliser des dixaines de diodes en série pour arriver à la haute tension nécessaire pour un ampli). Les redresseurs à vapeur de mercure ont comme avantage une chute de tension relativement faible et constante de 12V (elle est de 50V pour un redresseur à vide poussé). Ces tubes produisent une lumière bleue qui varie avec la puissance sonore (mais la lumière n'est pas visible car l'amplificateur est monté dans un grosse boite métallique). Dans la dernière version de l'ampli les diodes à vapeur de mercure ont été remplacées par des diodes au silicium BY100 (les toutes premières diodes de puissance, utilisées comme redresseur dans les télés des années 1960). Tension inverse de 800V, courant maximal de 550mA. L'amplificateur nécessitait 10 diodes en série pour remplacer un seul tube. |
Publicités - Reklame
