| Geloso était une marque très connue d'amplificateurs de sonorisation. Tout comme les grand producteurs comme Philips, Geloso fabriquait lui-même ses composants. |
-
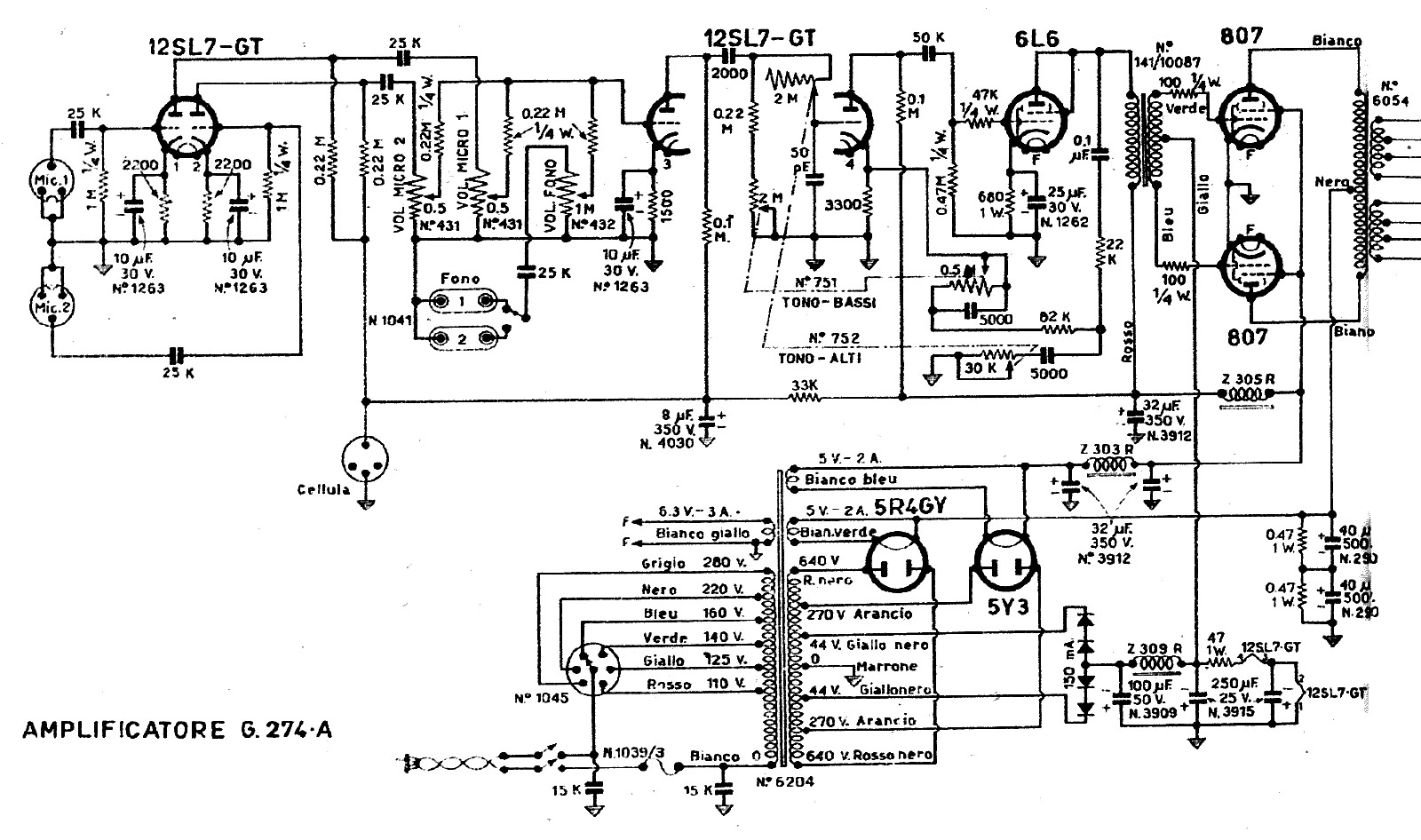
Amplificateur Geloso 100WUn schéma d'amplificateur Geloso complet. Geloso était une marque très connue d'amplificateurs et de récepteurs de radio (et en particulier de récepteurs ondes courtes).Nous avons ici deux amplificateurs de sonorisation (public address) conçus pour fournir une puissance élevée avec une qualité sonore acceptable. Les deux amplificateurs ont une double entrée micro et pick up (au même niveau que les entrées CD/aux actuelles). Ces amplificateurs étaient également utilisés dans les salles de cinéma, ce qui se remarque à la sortie pour alimenter la cellule photo électrique du projecteur (son optique). Il y a une évolution dans les schémas qui se ressemblent malgré tout très fort.
Etage microphone et préamplificateurLe tube préamplificateur micro du premier amplificateur est un 12SL7 dont on utilise chaque triode pour un microphone. Le réglage du volume individuel par micro est placé après le préamplificateur pour réduire le bruit du potentiomètre (et améliorer le rapport signal/bruit), mais cela nécessite deux triodes. Le 12SL7 est mieux connu sous la référence 6SL7, le tube a des caractéristiques qui le placent entre un ECC81 et ECC83.Le tube préamplificateur micro du second amplificateur est devenu un 12AX7 (ECC83) qui est un tube plus moderne qui utilise un soquet noval. Les deux amplificateurs ont une entrée à haut niveau avec un réglage du volume indépendant. Regardez comment le dessinateur indique que le potentiomètre est loraritmique! On comprend tout de suite. Le second tube 12SL7 / 12AX7 est um préampli et correcteur de tonalité. Le correcteur de tonalité du premier ampli est bizarre, celui du second est un vrai Baxandall, un siqne que la qualité s'améliore au fil du temps.
Etage d'attaque (déphaseur)On utilise un 6L6 dans le premier montage. Le tube est connecté en mode triode et attaque un transfo qui va fournir les deux phases. Le 6L6 est peu linéaire en single ended et doit de préférence être connecté en triode s'il ne faut pas une puissance élevée.Le transformateur déphaseur était courant dans les premiers amplificateurs, avant qu'on soit passé aux triodes pour le déphasage. Le déphaseur à transformateur est généralement moins bon, il réduit la bande passante de l'ampli et produit des déphasages supplémentaires qui peuvent fausser la contre réaction. C'est pour cela que la contre réaction n'englobe pas l'étage de puissance, qui produit pourtant le plus de déformations. Mais un déphaseur à transfo peut commander l'étage de puissance en classe AB2 (avec courant de grille de commande) pour augmenter la puissance en sortie. Le second circuit utilise un 12AT7 (ECC81) qui a à la fois un gain en tension et une pente élevé (dois-je maintenant écrire élevé.e?). La première triode est un comparateur pour la contre réaction et la seconde triode est un déphaseur cathodyne qui est un peu faible pour commander une paire de 807 à puissance maximale.
Etage de puissanceL'étage de puissance est classique avec une polarisation négative fixe de la grille de commande (-29V), une grille écran à 300V et une tension anodique de 690V. L'amplificateur est mis en mute par connection de la tension de g2 à -29V (une connection à la masse aurait suffi). La fonction mute n'est disponible qu'avec le second ampli.Pour obtenir une puissance élevée avec un sweep pas trop important on utilise une tension anodique très élevée, ce qui ne pose pas problème pour les 807 qui ont une connection d'anode sur le dessus. Il est fait usage de lampes de redressement pour la haute tension et d'un redresseur au sélénium pour la tension de polarisation négative. Les tubes 12AX7 sont également alimentés en continu pour la tension de chauffage pour réduire le ronflement du secteur. A droite le dessous de l'amplificateur (première version), on remarque directement que Geloso était également un fabricant de composants.. Les électrochimiques rectangulaires sont bien connus. Les condensateurs bleus ont été ajouté par la suite, cela se voit au cablage très mal fait.
Construire un tel ampli?Ce sont des amplificateurs de sonorisation qui ne sont pas spécifiquement construits pour de la hifi.
Mais il est possible de restaurer un amplificateur existant. S'il faut remplacer les 807, on peut opter pour des tubes alternatifs (KT77...) et remplacer le soquet. |
Publicités - Reklame



