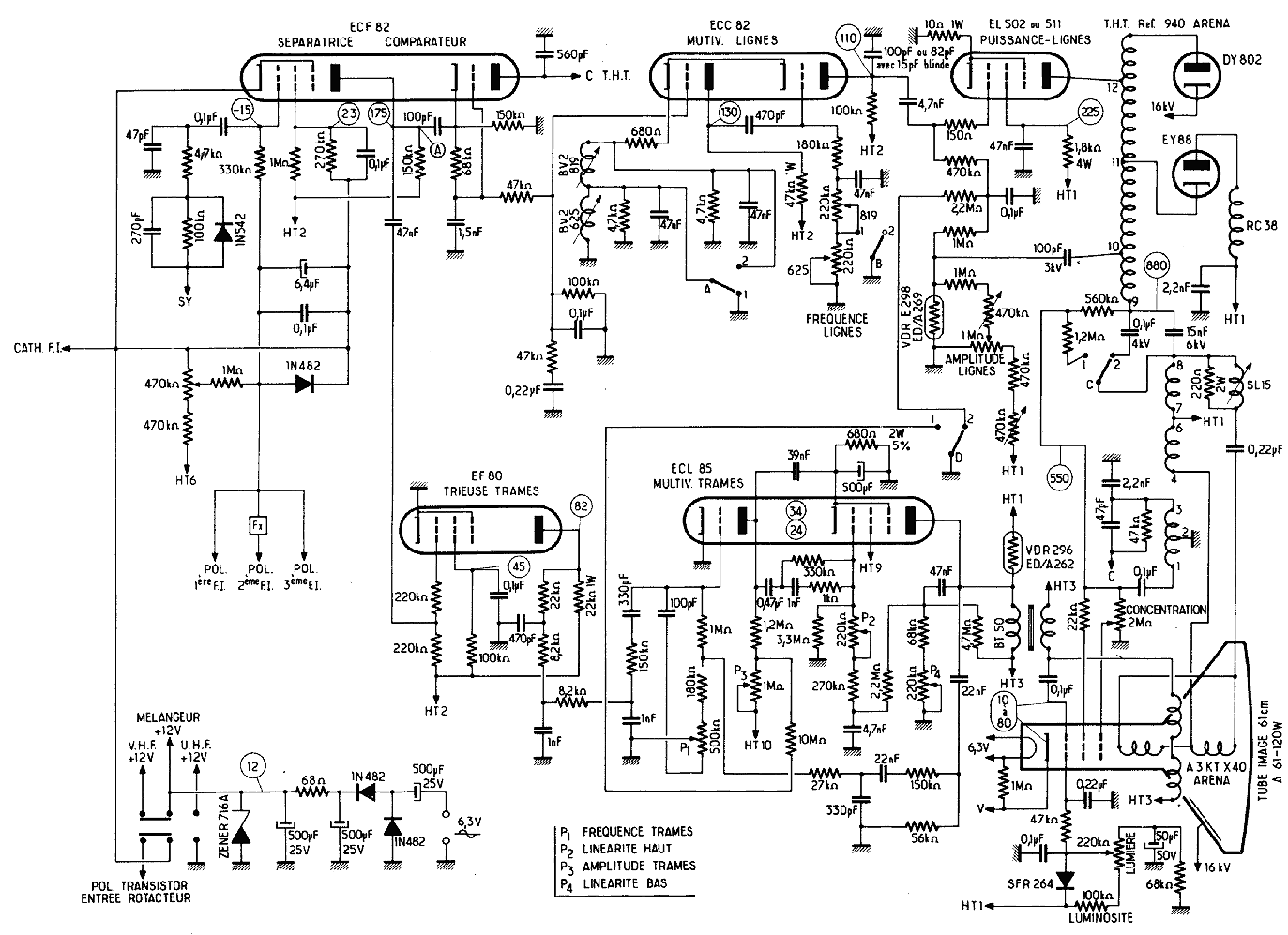
| Les lampes de déflection lignes les plus connues chez nous sont les lampes PL500 et PL504, mais il existe également d'autres lampes comme les lampes EL502 et PL511. |
-
Toutes les lampes de cette époque avaient un soquet magnoval plus fiable et meilleur marché que le soquet octal utilisé avant.
EL502La lampe EL502 est plus grosse que la lampe PL500 (dans toutes ses versions: PL500, PL504...) et ne semble pas avoir de cavitrap. La dissipation anodique est de 20W au lieu de 16W, le courant anodique de pointe est de 500mA au lieu de 440mA en comparaison d'une lampe PL500. La lampe est utilisée pour la déflection horizontale et pour produire la très haute tension pour le tube image. Cette lampe a été utilisée dans les télévisieurs produits jusque dans les années 1970 C'est une lampe assez rare et je n'ai pas trouvé d'utilisation comme amplificateur audio, contrairement à la lampe EL500 qui était utilisée dans de nombreux amplificateurs de sonorisation (elle était bien moins chère que la lampe EL34 normalement utilisée). Si jamais vous voulez construire un ampli avec une telle lampe (si vous en avez beaucoup en stock), vous pouvez utiliser un schéma pour PL500 ou PL504 publié sur ce site. La puissance disponible peut facilement atteindre 50W par canal avec deux lampes branchées en push pull. Utilisez une tension d'alimentation de 350V pour tirer au mieux parti des caractéristiques de la lampe et stabilisez la tension de la grille écran à 120 - 150V. N'utilisez pas la broche 9: selon la fabrication elle n'est connectée à rien, à la grille de controle ou à la bague externe. On voit sur l'agrandissement le pas de la grille écran (le fil de la grille de controle est plus fin et n'est pas visible), mais on ne voit pas de cavitrap comme sur la photo d'une lampe EL504 (photo en bas de page).
PL511Déjà à l'époque les fabricants utilisaient des codes propres pour se distancier de la concurrence. Selon la documentation technique, les téléviseurs ne pouvaient fonctionner qu'avec une lampe PL511 (vendue plus chère que la lampe PL504 identique). Je connais ces pratiques, ayant travaillé de nombreuses années dans le secteur de l'électroménager.
Regardez bien le schéma présenté en début de page: le type du tube de puissance est indiqué EL502 ou 511: les deux lampes ont le même brochage et peuvent être échangées. |
Publicités - Reklame



