| Le tube ECL80 a été lancé en 1950 comme tube de puissance bon à tout faire: étage audio, déflection trame et sortie vidéo dans les premiers téléviseurs. |
-
Le tube ECL80 est un des premiers tubes avec un soquet moderne (Noval ou B9A), mis sur le marché en 1950 en même temps que le tube EF80. C'était l'époque des toutes premières télévisions et on utilisait alors un circuit série pour pouvoir se passer d'un transfo pour le chauffage. Plusieurs tubes ont été conçus pour pouvoir travailler en parallèle avec une tension de chauffage de 6.3V (série "E") ou en série avec un courant de 0.3A (série "P"), comme le EF80, EF183,...
On a également conçu un tube de puissance sur le même principe, le tube ECL80 qui pouvait tout aussi bien être utilisé dans un tourne-disques (6.3V) que dans une télévision (circuit 300mA). Dans ces années là, les utilisateurs se contentaient de peu (même très très peu), ils avaient encore connu la guerre et une puissance de 1W était suffisante. Le tube était utilisé dans les premières télévisions avec une diagonale d'écran de 25cm environ où le tube était mis à toutes les sauces: étage audio, étage vidéo et déflection trame. Le but d'un fabricant était de fournir un assortiment aussi restreint que possible de tubes qui étaient bons à tout faire. Une télévision avait peu de types différents: EF80 pour toute la partie haute et moyenne fréquence (et parfois même l'étage de puissance vidéo), ECL80 pour la déflection trame, la sortie audio et éventuellement vidéo, PL81 et PY81 pour la déflection ligne. C'est de la même période que date le tube EL80 qui était un remplacant du tube EL41 avec soquet rimlock. C'était en fait le même tube, mais avec un autre socquet. On n'en a pas fabriqué des masses, car ce tube n'avait pas de trop bonnes caractéristiques. Pour des raisons qui resteront toujours obscures, ce tube ne pouvait pas être utilisé dans un montage push pull.
Les caractéristiques de la très petite triode étaient très moyennes: µ = 20 et S = 1.9mA/V. La pentode était prévue pour un courant anodique de 20mA, la dissipation maximale était de 3.5W, qui était déjà atteinte avec une tension de 175V. Dans un ampli single ended le tube fournissait une puissance sonore de 1.5W avec un taux de distorsion de 10%. Ce ne sont pas des caractéristiques extraordinaires, mais dans ces années là on se contentait de peu. A cause de la faible amplification de la triode, ce tube était utilisé dans les tourne-disques bon marchés avec élément cristal (qui fournissait une tension de 500mV), c'est l'exemple ci-dessous à droite. Un réglage de la tonalité n'était pas possible car l'amplification totale était trop faible.
Le pick up n'est pas branché à la masse, mais via un diviseur de tension vers la cathode, car la grille de la triode a besoin d'une autre tension (-4V) que la grille de la pentode (-11V). Il y a une contre-réaction simple de l'anode de la pentode vers l'anode de la triode (R4 de 680kΩ), c'était la méthode la plus économique pour réduire les distorsions. Les aigues sont également atténuées par la combinaison R5 10kΩ et C2 0.01µF. Les fréquences basses sont limitées par le condensateur de couplage de 0.005µF, qui est une valeur très bassen (on utilise normalement 0.01µF). Il vaut mieux limiter les fréquences basses, qui bouffent toute la puissance du petit ECL80.
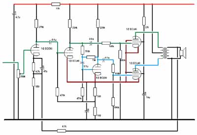
La première triode du tube ECL80 est utilisée en amplificatrice simple, la seconde triode en étage déphaseur. A cause des cathodes connectées il n'y a que le montage paraphase qui puisse être utilisé. Les triodes de l'ECL80 ont un gain faible, ce qui fait que les résistances du montage paraphase sont fort différentes (750kΩ et 1MΩ). L'étage de puissance est lui standard. La puissance est de 3W et la contre-réaction est en option. Quand on utilise la contre-réaction, il faut mettre en plus un petit condensateur de 100pF en parallèle sur la résistance de 4.7k pour éviter les oscillations, mais on peut également réduire le gain de l'ampli pour les fréquences supersoniques par un condensateur (hachuré sur le schéma). Commencez par une valeur de 1nF et controlez que l'ampli soit stable. Si l'étage de puissance à tendance à osciller (même sans contre-réaction), ajoutez des résistances de grille des pentodes de 10kΩ placées le plus près possible des pattes du socquet.
On tentait à cette époque de travailler le plus économiquement possible et le tube ECL80 (tout comme d'autres tubes comme le EF80,...) répondait parfaitement à cette attente car il pouvait être utilisé dans des appareils avec circuit de chauffage série 300mA et circuit de chauffage parallèle 6.3V Finbalement on s'est rendu compte que le tube ECL80 avait une puissance trop faible (même en montage push pull) et que la cathode commune limitait les utilisations possibles du tube. Le ECL82 a une puissance plus élevée et sera utilisé en montage single ended qui nécessite moins de composants. Ce tube sera suivi un an plus tard par le ECL83 quand on estimait que la puissance d'un ECL82 était quand même trop élevée (nous sommes toujours dans les années 1950). Le dernier tube de la série triode-pentode est le ECL86 qui sera même utilisé dans quelques amplificateurs hifi. |
Publicités - Reklame



