| Un amplificateur américain réalisé juste après la seconde guerre mondiale. Le circuit utilisé à l'époque était "State of the Art"; ce qui se faisait de mieux à l'époque. |
-
![]()
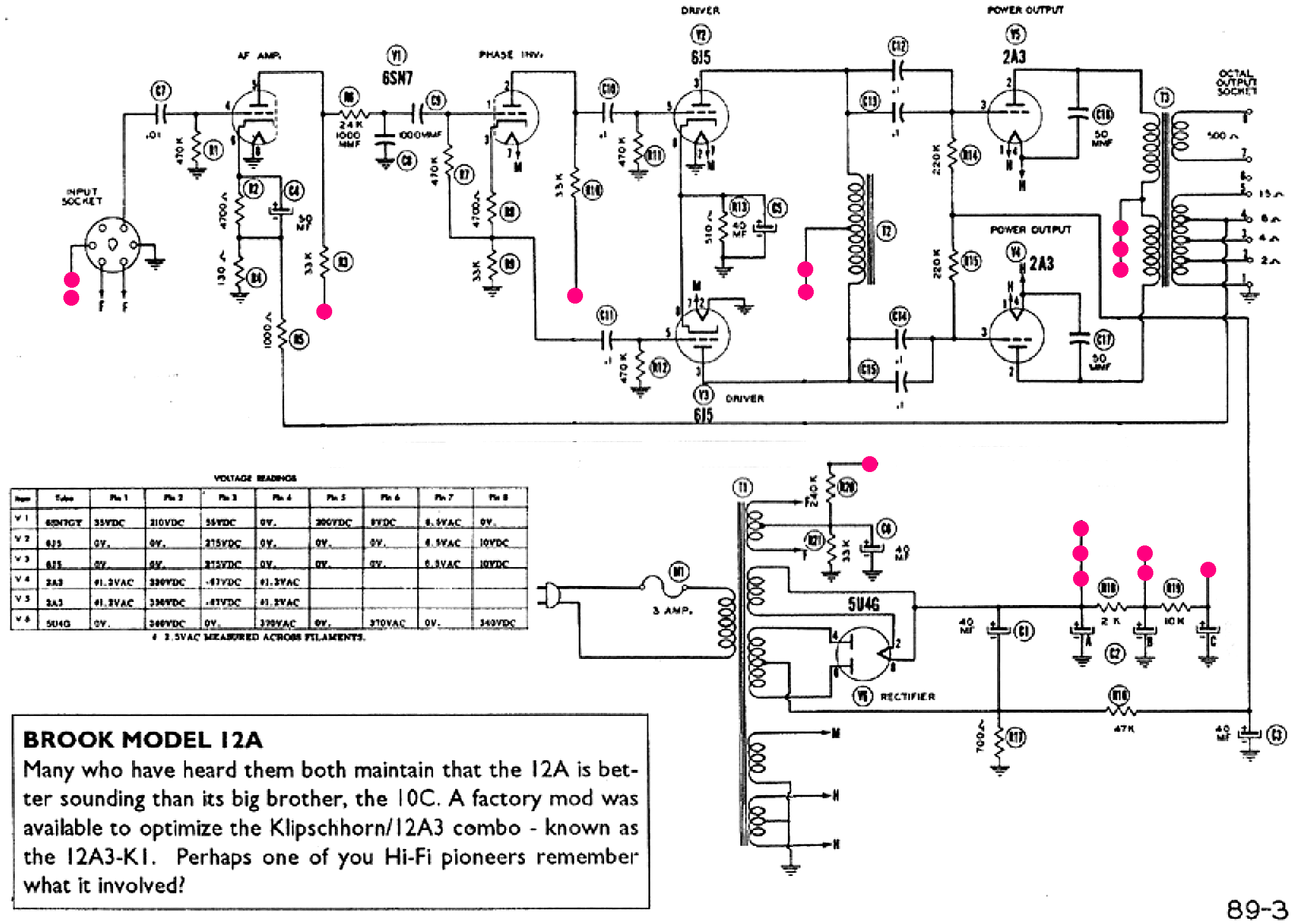
(amplificateurs de Brook) Nous sommes en 1947, les Etats Unis s'en sont ressorti à relativement bon compte après la guerre. Il ne fallait pas reconstruire le pays: la plupart des pays européens ont mis des années à reconstruire les maisons, les usines et les infrastructures. Les champs étaient encore pleins de mines et d'obus non explosés. Voici un circuit qui utilisait exclusivement des triodes. C'était de la hifi avant que ce mot ne fut inventé. Pour réduire les distorsions, le concepteur a spécifiquement utilisé des triodes à gain faible. Le taux d'intermodulation était de 2.5% et la distorsion harmonique totale était de 1.2%, c'était de très bons chiffres à l'époque. Le préampli utilise une 6SN7, une double triode à gain relativement faible, comparable à notre ECC82 mais en soquet octal. C'est un circuit standard avec la contre réaction qui arrive sur la cathode. Le déphaseur qui utilise la seconde triode est aussi tout à fait normal: c'est un cathodyne, aussi appellé concertina.
Le transfo n'a pas de secondaire: il agit simplement comme résistance de charge haut de gamme. La version avec une puissance de 30W utilise elle un vrai transfo, le schéma de cet amplificateur se trouve sur la page du magazine (voir lien en haut de page). L'utilisation du transfo intermédiaire a été abandonné après la guerre. Il procure un gain notable en comparaison d'un couplage résistance-condensateur-résistance, mais il produit une courbe de fréquence vraiment très courbe. L'avantage du gain s'est lentement estompé quand on a utilisé des triodes qui ont un gain plus élevé. Le transfo était également plus cher qu'un couplage standard. Un autre ampli qui utilise un transfo intermédiaire, des triodes de puissance comme étage final et une stabilisation du point de fonctionnement se trouve ici: auto bias control, c'est le schéma le plus abouti de la série. C'est le même système qui est utilisé dans l'ampli Brook de 30W.
Les triodes 2A3 sont des triodes à chauffage direct, ce qui était nécessaire pour arriver à une puissance suffisamment élevée avec des triodes. Le filament est maintenu au niveau de la masse et la tension de polarisation négative (environ 70V) est obtenue par une résistance de fuite dans l'alimentation. On n'utilisait pas d'alimentation négative supplémentaire à cette époque (bien que les petits redresseurs métalliques existaient déja). Ce schéma n'a que peu évolué pendant plus de 10 ans: sur la page de la lampe 2A3 le schéma en bas de page est le schéma le plus simple (la puissance est également de 10W). |
Publicités - Reklame
