| Voici quelques exemples de radio à lampes et à piles. Une combinaison qui semble étrange quand on sait que les lampes consomment beaucoup de courant. Pourtant, des tubes spécifiques ont été développés qui consomment très peu. La première partie (radios à lampes classiques) se trouve ici. |
-
|
Les radios à piles existaient déjà avant la seconde guerre mondiale. On utilisait souvent une batterie de voiture (6.3V) pour le chauffage et un bloc se composant d'une centaine d'éléments zinc-carbone pour la haute tension. Après la guerre, des tubes spécifiques ont été développés pour le fonctionnement sur piles.
Comment faire fonctionner un poste de radio à lampes et à piles est expliqué ici: s'il n'y a aucun problème pour la tension de chauffage, il faut prévoir une alimentation de 90V, car ce type de piles n'est plus vendu.
La combinaison DK96, DF96, DAF96 et DL96 était la formule standard pour les postes portatifs. Le premier tube DK96 est une heptode qui combine plusieurs fonction: amplification HF, oscillateur local et mélangeur. Le tube a un gain moins important que le tube ECH81 (le signal d'antenne est envoyé à la troisième grille et non plus à la première, qui est plus sensible), mais un tube avec triode et heptode consommerait plus. L'amplification moindre en haute fréquence est compensée par une amplification accrue en basse fréquence où on utilise une pentode au lieu d'une triode au premier étage audio.
Le tube suivant est une pentode DF96 pour l'amplification moyenne fréquence, suivi d'un tube redresseur et du premier étage audio (DAF96). La pentode de puissance DL96 peut fournir 200mW. Les versions de luxe (voir ci-dessous) ont un étage push pull avec deux pentodes qui produit une puissance double (450mW, le grand luxe).
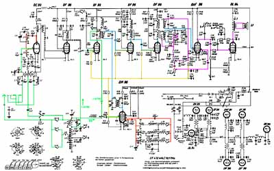
La radio Schaub Camping est une radio fonctionnant sur secteur et sur piles. Elle utilise des tubes spécifiques de la série "D" pour une tension de chauffage de 1.4V. La cathode est à chauffage direct pour avoir un rendement plus élevé, le filament étant la cathode. Les tubes DL94 et DC90 ont un courant de chauffe de 50mA, les tubes DF96, DK96 et DAF96 un courant de 25mA. Il s'agit d'une radio AM/FM qui dispose de deux tubes qui ne sont utilisés que pour la FM: une triode DC90 utilisée en oscillateur/mélangeur. Le circuit oscillant sur l'anode est couplé à la grille et assure la partie oscillateur. Le signal de l'antenne arrive également sur la grille. Le signal résultant est envoyé à la première pentode DF96. La seconde pentode DF96 est utilisée comme étage d'amplification FM (fréquence intermédiaire) et LW/MW (haute fréquence grandes et petites ondes). Le signal d'antenne (préamplifié pour LW/MW) est envoyé à la 3° grille d'une heptode DK96 qui a un circuit oscillant entre la première et la seconde grille. Le signal de fréquence intermédiaire (AM et FM) est envoyé à une troisième et quatrième pentode DF96. Avec ces nombreux étages moyenne fréquence, la radio a une sensibilité élevée, mais il ne faut pas oublier que le gain des pentodes de la série DF est moindre que celui de la pentode EF89. Nous avons ensuite une détection AM par la diode d'un DAF96 tandis que le discriminateur FM utilise deux diodes "solid state". La pentode du tube sert de préamplificateur audio, on a intérêt à utiliser une pentode au lieu d'une triode car on obtient ainsi un gain plus élevé. L'étage de puissance est une pentode DL94. La puissance audio de la radio est limitée à environ 250mW (d = 10%) à cause de l'utilisation de tubes basse puissance. Le tube DL94 permet de limiter la consommation en modifiant la polarisation (interrupteur Sp2). Normalement la consommation est limitée en n'utilisant que la moitié du filament, ce qui est difficilement réalisable ici car tous les tubes sont branchés en série. L'alimentation est assez complexe, car elle est conçue à la fois pour un fonctionnement sur secteur et sur piles et n'utilise pas de transformateur pour rendre la radio plus légère. Pour le fonctionnement sur piles il faut une pile haute tension de 90V (consommation d'environ 18mA) et une pile basse tension de 9V pour les filaments (consommatioon de 50mA). La tension de secteur est redressée en simple alternance et une série de résistances limite la tension. La tension de chauffage est également prélevée de la haute tension redressée. Une diode zener limite la tension de chauffage de tous les tubes en série à 8.2V. Les résistances pour rabaisser la tension de chauffage doivent dissiper au maximum 20W (alimentation en 220V). C'est une radio assez haut de gamme avec une sensibilité comparable à un bon poste à lampes sur secteur, mais qui a une puissance sonore limitée et qui ne dispose pas de transfo d'alimentation, ce qui produit des pertes élevées en fonctionnement sur secteur. Les schémas suivants montrent qu'il est possible de faire mieux: on a fabriqué des radios plus développées avec un étage de puissance push pull (qui permet d'atteindre une puissance sonore de 1W) ou avec un tube EL90 qui n'est en fonction que quand l'appareil est utilisé sur secteur et qui fait passer la puissance sonore à près de 4W.
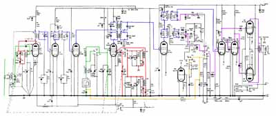
Après la seconde guerre mondiale, de nombreuses régions n'étaient pas encore reliées à l'électricité (surtout en Grande Bretagne où des régions étaient vraiment délaissées). Le seul moyen d'avoir la radio, c'est avec un poste sur piles. Des modèles assez luxueux ont même été construits, comme le Sky Monarch de Ever Ready pouvant recevoir la modulation d'amplitude et la fréquence modulée. Ever Ready était à la fois fabricant de piles et de postes de radio. Le poste utilisait une pile combinée fournissant à la fois la basse tension pour les filaments et la haute tension. La consommation était de 17.5mA HT et 275mA BT en FM et de 14mA HT et 225mA BT en AM. Le premier tube pour la FM est une pentode DF97 utilisée en triode. Elle amplifie le signal d'antenne, produit la moyenne fréquence et a un oscillateur. Le gain en haute fréquence est augmenté par un couplage positif via le bobinage L5. La pentode doit être suivie de 3 pentodes MF DF96 dont seul la dernière est également utilisée en AM. Le circuit d'antenne AM est classique pour une telle radio, avec le signal d'antenne envoyé à la troisième grille de l'heptode DK96. Voir ci dessus pour plus de détails. La détection FM se fait par deux diodes au germanium OA70 tandis que la détection AM utilise une diode dans une des pentodes DAF96. Le gain plus élevé de la pentode est ici aussi nécessaire pour compenser le gain moindre de l'heptode. On utilise une pentode montée en triode pour le déphasage qui précède l'étage push-pull. Le controle automatique du gain est limité à un seul tube en AM, mais la valeur de la résistance de fuite des autres tubes est tellement élevée qu'une polarisation négative de la grille s'opère automatiquement quand le signal est suffisamment fort. La consommation étant différente pour la FM et AM, une résistance différente est utilisée pour produire la tension de polarisation négative des tubes push pull. Le système classique avec résistance de cathode n'est pas possible, puisque les cathodes de tous les tubes sont connectées ensemble via l'alimentation BT.
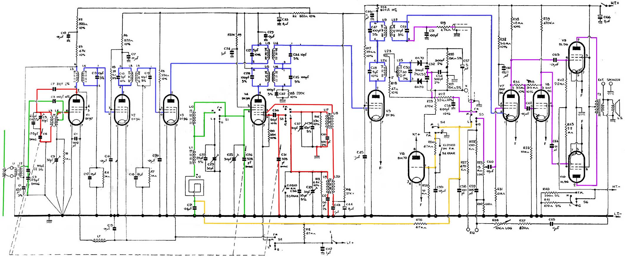
Cette radio portative à lampes est assez particulière. Elle peut tout aussi bien être utilisée sur le secteur que sur piles. En fonctionnement sur secteur, un redresseur fournit du 108V (12mA environ) pour la haute tension et du 1.5V pour la tension de chauffage. Les redresseurs utilisés sont de type au sélénium, les diodes au germanium n'étant pas assez puissantes. Pour la tension de chauffage, l'appareil utilise un accu DEAC (Deutsche Edison Akkumulatoren Company) de 6Ah. L'appareil prévoit la possibilité d'installer une pile classique (zinc carbone) en plus de l'accu pour ainsi avoir un temps de fonctionnement plus important quand il n'y a pas d'alimentation sur secteur. Sur accu seul, la durée de fonctionnement est de 30 heures environ. La pile haute tension de 90V (standard) n'est pas rechargeable. Pour la FM l'appareil utilise une triode DC90 comme oscillateur-melangeur. A ces fréquences élevées, une pentode ne fonctionne pas très bien et certains appareils qui utilisent une pentode la branchent en mode triode (voir exemple ci-dessus). La différence entre la fréquence de l'oscillateur et celle de l'émetteur est suffisamment importante pour que l'oscillateur ne se mette pas à osciller sur la fréquence de l'émetteur. Dans les télévisions (qui travaillent dans la même bande VHF) on utilise un montage cascode qui a un très bon rendement, mais le montage cascode est pratiquement impossible à réaliser avec un tube à chauffage direct. Le signal est ensuite amplifié par trois pentodes MF DF96 et la détection est assurée par deux diodes au germanium OA72. La partie AM (ondes moyennes et longues) se compose d'un étage haute fréquence composé d'un DF96 suivi d'un tube oscillateur-mélangeur DK96 et ici on n'utilise qu'une pentode moyenne fréquence. Le gain assez faible de l'heptode DK96 est ici compensée par un étage HF. Les tubes qui ne sont pas nécessaires sont mis hors tension en coupant le courant de schauffage. Cela permet d'économiser 25mA par tube plus le courant de haute tension. La partie basse fréquence se compose d'une pentode DAF96 et d'une pentode de sortie DL96 dont on utilise les deux filaments. Ici aussi la polarisation est assurée par une résistance dans l'alimentation HT négative. Pour compenser la consommation différente en AM et FM, une résistance est ajoutée en parallèle en FM. La polarisation négative est de 4.6V. Malgré le fait que le nombre de tubes de la série D était assez limité en comparaison du choix de tubes de la série E (1.4 et 6.3V tension de chauffage), cela n'a empèché les fabricants de créer des appareils aux caractéristiques tout à fait différentes. Cela se remarque par exemple quand on compare les deux derniers appareils. Le premier appareil utilise un étage HF supplémentaire pour la modulation d'amplitude et une triode pour la FM, tandis que le second appareil utilise une pentode brachée comme triode. Les deux appareils fonctionnent aussi bien sur secteur que sur batteries. Le dernier appareil est le plus récent et cela se voit aux tubes DF97 utilisés à la place des DF96. Le DF97 est le dernier tube fabriqué. La pentode a de meilleures caractéristiques en haute fréquence.
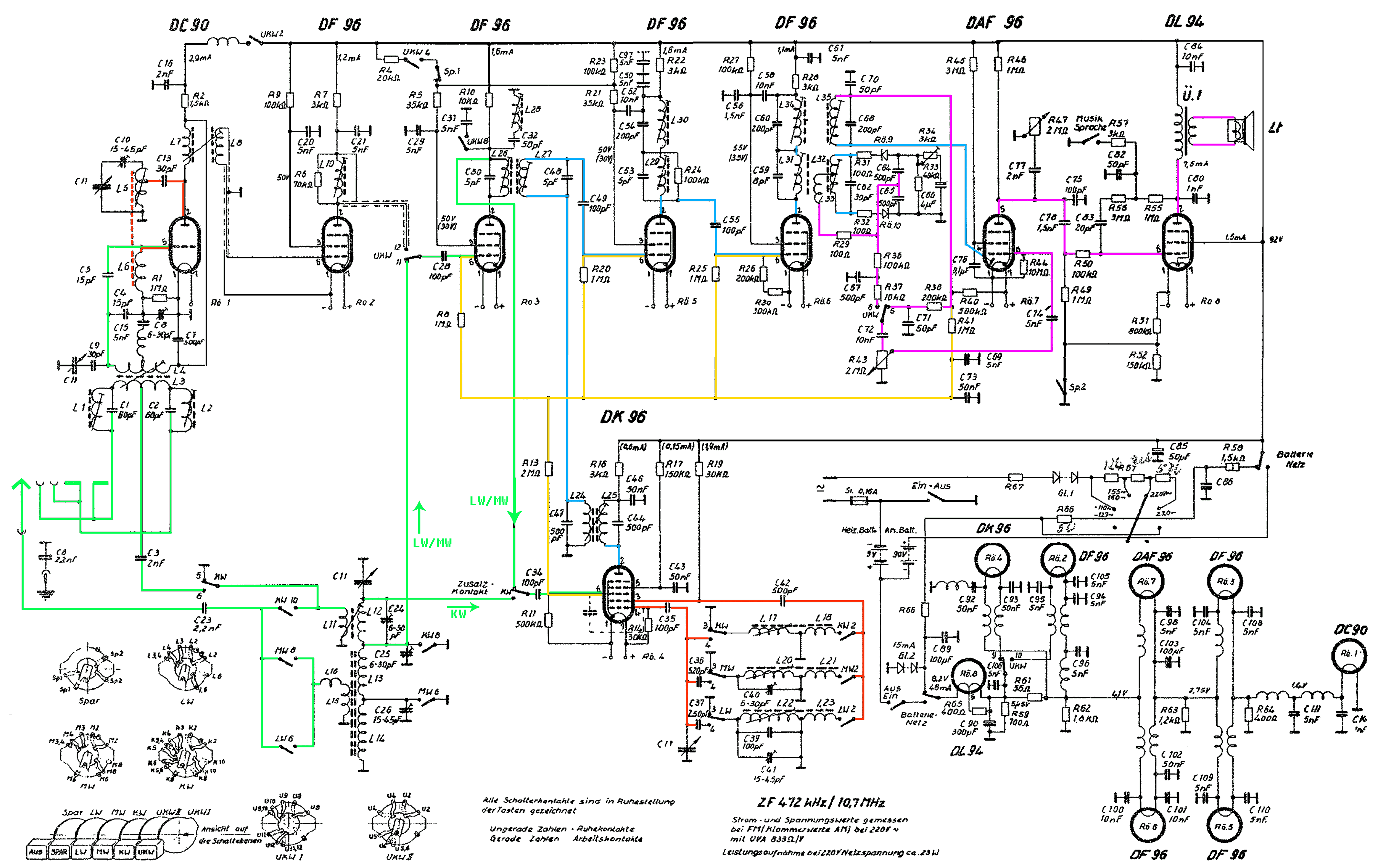
Nous commençons donc avec deux pentodes DF97, la première branchée en triode (oscillateur/mélangeur) et la seconde est le premier étage moyenne fréquence. Il y a ensuite encore 3 DF97, cette radio a une très bonne sensibilité en FM. La partie AM est plutot traditionelle avec une changeuge de fréquence DK96 suivi de deux des trois pentodes MF. Les tubes qui ne sont pas utilisés ont leur courant de chauffage débranché. La partie BF semble traditionelle, mais utilise une pentode EL95 (puissance de 2.3W) quand l'appareil est alimenté sur secteur et une pentode DL96 (200mW) quand l'appareil fonctionne sur accus. L'alimentation est assez complexe et fournit le courant de chauffe du tube EL95 quand l'appareil fonctionne sur secteur. Il y a un accu DEAC D3.6 (3600mAh) pour le courant de chauffage des filaments. Le courant est de 200mA en FM ce qui permet une autonomie de 17 heures dans le meilleur des cas. L'élément haute tension est rechargeable selon le schéma, mais il n'y a pas de caractéristiques de l'accu. Pour obtenir 90V il faudrait 70 élément nickel/cadmium. Le tube EL reçoit une tension de plaque plus élevée de 200V tandis que la tensio est rabaissée pour les autres tubes. Et finalement il est également possible de reproduire des disques. Le chauffage des tubes de la partie radio est alors débranché. Finalement les premières radios à transistors font leur apparition. On trouve encore des circuits hybrides (comme pour les télévisions), car les premiers transistors n'ont pas de bonnes caractéristiques, surtout pour les fréquences élevées. |
Publicités - Reklame




