| La FM fait son apparition fin des années 1950. Il y a de plus en plus d'émetteurs sur la bande AM (les "petites ondes" comme disent les français). Certains pays recoivent trop peu de fréquences pour la taille du pays (l'Allemagne de l'ouest). La FM fait ainsi rapidement son apparition en Allemagne, aux Pays Bas et en Belgique. Il est normal que les récepteurs recoivent aussi ces fréquences. |
-
Les émissions en FM utilisent un principe différent qui permet d'éliminer la plus grande partie des parasites (la fréquence de l'émetteur est modulée en fréquence et non plus en amplitude). La bande passante est également étendue: elle passe de 4.5kHz à 18kHz. On peut vraiment parler de haute fidélité. Mais les émetteurs en FM ont une bande de fréquence beaucoup plus large, de 300kHz, ce qui force lesd émetteurs à travailler à une fréquence beaucoup plus élevée, autrement il n'y aurait de la place que pour quelques émetteurs si on les aurait placé dans la bande AM (500 à 1600kHz). Pour recevoir les programmes en FM il faut donc un tuner spécifique pour recevoir les fréquences plus élevées et un démodulateur adapté pour décoder les programmes.
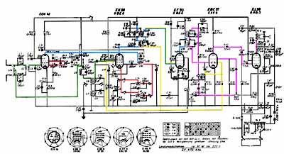
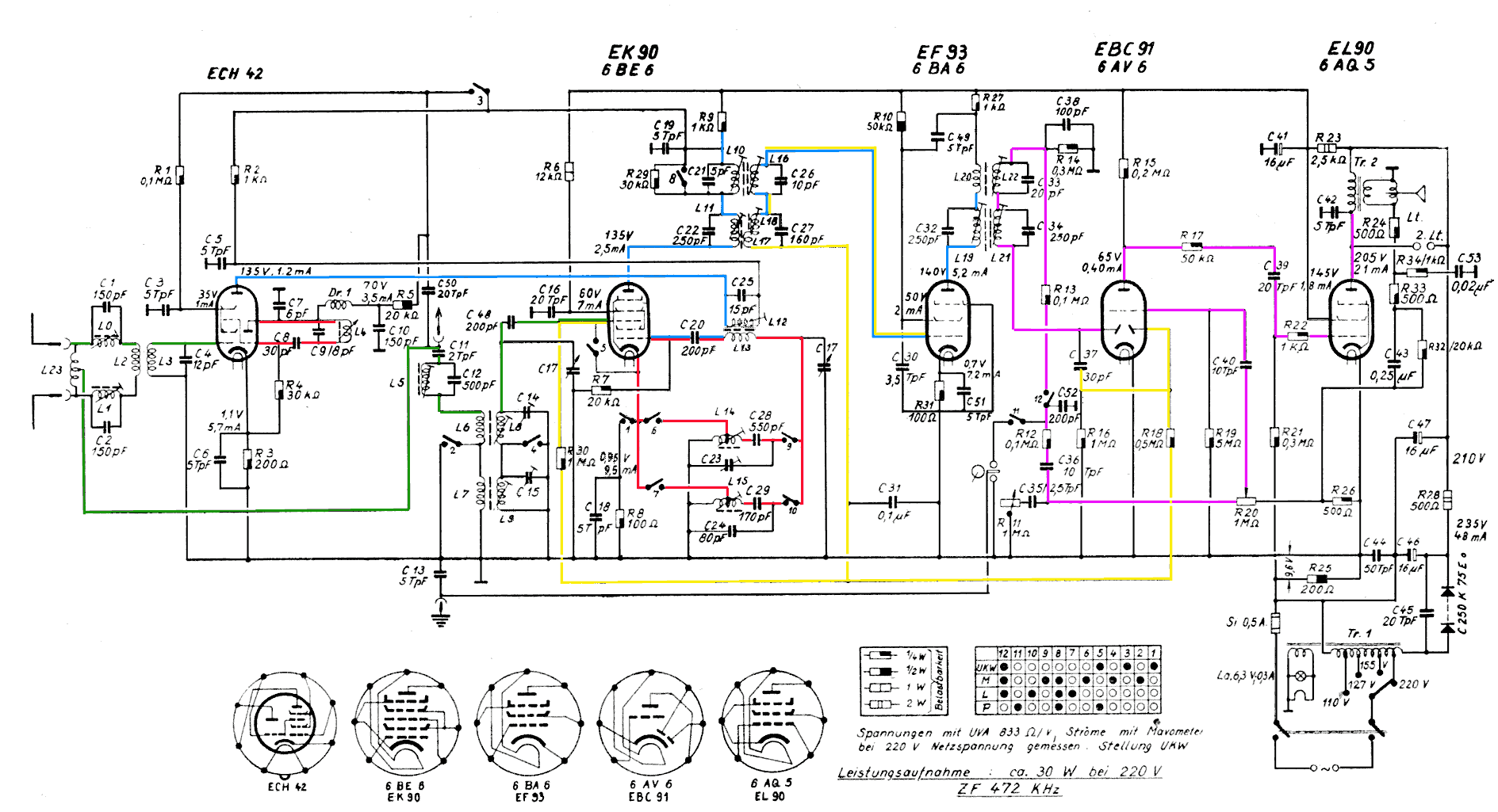
Un des tous premiers récepteurs FM datant de 1953 produit par Schaub (pas encore Schaub-Lorenz ni ITT Schaub Lorenz), cela se voit à la partie FM qui n'est pas encore totalement au point. Pour la bande FM on utilise ici une triode-hexode ECH42 comme étage changeur de fréquence (un tube qui n'a pas vraiment été conçu pour travailler à cette fréquence). Plus tard on utilisera une double triode ECC81 et puis ECC85 qui a un bruit de fond moindre et est plus stable en fréquence. Pour la partie AM, on utilise une heptode EK90, alors qu'on était également en train de passer à une triode-heptode ECH81 avec oscillateur séparé. Le schéma de la partie oscillateur correspond au type de montage américain "pentagrid converter" (le tube est en fait plus connu sous son code américain 6BE6) avec un circuit oscillant entre la cathode et la première grille et la première grille écran qui agit comme anode de l'oscillateur. L'amplificateur moyenne fréquence est assez classique (EF93), mais si pour la détection AM on utilise une détection classique de l'enveloppe, on utilise par contre la même détection pour la FM, et notament sous la forme d'une détection par le flanc (slope detection). On utilise pour cela un filtre légèrement desaccordé, qui produit un signal démodulé plus ou moins fort selon que la fréquence se rapproche ou s'écarte de la fréquence d'accord. Ce système ne permet pas d'éviter les parasites (il s'agit toujours d'une détection de l'enveloppe). La partie FM n'est donc pas encore au point avec une instabilité de la fréquence (changement de fréquence avec ECH42), une dynamique réduite et une sensibilité aux parasites (détection par le flanc). La détection par le flanc produit également des distorsions harmoniques importantes (le flanc du circuit oscillant n'étant pas une droite mais une courbe). Le signal est ensuite amplifié par une triode EBC91et une pentode de puissance EL90. Pour l'alimentation on utilise un auto-transfo pour la haute tension, une solution qui a souvent été retenue dans les appareils moyen de gamme (pour le bas de gamme on utilise des résistances dissipatrices, mais ce n'est pas possible pour les postes avec FM à cause de la consommation accrue). Le chassis est donc sous tension. Les condensateurs de filtrage ont la valeur la plus basse possible 16 + 16 + 16µF alors que les postes un peu plus récents sont passés à 50 + 50µF. Le redresseur est une cellule au sélénium composée de plusieurs éléments (chaque diode au sélénium résiste à une tension inverse d'environ 20V) Remarquez que la nomenclature américaine ne donne pas d'informations sur le type de tube: tous les tubes ont 6 fils qui sortent (le filament est compté comme un seul fil): 6BE6 qui est en interne une heptode (EK90), 6BA6 qui est une pentode (EF93) avec le fil de la grille suppresseuse qui sort, 6AV6 double diode-triode (EBC91). La pentode de puissance 6AQ5 (EL90) n'a que 5 'fils' qui sortent: filament, cathode, grille de commande, grille écran et anode.
Telefunken est une marque allemande qui a collaboré avec les nazis, mais après la guerre, tout est rapidement oublié car l'ennemi c'est maintenant la Russie. Telefunken a des brevets interessants dans de nombreux domaines et notament les applications haute fréquence. Telefunken n'a pas uniquement fabriqué des appareils de radio, mais s'est également occupé de la partie émetteurs. Ce poste date des années 1950, c'est un des premiers à pouvoir recevoir la FM, qui a été lancé après la seconde guerre mondiale. Il utilise des composants de deux séries, les tubes Ex4 (rimlock plus anciens) et Ex8 (noval). Le tube haute fréquence FM est un ECC81 (il sera plus tard remplacé par un ECC85 qui était le tube standard de l'étage FM); le fonctionnement est standard. Le poste peut recevoir trois gammes d'ondes en AM. Le tube utilisé est un ECH81 classique avec une triode oscillatrice et une heptode mélangeuse. L'heptode sert également d'amplificatrice moyenne fréquence en FM. Le tube moyenne fréquence est un EF41 (remplacé par un EF89 dans les récepteurs un peu plus modernes). La détection AM et FM est réalisée par les diodes du tube EABC80. La triode sert d'amplificateur basse fréquence. Le tube de puissance est un EL41, un peu moins puissant que le EL84 qui lui succèdera. L'indicateur d'accord est un EM35. Une de ses caractéristiques particulières est la double sensibilité: l'indicateur a en effet deux zones lumineuses et utilise deux triodes internes pour générer les tensions de déflection. Ce tube perd assez rapidement sa luminosité. Le redressement est effectué par un pont de diodes, ce qui permet d'éviter le transformateur à double bobinage.L'indication B250C90 signidie une tension d'alimentation de 250V et un courant maximal de 90mA, l'utilisation d'un condensateur de filtrage est autorisé. Le circuit basse fréquence a un circuit de contre-réaction qui est plus actif aux basses puissances (volume réduit). On obtient ainsi une réduction des distorsions à puissance basse et moyenne sans nécessiter un tube supplémentaire. C'est une soulution qui est utilisée dans de nombreux récepteurs. A voir le schéma on se rend compte de la simplicité d'un récepteur radio: c'est donc tout à fait normal que de nombreux petits fabricants locals se sont lancés dans la fabrication de postes de radio avant la seconde guerre et après. Plus tard, ces petits fabricants sont passés à la télévision. Tout allait bien jusqu'à l'arrivée de la couleur, qui nécessitait des schémas plus complexes, des tensions plus elevées et des circuits de correction plus nombreux.
Le récepteur standard des années de gloire de la radio à tubes se compose d'une triode-heptode ECH81. En cas de réception FM, le signal moyenne fréquence est reçu sur la première grille de l'heptode et l'oscillateur local est à l'arrêt. On utilise une double triode ECC85 pour l'amplification haute fréquence (premier tube). La seconde triode sert d'oscillateur/mélangeur. Ici également un tube EF89 pour la moyenne fréquence, aussi bien pour la modulation d'amplitude que pour la modulation de fréquence. La détection est effectuée par un tube EABC80 qui se compose d'une diode simple pour la détection AM, de deux diodes pour le discriminateur FM et d'une triode pour l'amplification audio. L'amplification de puissance est assurée par une pentode EL84. Ce circuit a encore un petit extra: après détection, le signal audio FM est d'abord amplifié par la triode ECH81 (qui ne sert pas pour la partie haute fréquence en FM). Le signal FM passe ensuite à la triode du tube EABC80. Certains postes haut de gamme ont un second EF89 et circuits accordés.
Une radio assez particulière qui utilise deux tubes pour la moyenne fréquence au lieu d'un seul et une pentode au lieu d'une triode pour l'amplification basse fréquence. Por éviter d'avoir une bande passante trop étroite en AM, le second étage est amorti par un pothentiomètre double, la seconde partie du pothentiomètre règle les aigues. Comme une pentode a un gain plus élevé, il est possible d'utiliser un réglage des aigues et des basses plus élaboré monté dans la contre-réaction. Il y a une commutation parole/musique par relais qui commande plus que le réglage de la tonalité. Par contre, la radio a un accord automatique par moteur. Quand le poste n'est pas bien accordé, il y a un signal qui apparait sur le discriminateur, et celui-ci fait tourner le moteur pour corriger l'accord. Ce système fonctionne aussi bien en AM qu'en FM (il y a 2 circuits accordés dans le descriminateur pour l'accord). Le signal moyenne fréquence prélevé sur la dernière pentode MF commande via la triode ECL80 le discriminateur d'accord automatique. Le discriminateur se compose de deux diodes, c'est la partie "B" du tube EABC80. Le signal pour le moteur est ensuite amplifié par la pentode ECL80. Il y a encore une triode EABC80 qui sert a bloquer le bouton de recherche tant qu'un émetteur n'est pas trouvé. La recherche de postes est donc motorisée, et le moteur stoppe automatiquement sur le premier poste trouvé, à ce moment l'accord automatique entre en jeu pour corriger si nécessaire l'accord. Il est également possible de mettre des émetteurs en mémoire (mécanique), quand on pousse sur la présélection, le moteur recherche la fréquence et fait l'accord automatique. Le controle automatique du gain se fait par un circuit indépendant (CAG retardé) avec une des diodes restantes. Les tuners (syntoniseurs) sont décrits sur une page séparée. Ce sont des récepteurs sans partie amplification audio. |
Publicités - Reklame



