Historique de l'électronique
Enregistreur à cassettes ITT Schaub Lorenz SL55 automatic
Audio
Root » Serveurs » Electro-ménager » Historique » Audio » Compact-Cassette

La Compact Cassette a été lancée par Philips en 1963. Tout comme le CD, la cassette a été développée en Belgique, à Hasselt. Mais que reste-t-il encore de Philips?
-

-

Au début, la qualité sonore était assez médiocre, avec une bande passante qui ne montait pas à plus de 6kHz (un peu mieux que la radio en petites ondes). L'appareil était principalement utilisé comme dictaphone et était fourni avec un microphone. Ce n'est que plus tard, avec l'apparition de musicassettes (cassettes pré-enregistrées) que ce format a été pris au sérieux et que des appareils de plus haute qualité ont été fabriqués.

Plus que les développements technologiques, la cassette compacte a été à la base de mouvements culturels et politiques: les discours de l'Ayatollah Khomeini diffusés en cachette (et sur cassette) et qui on mené à la chute du Shah d'Iran, l'apparition de groupes de musique Underground,... C'était en fait l'internet de l'époque. Dans de nombreux pays, la musique était diffusée sur cassettes plus pratiques plutot que sur disques vinyl.

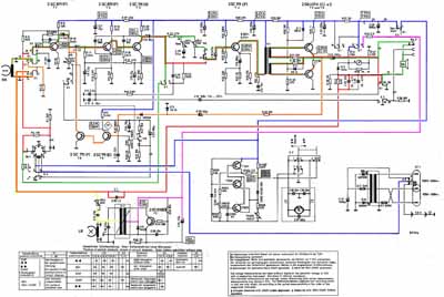
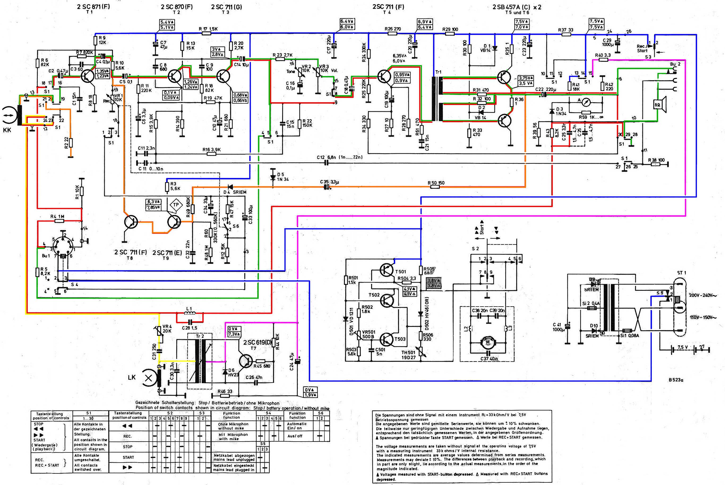
L'appareil ITT Schaub Lorenz SL55 automatic était un appareil de la seconde génération, ce n'était plus un dictaphone ou un jouet, mais un vrai enregistreur dont les caractéristiques étaient très bonnes. ITT était à l'époque une marque haut de gamme.

L'appareil se compose de trois transistors préamplificateurs (le signal de la tête de lecture est comparable à celui d'un microphone). L'amplificateur utilise également trois transistors avec un étage de sortie en montage quasi-complémentaire avec un transformateur déphaseur.

Il y a en plus un régulateur de la vitesse du moteur composé de trois transistors, d'un controle automatique du volume utilisant deux transistors et d'un oscillateur pour l'effacement et le bias à l'enregistrement.

En reproduction (voir le tracé vert), le signal de la tête est amplifié linéairement. Notez le condensateur de 15nF en parallèle sur la tête lors de la lecture. Ce condensateur va former avec la tête un circuit oscillant qui va relever les aigues sans augmenter le bruit de fond (un système très efficace). Il est possible de brancher un écouteur ou un haut parleur externe. Le signal est également envoyé à la fiche DIN.

Lors de l'enregistrement (tracé rouge), le signal de la fiche DIN (microphone ou entrée à haut niveau) est également amplifié. Le signal à haut niveau est réduit au niveau microphone et puis amplifié à nouveau. Le signal amplifié est corrigé (augmentation des fréquences hautes) et puis envoyé à la tête (c'est la même que pour la lecture).

Il y a également un controle automatique du volume qui peut être débranché (tracé orange). La constance de temps est plus courte quand on utilise le microphone. Le CAV réduit le signal à la sortie du premier transistor. Ce qui est bien, c'est que cette commande peut être débranchée pour effectuer des enregistrements de meilleure qualité (cette possibilité sera éliminée des appareils plus récents, ca trop complexe à utiliser pour le public cible).

Et puis il y a l'oscillateur qui commande la tête d'effacement (tracé jaune et alimentation en violet). Une partie du signal est également envoyé à la tête lors de l'enregistrement (bias) pour permettre un enregistrement de qualité (élimination de l'hystérésis à la magnétisation).

C'est le système de bias qui a vraiment permi le développement du magnétophone. Le bias ou prémagnétisation a été découvert fortuitement parce qu'un tube d'un amplificateur oscillait à haute fréquence. L'enregistrement était de meilleure qualité qu'un enregistrement réalisé sans cette oscillation parasite.

La mise en route de l'enregistrement pouvait être commandée sur le microphone même. Avec le réglage du volume d'enregistrement (automatique/manuel), le circuit d'effacement, ect, c'est la preuve qu'il s'agit d'un appareil de haut niveau. Remarquez l'utilisation de transistors de type japonnais et non européens: ces appareils étaient probablement fabriqués au Japon.

De nombreux appareils qui sont venus plus tard ont profité de l'engouement du système, mais souvent ils n'étaient pas de très bonne qualité. Pas d'oscillateur pour l'effacement, mais un simple petit aimant qui était approché de la piste lors de l'enregistrement. Ce système produit un bruit de fond plus important. Plus de réglage manuel du niveau d'enregistrement, mais un système tout-automatique avec constance de temps trop courte (pompage très présent), plus de VU-mètre.

Le modèle à gauche n'a plus de réglage de la tonalité et plus de réglage manuel du niveau d'enregistrement, mais d'un bouton orange pour controler l'état des pile: le bouton s'allume si on appuie dessus si les piles sont encore bonnes. C'est bien moins précis qu'un VU-mètre.

Les symboles qu'on retrouve sur les applications média (le carré pour stop, le triangle vert pointant vers la droite pour la reproduction, le rond rouge pour l'enregistrement,...) sont issus des symboles utilisés pour la première fois sur les enregistreurs à cassettes.

Finalement la haute fidélité a fait son apparition. La marque la plus reconnue était Nakamichi. Dolby B et C, HX Pro (Headroom Extension lors de l'enregistrement). Si la cassette a tenu le coup par rapport au CD (plus fragile et plus cher), il a été irrémédiablement balayé par les lecteurs MP-3.

Publicités - Reklame

-