Eerste kleurentelevisies
| Er werden verschillende opnamebuizen ontworpen, nog voor de tweede wereldoorlog. De eerste systemen waren niet in staat om een goed beeld te geven, maar er werden snel verbeterde systemen ontworpen. De vidiconbuis is één van de laatste ontwerpen. Het systeem had oorspronkelijk maar matige eigenschappen maar was eenvoudig. Gaandeweg werd de vidicon verbeterd, zodat die ook gebruikt kon worden voor broadcast. |
-
|
mechanisch beeldaftastsysteem van Nipkov stapt men over op electronische systemen die een hogere resolutie mogelijk maken. Bij de overgang naar een kleursysteem zal men tijdelijk testen doen met een mechanisch systeem (kleurwiel), maar na een jaar kiest men hier ook voor een volledig electronisch systeem.
De eerste opnamebuizen, de "image dissector" gebruiken het foto-voltaisch effekt. Als fotonen een doel raken worden er electronen vrijgemaakt. Deze electronen worden aangetrokken tot de anode en een deflectiesysteem zorgt ervoor dat er op ieder moment slechts de electronen van een deel van het doel de anode kunnen raken. De andere electronen gaan verloren, waardoor de opnamebuis weinig lichtgevoelig is. Het systeem wordt enkel gebruikt om zeer heldere bronnen op te nemen en zal in de praktijk niet gebruikt worden voor de televisie. De iconoscoop gebruikt de weerstandsvariatie van een halfgeleider als die aan het licht blootgesteld wordt. Hier wordt de lading opgebouwd totdat de electronenstraal het doel op die plaats raakt. De electronenstraal laadt het doel op tot een hoge spanning. De belichte delen verliezen min of meer hun lading. Als het doel opnieuw geladen wordt door de electronenstroom ontstaat er een spanning op de target electrode die een maat is voor de verloren lading. In principe is dit een bruikbaar systeem, maar er zijn nog een paar nadelen: het beeld dat opgevangen wordt is gestoord door secundaire emissie: de electronenstraal de het doel oplaadt slaat electronen uit het doel weg (dit veroorzaakt ruis) en de resolutie is beperkt door de afmetigen van de lichtgevoelige puntjes. Een ander nadeel (dat later een rol zal spelen als men meer natuurgetrouwe weergave wenst) is dat er geen absolute lichtsterkte gematen kan worden. Het doel ("target") wordt gevormd door allemaal kleine condensatoren. Als een beeld donker is, dan levert de iconoscoop een grijs beeld: er is geen vast zwartniveau. De super-iconoscoop en de orticon zijn beide gebaseerd op dezelfde principes, het ene systeem wordt in Europa ontwikkeld en het andere in Amerika. Een doel dat door het licht geraakt wordt straalt electronen uit, die opgevangen worden door een niet-geleidend rooster op korte afstand daarvan. De electronenstraal die het rooster raakt veroorzaakt hier ook een secundaire emissie. Deze vrijgekomen electronen worden versneld door een electrode (dynode). De electronen gaan dan door een vermenigvuldiger. Het system is daardoor zeer gevoelig. Het systeem levert een zeer gedetailleerd beeld en zal in de studio gebruikt worden gedurende een 30-tal jaren. Maar het systeem is bijzonder complex, vergt talrijke afregelingen en heeft een zeer hoge spanning nodig. Een dergelijk systeem kan niet gebruikt worden voor amateur toestellen en voor ENG toepassingen (electronic news gathering). Daarom dat er lange tijd reportages gemaakt werden op 16mm film, de film werd dan in de studio ontwikkeld en gemonteerd. De vidicon opnamebuis is gebaseerd op de werking van de iconoscoop (verandering van de geleiding van een halfgeleider onder invloed van het licht) maar zonder de nadelen ervan. Het doel bestaat uit een laag halfgeleider, de electronen worden door een rooster afgeremd vooraleer ze het doel raken en de electronen raken het doel loodrecht. Deze opnamebuis heeft niet de goede eigenschappen van de orticon, maar is eenvoudig en werkt met relatief lage spanningen. Men experimenteert met andere soorten fotogevoelig materiaal en zo ontstaan er varianten op de vidicon: de plumbicon, de saticon, de newvicon, enz. Deze buizen zijn allemaal gebaseerd op hetzelfde principe en verschillende types buizen kunnen in één schakeling gebruikt worden als de nodige spanningen aangepast worden aan het gebruikt materiaal. De buis wordt in bewakingscameras gebruikt, en ook in de eerste videorecorders (met aparte camera- en recordergedeelte). De opnamebuis is vergelijkbaar met een beeldbuis, maar is kleiner gebouwd en de electronenstroom is veel lager. De electroden zijn de cathode, een stuurelectrode, een versnellingselectrode en een focuselectrode. Een fijnmazig net wordt juist voor het doel geplaatst en zorgt dat de electronen vertraagd worden. Dit net wordt meestal doorverbonden met de focusseringselectrode, maar er kan ook een extra aansluiting voorzien worden. Het doel (target) heeft een aparte aansluiting aan de zijkant zoals een normale beeldbuis, maar de spanning op het doel is laag.
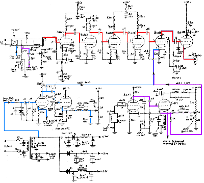
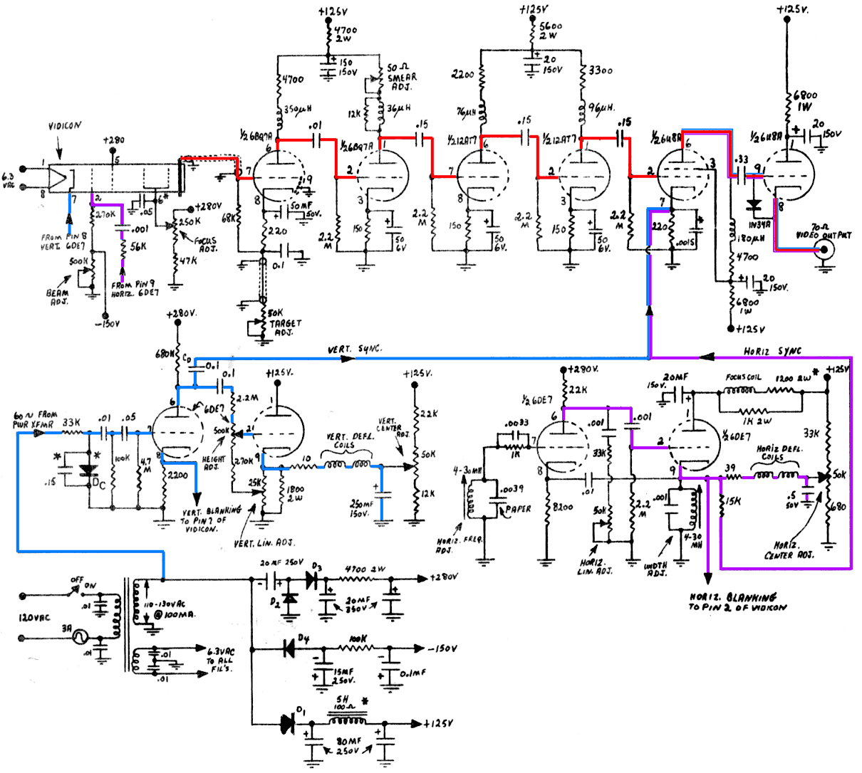
Instellingen van de vidiconbuisWe baseren ons op de schakeling rechts om de instellingen uit te leggen. De schakeling is een standaardschakeling die in veel bewakingssystemen gebruikt werd ("TV EYE").Het spanningsverschil tussen cathode en eerste electrode bepaalt de electronenstraal. Indien de straal te laag is kan het doel niet voldoende geladen worden (het vorig beeld wordt onvoldoende gewist). Er ontstaat een veegeffekt op heldere beeldelementen. De lage electronenstroom produceert ook een laag electrisch signaal, waardoor er meer versterking nodig is (en er dus ook meer ruis ontstaat). Indien de stroomsterkte te hoog is wordt de target vroegtijdig vernietigd. De spanning moet ingesteld worden volgens de waarden van de fabrikant, rekening houdend met de versnellingsspanning. Dit is een vaste instelling. De electronenstroom moet ook onderbroken worden bij de lijn en rasterterugslag om te vermijden dat het beeld gewist zou worden. Wordt de rasterterugslag niet onderdrukt, dan ziet men donkere strepen in beeld (bij een beeldbuis zijn dat heldere strepen). De opnamebuis krijgt dus de raster- en lijnpulsen op de stuurelectrodes. Er is ook een electrostatische focusregeling, zodat de electronenstraal het doel raakt als één enkel punt. Naast de electrostatische focusregeling is ook de optische focusregeling van belang, om een scherp optisch beeld te vormen op het doel. Sommige opnamebuizen hebben ook nog een electromagnetische focussering. Er loopt een kleine gelijkstroom door de spoel. Het doel (target) zit op een lage spanning om secundaire emissie tegen te gaan. De spanning kan vast zijn, of geregeld worden naargelang de beeldinhoud (electronische iris). Een lage spanning veroorzaakt een lage ontlaadstroom en het beeld is nauwelijks zichtbaar. Een te hoge spanning veroorzaakt een te hoge zwartstroom waardoor het bereik van de buis beperkt wordt. De targetspanning regelt zowel de versterking (contrast) als het niveau (helderheid) van het videosignaal. Om de mogelijke beschadiging van het doel tegen te gaan wordt soms de spanning van de opnamebuis onderdrukt als de lijn of rasterafbuiging wegvalt. Vaak wordt de hoogspanning opgewerkt door de lijneindtrap (zoals bij een klassieke beeldbuis). De afbuighoek is beperkt, de electronen bewegen relatief traag en de opnamebuis is klein: een heel beperkte stroom is voldoende voor de afbuiging. De schakeling die hier getoond wordt gebruikt de netfrekwentie voor de rasterfrekwentie en een vrijlopende oscillator voor de lijnfrekwentie. Dit systeem kan enkel gebruikt worden voor bewakingssystemen (CCTV) Het signaal van de target moet ongeveer 10.000× versterkt worden. De opnamebuis zelf produceert een zuiver signaal, en de ruisbijdrage wordt vooral geleverd door de versterkertrappen. Er worden afgestemde kringen gebruikt om de hoge frekwenties wat op te slingeren en het beeld scherper te doen lijken. Zonder deze correctie zou het beeld nogal flets zijn. Om een correct videosignaal te bekomen moeten er nog synchronisatiepulsen bijgevoegd worden (raster en lijn). Als het beeld niet afgetast wordt (onderdrukking van de electronenstraal) dat zit het videoniveau op een minimumwaarde (pedestal). Dit niveau, dat gemeten wordt juist na de synchronisatiepuls wordt in sommige monitoren gebruikt om de versterking in te stellen. Dit niveau kan veranderen ten gevolge van de temperatuur. De vidicon en aanverwanten zal verder gebruikt worden met transistorversterkers, zoals op het laatste schema die afkomstig is van een bouwkit om zelf een bewakingscamera te bouwen. Het schema vertoont gebreken maar toont aan
De voorloper van de time base correctieDe vidiconbuis werd ook gebruikt in (min of meer) draagbare videorecorders. In een normale opstelling levert een master klok de timing voor het gehele systeem. De klok stuurt de opnamebuis en de videorecorder. Het beeld werd opgenomen dankzij een sneldraaiende drum (om een voldoende snelheid tape-videokop te bekomen). Door bewegingen van de reporter kon de snelheid van de drum veranderen, waardoor het signaal niet meer correct opgenomen wordt.Dit probleem werd op een zeer ingenieuze wijze opgelost door de recorder zelf de timing te leveren aan de hand van de rotatiesnelheid van de drum. Als de drum wat trager zou draaien, dan wordt het beeld ook wat trager gescand. Er is een perfekte gelijkloop tussen het beeld van de camera en de recorder. Als men de band afspeelt kan men niet weten dat die opgenomen werd terwijl de drum geen constante snelheid had. Achteraf wordt de band weergegeven op een studio-toestel. Dit toestel is vaak uitgerust met een time base correctie die nieuwe synchronisatietops genereert zodat men aan de minimale broadcast normen kan voldoen. |
Publicités - Reklame


