Geschiedenis van de televisie
-
Het onderzoek rondom kleurtelevisies begint na de tweede wereldoorlog. De eerste testen worden gedaan met drie beeldbuizen die met kleurfilters uitgerust zijn en die het signaal naar een scherm projecteren door middel van een lenzenstelsel. Het grootste probleem is immers een systeem te vinden om kleur weer te geven met één enkele beeldbuis. Philips doet verschillende proeven, eerst met de amerikaanse NTSC norm, maar die voldoet niet in de praktijk. Philips probeert een systeem met twee onafhankelijke draaggolven maar stapt uiteindelijk over naar het PAL systeem dat een goed beeld produceert, zelfs als het antennesignaal gestoord is. Hier hebben de eerste beeldbuizen een ronde voorkant zoals de eerste zwart-wit buizen van voor de oorlog. Er worden toestellen bij de werknemers van Philips geplaatst, maar om de testen zo natuurgetrouw te laten verlopen moeten er natuurlijk ook uitzendingen in kleur zijn. Philips krijgt de toelating om proefuitzendingen in kleur te realiseren. Ook de andere buurtbewoners konden deze programma's ontvangen (maar natuurlijk in zwart-wit), want enkel bepaalde mensen van Philips konden over een kleurtelevisie beschikken. De testen lopen goed en de eerste toestellen worden twee jaar later op de markt gebracht. Ondertussen begint ook de NOS uitzendingen in kleur te realiseren. De chassis K1 tot en met K5 waren prototypes die niet voor de verkoop voorzien waren. Ze hebben allemaal een beeldbuis met nogal bolvormige front. Er bestaan waarschijnlijk geen prototypes meer van het K5-chassis.
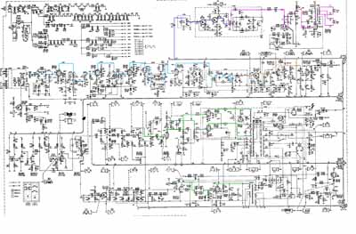
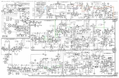
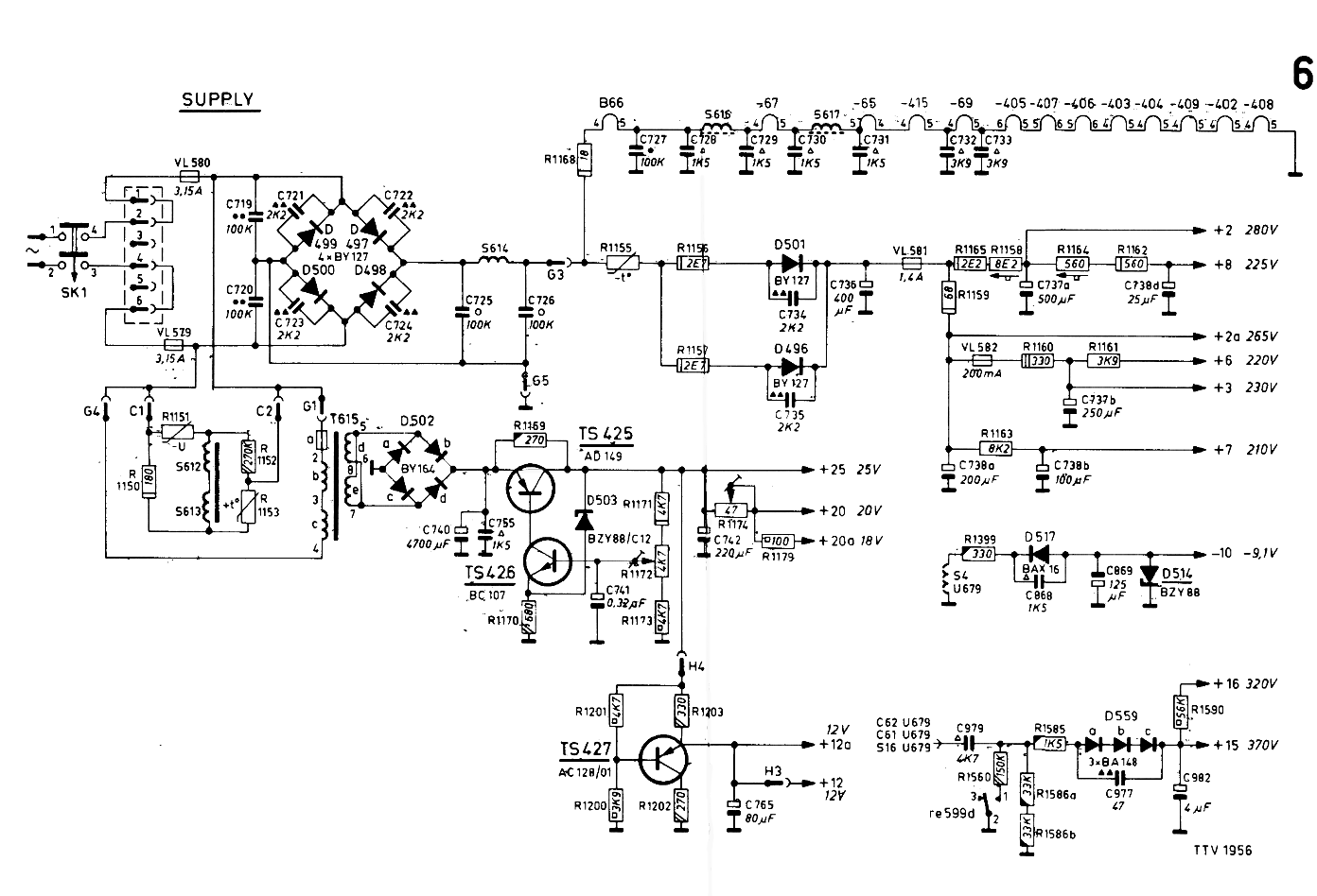
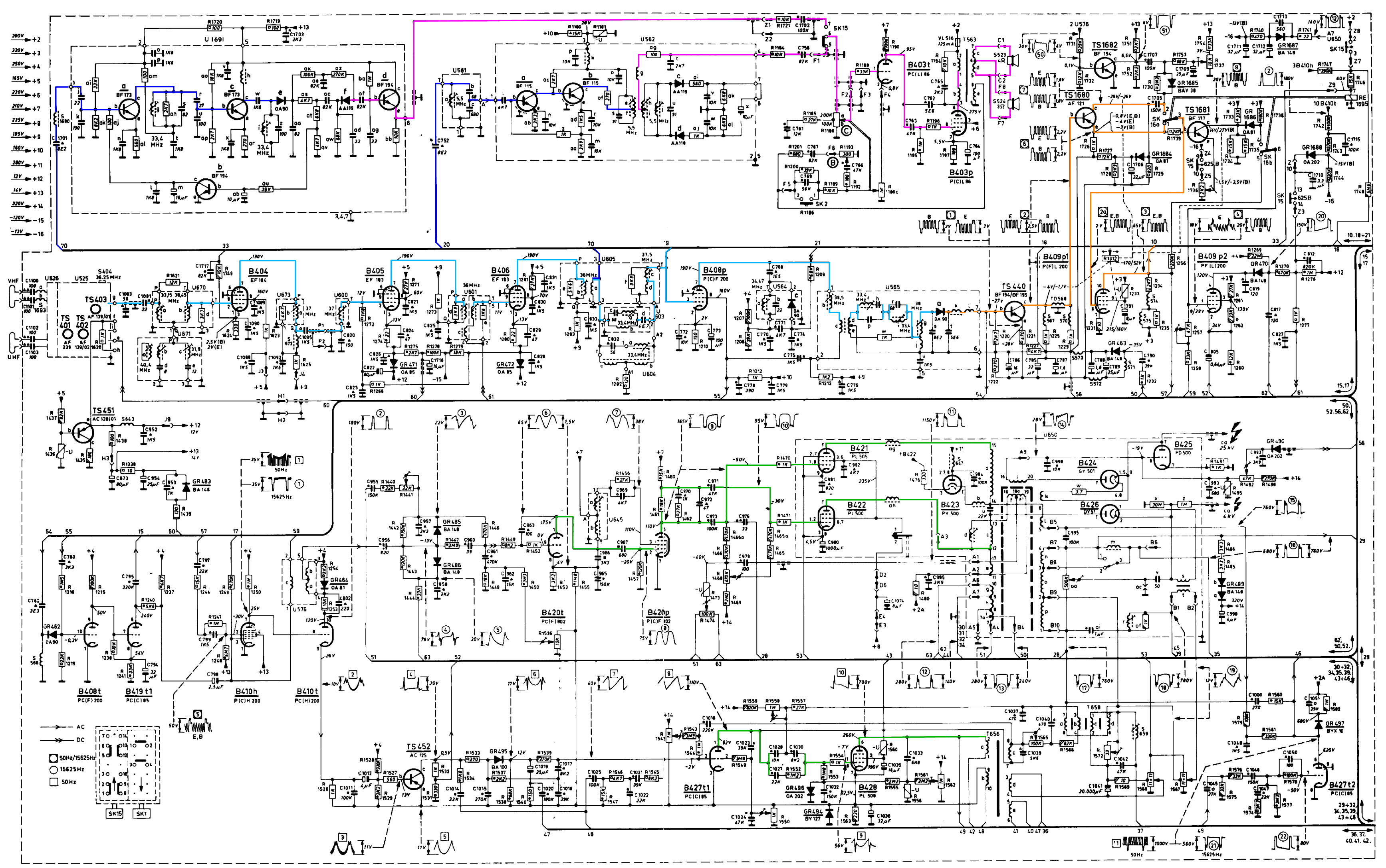
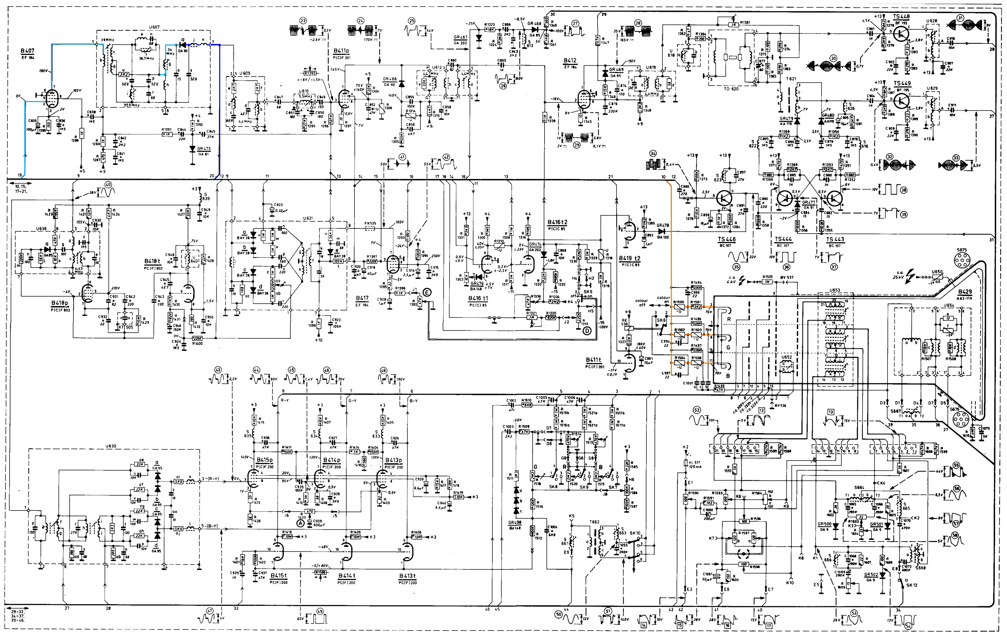
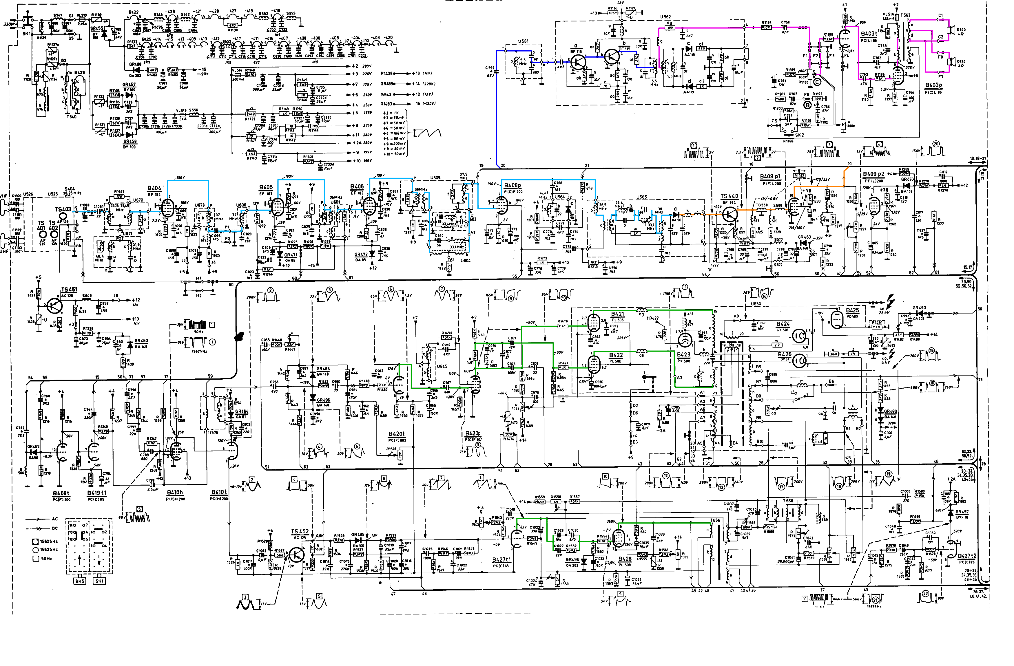
Chassis K6Dit eerste chassis gebruikt een hybride technologie (buizen en transistoren), maar met voornamelijk buizen. Omdat het toestel een afbuighoek van 90° heeft moeten de afbuigstromen sterker zijn, maar ook de correcties moeten sterker ingrijpen. Toch volstaan passieve componenten voor de instellingen (regelbare weerstanden).Het beeld is duidelijk minder fel dan die van een zwart-wit televisie (die toen goed op punt was) en de mensen werden aangeraden televisie te kijken in een verduisterde ruimte. Het schaduwmasker slorpte ongeveer 70% van de electronen op. Er worden enkel transistoren gebruikt in het middenfrekwent gedeelte voor het geluid, in de eerste videotrap en in enkele kleurschakelingen. Voor het belgenland fabriceert men een chassis dat aangepast is aan de belgische norm (AM geluid en positieve beeldmodulatie). Deze belgische norm heeft nooit een CCIR-erkenning gekregen. De belgische norm werd geselecteerd door de knop op de positie "B" te zetten, terwijl de echte B-norm (CCIR B en G) geselecteerd werd op de positie "E". En de echte CCIR-E norm is in feite de franse 819 norm, die geselecteerd werd op de positie "F1". Volgt u nog? Gelukkig was het toestel enkel voorzien voor de PAL kleurennorm. In Engeland bestond deze uitvoering onder het chassis G6 die aangepast werd voor de engelse markt met de 405 lijnen (CCIR-A norm, enkel zwart-wit) en de 625 lijnen in kleur. De engelse 625 lijnen verschilde van de continentale 625 lijnen met een andere frekwentie van de geluidsdraaggolf (6MHz in plaats van 5.5MHz). Deze toestellen werden in Engeland gefabriceerd uitsluitend voor de lokale markt. Wat valt er speciaal aan te merken aan dit chassis? Er worden 4 middenfrekwent trappen gebruikt en er zijn twee gescheiden beelddetectie trappen gebruikt, één voor de helderheid, en één voor de kleurhulpdraaggolf en de geluidshulpdraaggolf. Het belgisch toestel heeft een extra AM trap voor het geluid en een omkeertrap voor het videosignaal. De AM trap is hier ook uitgerust met een noise gate die via de link besproken wordt. Dezelfde noise gate zal ook bij het K7 chassis gebruikt worden. De lijnuitgangstrap gebruikt twee vermogenpentodes die min-of-meer parallel werken (dit lukt niet zo goed als men twee verschillende pentodes gebruikt en men moest de balans heel nauwkeurig instellen om te vermijden dat één van de pentodes rood oplichtte). De vermogenspentodes (lijn) zijn een PL500 en een PL505 en een PL508 voor het raster. Er wordt een kleurverschilsignaal naar de beelduis gestuurd: de helderheid (zwart-wit) wordt naar alle cathodes gestuurd, terwijl het kleurverschilsignaal naar de roosters gestuurd wordt. Het was toen moeilijk om perfect lineaire schakelingen te bouwen en een fout zou snel opvallen door kleurfranjes in beeld. Door te werken met een helderheidssignaal met normale bandbreedte en drie kleurverschilsignalen met beperkte bandbreedte vallen de eventuele verschillen niet op. Deze manier van doen zal in de volgende chassis verder gebruikt worden, al betekent dit dat er een extra buis nodig is. Het helderheidssignaal passert door een kamfilter (TD560) om de kleurinformatie uit het helderheidssignaal te filteren. Deze filter zorgt eveneens voor een heel lichte vertraging van het helderheidssignaal ten opzichte van het kleursignaal. Dit is nodig omdat het kleursignaal met zijn beperktere bandbreedte een langere looptijd heeft.
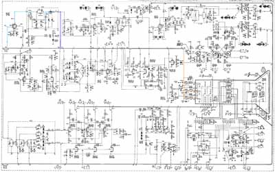
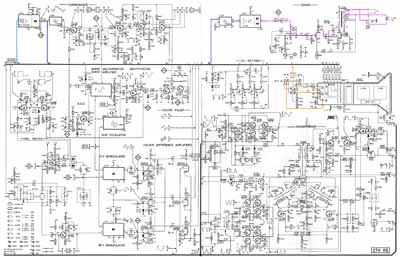
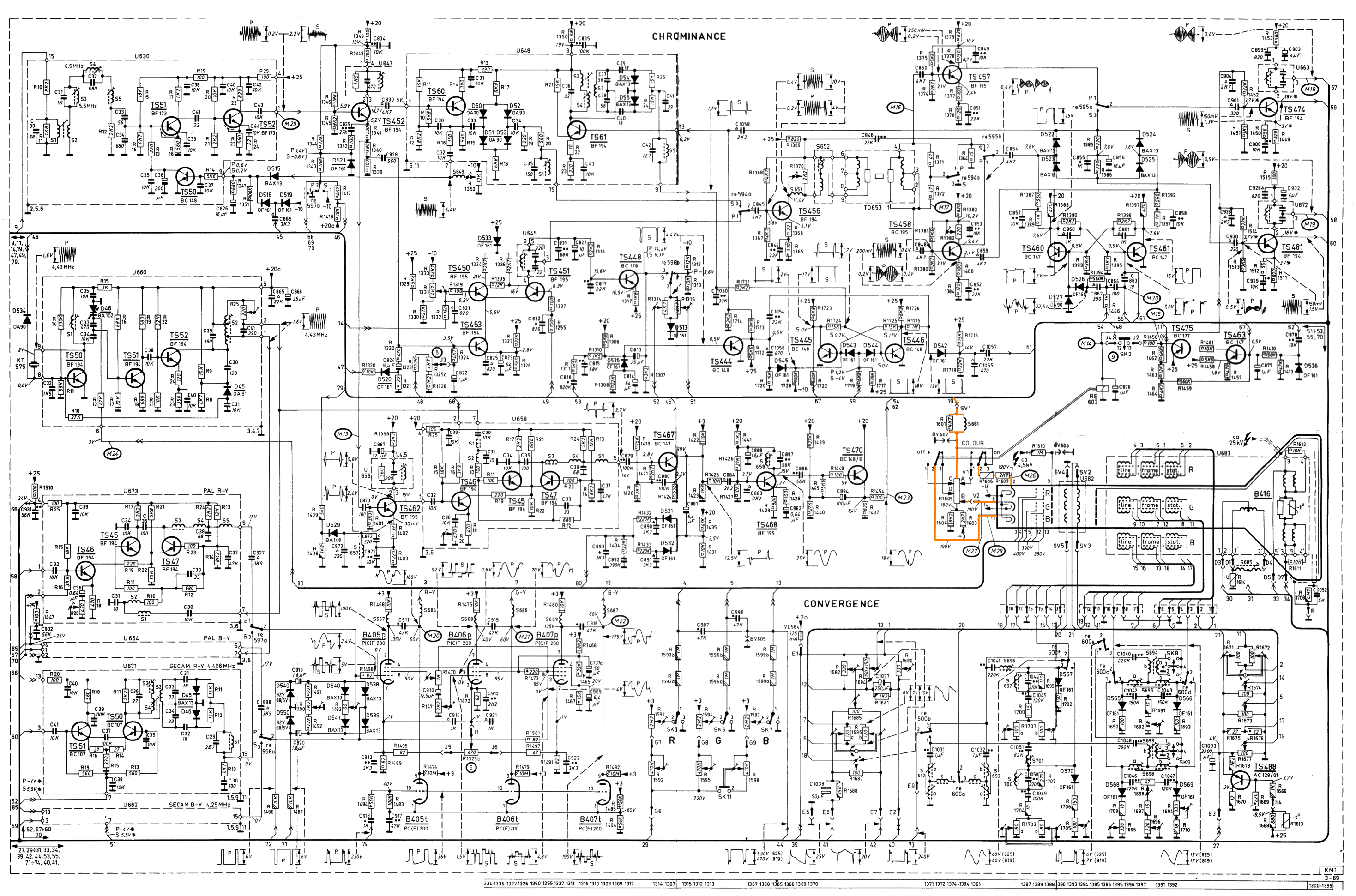
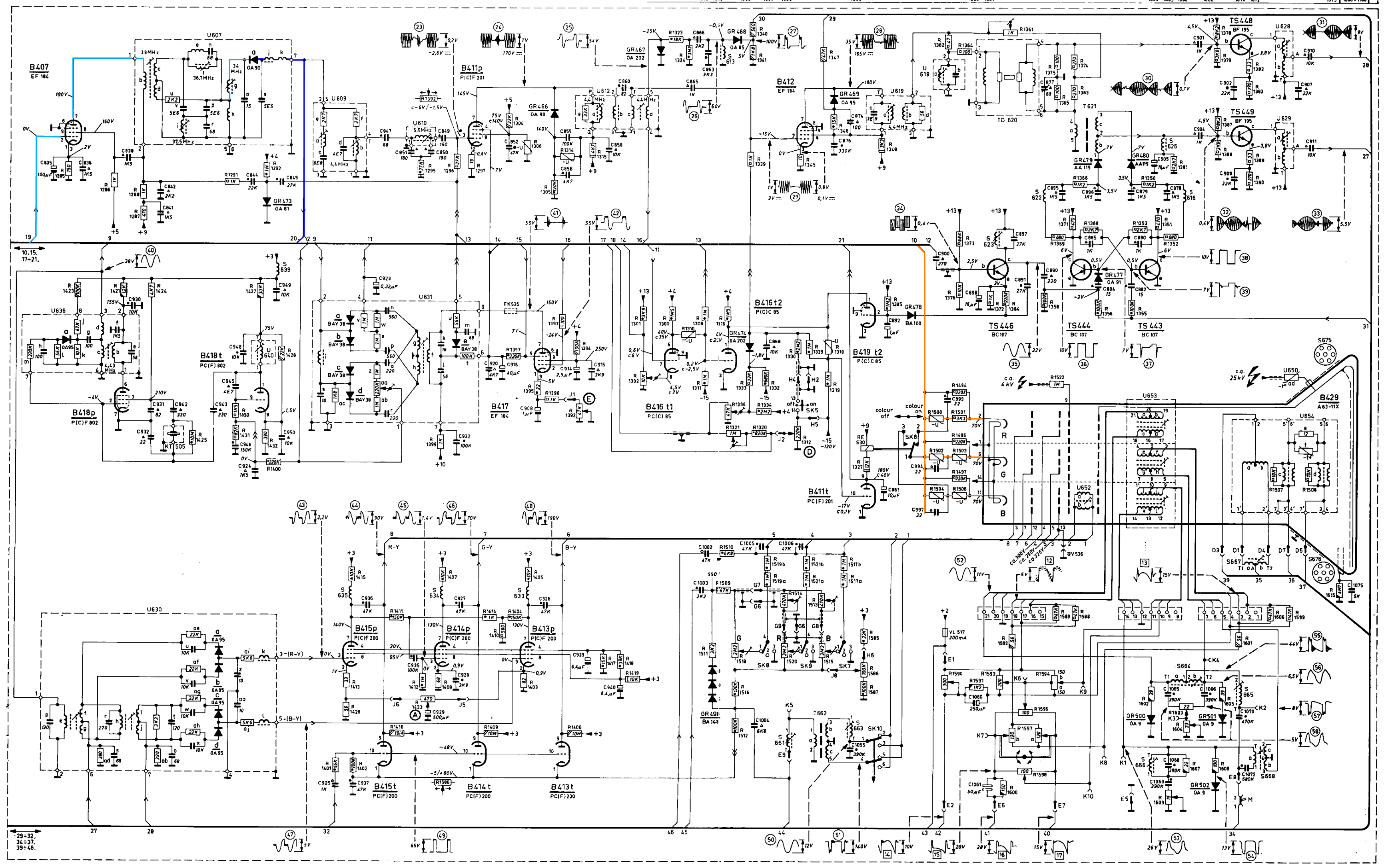
Chassis K7Het chassis K6 wordt door het K7-chassis gevolgd. Dit chassis bestaat ook in multinorm-uitvoering, de KM-1 (kleur-multinorm 1). De normverschillen zijn hier ingrijpender dan bij het belgische K6 chassis want het toestel kan ook SECAM en de 819 norm aan. De complexiteit maakte een multinorm toestel dubbel zo duur en half zo betrouwbaar, maar gelukkig zetten de televisiedistributiebedrijven de normen om, zodat een multinorm niet meer nodig is halverwegen de jaren 1970. Behalve natuurlijk in Frankrijk, waar ze slechts drie zenders hebben en twee verschillende normen.Bij een multinorm toestel moeten de beeldcorrecties (convergentie en kleurzuiverheid) dubbel uitgevoerd worden (625 en 819 lijnen), alsook de audio trappen (AM en FM, de kleurdetectie (PAL en SECAM), de synchronisatie en de automatische versterkingsregeling. De verschillende relais maakten na een tijd slechte contacten en vaak werden die in een later tijdstip overbrugd als de gebruiker overschakelde naar teledistributie. In vergelijking met de K6 zijn er meer trappen getransistoriseerd. Het middenfrekwent gedeelte, de synchronisatie scheider en een deel van de kleurverwerking is nu ook met transistoren uitgerust. Er worden nog buizen in de volgende deelschakelingen gebruikt: de lijneindtrap en stuurtrap, de rastereindtrap, de beeldbuisaansturing (helderheid en kleurverschilsignalen). Ook het geluid is nog met buizen en zal het blijven tot de laatste buizenchassis. De vermogenspentodes zijn PL509 en PL504 (lijneindtrap) et PL508 (rastereindtrap). Het SECAM signaal heeft een dubbele FM discriminator nodig (op 4.25 en 4.406MHz), terwijl er bij PAL een lokale oscillator en een synchrone demodulator gebruikt wordt om uit één AM signaal twee componenten te halen. De convergentieinstellingen moeten dubbel uitgevoerd worden, en dit terwijl de 819 norm nooit kleur zal hebben. Het apparaat kan volgende normen aan:
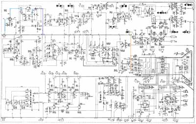
Chassis K8Bij het chassis K8 wordt er voor het eerst een afbuiging van 110° gebruikt voor de beeldbuis. De correcties moeten sterker uitgevoerd worden en men gebruikt aktieve schakelingen met transistoren. Het verbruikt stijgt weer tot 400W.De rastereindtrap is nog steeds een PL508 maar de lijneindtrap is gescheiden: een deel afbuiging en een deel hoogspanning, waarbij beide delen een PL509 gebruiken (deze buis zal tijdens de productie vervangen worden door een zwaardere PL519.
Deze chassis is de laatste hybride chassis, waarbij de eindtrappen nog steeds met buizen uitgerust zijn. Ook het audio-gedeelte gebruikt een blijkbaar onverslijtbare PCL86. Deze buis samen met enkele externe componenten kon een even goed geluid leveren als een schakeling uitgerust met 4 transistoren en een sterke tegenkoppeling. In de tijd heb ik een heel goede hifi versterker gebouwd met 4 PCL86 (in plaats van de combinatie ECC83+EL84)
Chassis K9 en K11Beide chassis lijken sterk op elkaar. Door het gebruik van een verbeterde beeldbuis kon de convergentie vereenvoudigd worden in de K11. Het schema kan weer op één bladzijde: het inwendige van de modules wordt niet meer getoond, het is de bedoeling dat bij defekt de volledige module vervangen wordt.Er is maar één buis over, de beeldbuis. Voor de lijneindtrap gebruikt men twee parallel geschakelde BU108 (die later vervangen zal worden door een enkele BU208). Bij bepaalde productieruns gebruikt men een 2SD350A. De rastereindtrap bestaat uit een klassieke push-pull eindtrap, maar voor het audio-gedeelte gebruikt men een vreemde constructie, afgeleid van de "Bi-Amp" Philips audioversterkers met buizen. Deze versterkers hebben een hoge uitgangsweerstand, waardoor een transfo nodig is. De lijneindtrap levert eveneens de secundaire spanningen: de oscillator kan zelfstandig opstarten op de 155V (gestabiliseerde netspanning), en dan komen de hulpspanningen eveneens op. Deze werkwijze zal in de verschillende uitvoeringen verder gebruikt worden. |
Publicités - Reklame









