Geschiedenis van de televisie
| De Teleavia P111 is een nogal uitzonderlijke televisie, daarom krijgt het toestel een aparte plaats. |
-
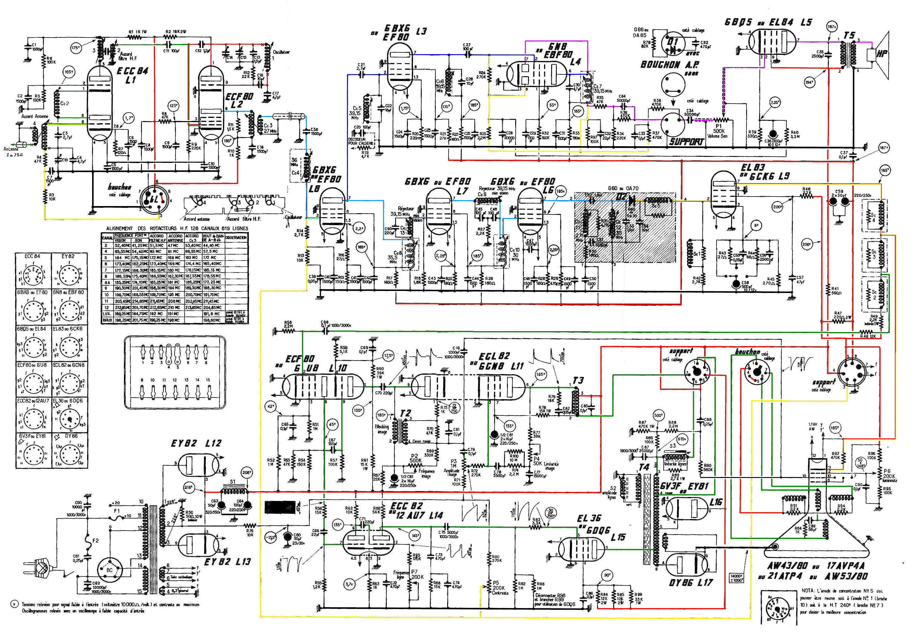
Teleavia P111 Verschillende reklamefolders tonen een op de grond zittende persoon, waarbij het scherm naar beneden gedraaid is. Dit was absoluut "not done" in die tijd. Volgens de reklame had het toestel ook geen stroomaansluiting of antenne nodig. Het toestel werd eind jaren 1950 gelanceerd, maar het franse publiek was veel te traditioneel ingesteld en het toestel trok de aandacht, maar dan vooral in het buitenland, waar het toestel onmogelijk gebruikt kon worden (maar daarover meer later). Het merk Teleavia bestaat nog steeds en maakt nog altijd televisietoestellen (met een vlak scherm, natuurlijk), maar met gebogen hoeken. Het shcerm heeft geen boord, het beeld is zichtbaar op de volledige voorplaat (zoals een moderne smartphone). Het toestel heeft een voedingstransfo: dit is nodig want er waren toen nog verschillende electriciteitsnetten: 110V, 130V en 220V. Later zal men een spanningsverdubbelaar gebruiken om van 110V 250V te maken, maar zo'n schakeling werkt niet efficient met buizen, vanwege de spanningsval over twee buizen. Zolang men niet kan beschikken over efficiente siliciumdiodes zal men een transfo moeten gebruiken. DE voedingstransfo levert zowel de gloeispanning als de hoogspanning. Voor de hoogspanning worden er twee EY82 diodes gebruikt. Het is een dubbelfasige gelijkrichter, waardoor de rimpel minder aanwezig is. Na de gelijkrichting komt zelfs een smoorspoel! De hoogfrekwente trap is klassiek voor de tijd, met een cascodeschakeling met dubbele triode ECC84 als hoogfrekwente versterkertrap (de dubbele triode zal vervangen worden door een PCC88 in toestellen zonder voedingstransfo). De mengtraps is gebouwd rond een ECF80, een buis die speciaal voor dergelijke toepassingen gebouwd werd (de buis zal vervangen worden door een PCF80). De triode is de oscillator, de pentode de mengtrap. Het toestel kon enkel VHF-I en VHF-III ontvangen, de enige banden die toen in gebruik waren. De tuner is een losse unit die gemakkelijk vervangen kan worden. Voor het middenfrekwent gedeelte gebruikt men drie EF80 terwijl men toen al kon beschikken over de EF184 die beter geschikt was voor de hoge frekwenties en hoge bandbreedte die nodig zijn bij televisies. De EF184 zijn zelfs pin-compatibel, waarbij enkel de afstemming een beetje moet aangepast worden. Het signaal wordt tenslotte gedetecteerd en vormt het videosignaal (met positieve modulatie, dit is te zien aan de diode die "omgekeerd" geplaatst is naar onze normen). De videobuis is een EL83 een buis die speciaal voor die taak ontworpen werd. Vanwege de hoge lijnfrekwentie is de videobandbreedte ook dubbel zo groot en moet men een zwaardere buis gebruiken. Er is een fouje in de schakeling: de weeerstand R92 van 470kΩ maakt normaal een verbinding met de gloeidraad, niet met de cathode van de beeldbuis. De weerstand zorgt ervoor dat de gloeidraad op ongeveer hetzelfde potentiaal zit als de cathode, want de beeldbuis heeft zijn eigen wikkeling op de voedingstransfo. Wat betreft het audio-gedeelte hebben we een gemeenschappelijke middenfrekwent pentode (audio en video) gevolgd door twee pentodes EF80 en EBF80. Het signaal is AM gemoduleerd in Frankrijk. De eindtrap is een EL84. De intercarrier kan niet gebruikt worden in Frankrijk (zou twee buizen uitgespaard hebben). De synchronisatiepulsen worden aan de videotrap afgenomen, versterkt door een ECF80 (pentode-gedeelte). Een hoogdoorlaatfilter laat enkel de lijnpulsen door naar een dubbele triode ECC82 die volledig in saturatie gestuurd wordt. De eindtrap is een EL36 die men in veel toestellen uit die tijd zal aantreffen (onder de vorm van een PL36). Voor het raster is de werkwijze wat complexer: men gebruikt een blokkeeroscillator die door de rasterpuls getriggerd wordt. De eindtrap is een ECL82. Wat is er nog speciaal aan deze schakeling? Het toestel werd gemaakt voor de franse markt (819 lijnen, positieve beeldmodulatie en AM geluid). Dit systeem werd gelanceerd om de franse markt te beschermen, maar protectionisme is een zwaard dat aan beide kanten snijd en dit toestel kon niet geëxporteerd worden, want niemand anders gebruikte die norm. Er is geen automatische gain regeling (zeer moeilijk te voorzien in toestellen die met positieve beeldmodulatie werken). De contrastregeling werkt op de eerste hoogfrekwente trap (cascodetrap) en op de eerst middenfrekwente trap. Dit systeem heeft als gevolg dat de synchronisatie kan wegvallen als men het contrast verlaagt omdat de syncpulsen dan te zwak worden. Er is wel een automatische volumeregeling op de eerste middenfrekwente audiotrap, dit is noodzakelijk voor AM geluid. Om de stoorpulsen op AM te onderdrukken heeft men een extra schakeling voorzien die achteraf ingebouwd werd. De schakeling die hier gebruikt wordt is eenvoudig, zie voor de uitleg over een dergelijke schakeling de pagina over AM geluid bij televisie. Als men een binnenshuis antenne gebruikt, dan worden ook de lokale stoorbronnen opgenomen, waaronder de lijnpulsen van de beeldeindtrap. Hoewel het toestel met een VHF tuner uitgerust werd, kon het toestel maar één zender ontvangen, namelijk de eerste franse zender. Als het tweede en derde net gelanceerd zullen worden, dan zal het in 625 lijnen zijn (maar nog steeds met een positieve modulatie en AM geluid, beide minderwaardig). Al een paar jaren na de lancering van het toestel is er sprake van de 819 lijnen op te doeken, wat het toestel volledig onbruikbaar zou maken. Het toestel ombouwen tot een multinorm toestel zou teveel gekost hebben, maar in de jaren 1960 tot 1970 moesten alle franse toestellen noodgedwongen multinorm zijn (819 + 625 lijnen). Uiteindelijk werd het eerste net ook uitgezonden in 625 lijnen. |
Publicités - Reklame


