Raduga
| De Unie der Socialistische en Sovjetische Republieken begon te experimenteren met het raster-sekwentieel kleursysteem toen men het systeem in de Verenigde Staten opzij schoof ten voordelen van de NTSC norm. |
-
|
De experimenten met kleurentelevisie beginnen in 1953. Men gebruikte een systeem dat relatief gemakkelijk geïmplementeerd kan worden, namelijk het raster-sekwentieel systeem, waarbij slechts beperke aanpassingen aan een zwart-wit televisie moesten aangebracht worden. Een raster wordt in één kleur verzonden, het volgend raster in een volgende kleur, enz. Vòòr het zwart-wit televisiescherm plaatste men een draaiende kleurwiel en in de camera gebruikte men een draaiende cylinder.
Het systeem was gebaseerd op het amerikaans CBS raster-sekwentieel kleursysteem. De toestellen volgens dit systeem produceerden een beter beeld dan het concurrerend systeem van RCA (NTSC systeem) dat toen nog niet op punt was. Maar het videosysteem was niet compatibel met bestaande uitzendingen, en men moest dus snel beslissen om een definitieve norm vast te leggen want er komen meer en meer televisies op de markt. In 1953 hebben de Verenigde Staten beslist om het kleursekwentieel systeem definitief te dumpen ten voordele van het systeem van RCA. Maar de USSR begint nu maar pas met testuitzendingen in kleur, gebaseerd op het CBS systeem. Dit systeem voldoet echter niet en men zal tot eind jaren 1960 moeten wachten om uitzendingen in kleur te hebben in Rusland (en Europa). Dit is een televisie die gebaseerd is op het raster-sekwentieel systeem. "Raduga" wilt regenboor zeggen en dezelfde naam zal opnieuw gebruikt worden meer dan 10 jaar later voor de televisies volgens de SECAM norm.
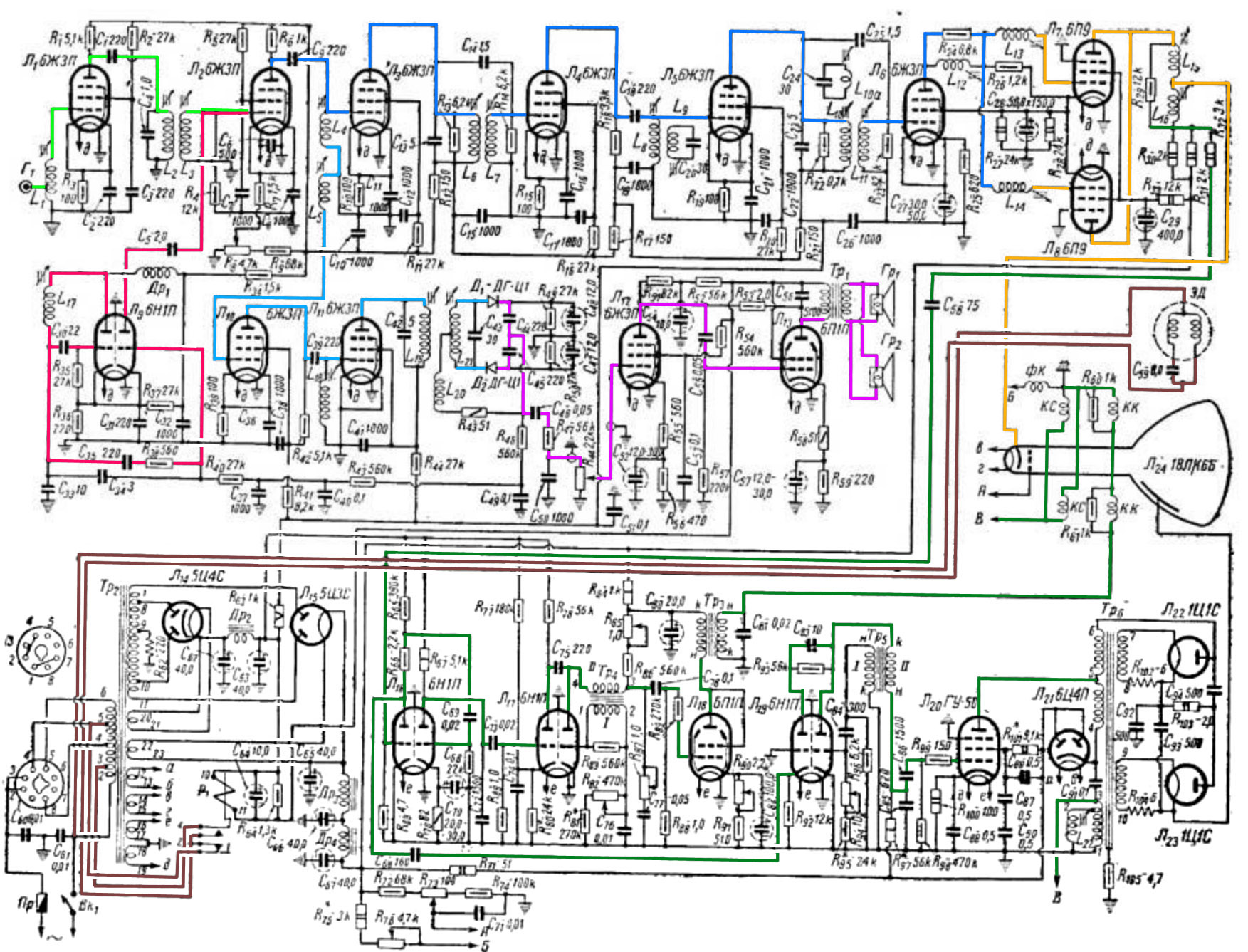
Er is een hoogfrekwente pentode gevolgd door 5 middenfrekwent pentodes. De locale oscillator is een dubbele triode. Er is geen detectie met diode van het videosignaal (het radiofrekwent signaal is in amplitude gemoduleerd door het videosignaal). Men gebruikt hier een pentode die een lage schermroosterspanning heeft zodat slechts de helft van het radiosignaal versterkt wordt en men dus een soort detectie bekomt. Dit is te doen met het videosignaal waar een vervorming van 10% nauwelijks zichtbaar is op de eenvoudige beeldbuizen van die tijd. Het audiogedeelte is van een hoge kwaliteit met FM geluid. Er is geen interdraaggolf, het middenfrekwent signaal wordt afgetapt na de eerste middenfrekwent pentode. We hebben dan een FM discriminator, een audio pentode en een beam tetrode om de twee luidsprekers aan te sturen. Voor de raster- en lijnafbuiging gebruikt men een blokkeeroscillator die een synchronisatiepuls krijgt via het videosignaal. Dit eenvoudig systeem is zeer gevoelig voor parasieten, zeker met een negatieve video-modulatie (de stoorpulsen lijken op de synchronisatiepulsen). In Europa en in de Verenigde Staten gebruikt men al lang een vrijlopende oscillator die met een reactantiebuis gestuurd wordt. Met dit systeem kan men vermijden dat een stoorpuls de afbuiging zou verstoren. De beeldbuis is bijzonder eenvoudig en lijkt geen focussereing te hebben (misschien een externe magnetische focussering?). Het beeld is zeker niet kwalitatief, en dit wordt ook veroorzaakt door de video-detector die geen diode gebruikt. Als men de schakeling bekijkt, dan merkt men op dat er geen tegenkoppeling is (automatische gainregeling), dat nochtans gemakkelijk te realiseren is bij negatieve videomodulatie. Dit is niet nodig voor het geluid (FM), maar wel voor het beeld. De fading veroorzaakt een verandering van het contrast. De contrastregeling gebeurt op het eerste middenfrekwent trap en de helderheid stelt men in door de spanning op het rooster van de beeldbuis te veranderen. De televisie heeft een voedingstransfo zodat het toestel geïsoleerd van het net is. Dankzij de voedingstransfo kan men twee verschillende spanningen voorzien: een lagere spanning voor de voorversterking en een hogere spanning voor de afbuiging, de video en audio eindtrappen. Het gedeelte kleur is beperkt tot een synchrone motor die de kleurenwiel eigen aan ket kleursekwentieel doet draaien. Terwijl het CBS systeem de rasterpulsen gebruikt voor de synchronisatie gebruikt deze televisie de netfrekwentie om de motor te synchroniseren. Dit is een eenvoudige en goede oplossing omdat de rasterfrekwentie van de televisie toen aan de netfrekwentie gekoppeld was (dat was zo in alle landen). Het relais dat voor de omschakeling van de motor dient lijkt op het eerste zicht geen funktie te hebben, omdat die gewoon gevoed wordt door het verbruik van de audio eindtrap. Het lijkt alsof men de spoel van het relais als smoorspoel gebruik want er is geen controle van de relaispanning. De bedoeling is waarschijnlijk de kleurenwiel te laten starten op een lagere spanning terwijl dat de buizen opwarmen. Er is geen fase-omkering, enkel een hogere voedingspanning als de audiotrappen opgewarmd zijn. Er moet een manuele manier zijn om de kleurenwiel te verschuiven, want de scanfrekwentie van de televisie is wel gekoppeld aan de frekwentie van het electriciteits net, maar niet aan de fase. |
Publicités - Reklame
