| Buizen voor lijneindtrappen kunnen een hoog vermogen leveren, maar geven ook meer vervorming. Een mogelijke manier om de vervorming te verminderen is een sturing op g2 (schermrooster). De pentode gaat dan werken als een veredelde triode, dit is de "enhanced triode" schakeling. |
-
Aansturing op g2 (single ended eindtrap)BasisprincipeDe g2-aansturing (sturing op het schermrooster) wordt vaker gebruikt als de lijneindtrap gebruikt wordt als single ended versterker (geen push pull). Door een dergelijke aansturing produceert de eindtrap veel minder vervorming. De spanningszwaai voor een sturing op g2 is bijna identiek als voor een sturing op g1, maar er moet vermogen geleverd worden (een beetje zoals bij een transistorversterker). Het totaal vermogen dat uit de eintrap gehaald kan worden met g2-sturing is ook ongeveer 10% lager dan het vermogen dat beschikbaar is met een gewone sturing op g1. In dit opzichte is een g2 sturing vergelijkbaar met een UL schakeling (ultralineair), maar er is geen speciale transfo nodig met extra primaire aftakkingen. Vanwege de vergelijking met de pentode/triode/UL schakeling wordt deze aansluiting soms enhanced triode genoemd. Door de sturing op g2 neigen de eigenschappen van de buis meer naar een triode, maar zonder de nadelen ervan (sterke vermindering van het vermogen). Als stuurtrap in dit voorbeeld gebruikt men een EL84. De pentode wordt als triode geschakeld in gemeenschappelijke anodeschakeling (cathodevolger). In een dergelijke schakeling loopt er door de stuurbuis een stroom van maximaal 35mA (25mA door de cathodeweerstand en maximaal 10mA door g2). In een dergelijke schakeling heeft men een anodedissipatie van ongeveer 5W in de EL84, wat ruim onder de limiet van de buis ligt. De eindbuis is een PL519, een moderne versie van de PL509, waarmee we een vermogen van 8 à 10W halen (men kan 13W halen als de hoogspanning op de eindtrap verhoogd wordt naar 500V). De impedantie van de transfo moet aan primaire kant 1.75kΩ bedragen (2.2kΩ bij 500V). De enhanced triodeschakeling geeft een extreem lage vervorming, men zou onder de 1% vervorming moeten zitten zonder extra tegenkoppeling. Wat ook zeer belangrijk is, is dat de intermodulatievervorming zeer sterk gereduceerd is. De intermodulatievervorming is eigen aan de buizenversterkers en maken van het geluid een "soep" waarbij de instrumenten van een orkest minder goed gedefinieerd zijn. De single ended schakelingen hebben een zeer goede netfilter nodig, bestaande uit minimum twee elko's van 220µF in parallel. Een rimpel is veel sterker hoorbaar in een SE schakeling, waarbij de voeding altijd de maximale stroom moet leveren, ook bij lage volumes. Er is geen onderdrukking van de brom door de symmetrische constructie van een balansversterker. De tweede schakeling is volledig uitgewerkt en laat ons toe de afregelprocedure uit te leggen, maar eerst twee opmerkingen:
AfregelprocedureDe PL509/PL519 heeft een wisselspanning nodig van 40V effektief, dus ongeveer 120V top tot top. Als de g2 spanning 187V bedraagt, dan moet de spanning kunnen gaan van 127 tot 247V. Hier vertonen veel ontwerpen gebreken.We gaan de swing van de stuurtrap (drivertrap) met een skoop controleren (probe op de cathode van de stuurtrap). We zetten een sinusvormige testsignaal op de ingang van de versterker, een dummy load op de uitgang, en de polarisatie van de eindtrap op de meest negatieve voorspanning. We moeten een spanningszwaai van 120V kunnen halen zonder afplatting boven of onder. Eventueel de cathodespanning bijstellen. We regelen de spanning door de waarde van de cathodeweerstand van de voortrap te veranderen (R3): is de spanning op de cathode van de drivertrap te laag (afplatting onderaan), dan verhogen we de weerstand van 1.5kΩ naar 1.8kΩ. In het omgekeerde geval verlagen we de weerstandswaarde naar 1.2kΩ. Noteer het bereik waarbij de afplatting niet aanwezig is. Nu sluiten we de skoop aan op de uitgang en stellen de g1 voorspanning van de eindtrap zodanig dat de sinus onvervormd doorkomt. De cathodestroom van de eindtrap mag niet hoger komen dan 100mA (150mV op R8) zodat de maximale dissipatie van de buis niet overschreden wordt. Aangezien de cathodestroom van de drivertrap door de eindtrap verhoogd wordt, zal dit ook een invloed hebben op de schermroosterspanning van de eindtrap. We controleren dat de spanning in het genoteerd bereik ligt en stellen indien nodig de polarisatie van de voortrap opnieuw bij.
Een schakeling met russische buizen, de equivalenten zijn: 6BM8 = ECL82 en 6KG6A = EL519. Het lijkt wel of de russische componenten van betere kwaliteit zijn, want de voortrap werkt buiten zijn toegelaten werkgebied. Er wordt 0.4W ontwikkeld in de triode (limiet is 1W), maar 7.5W in de pentode (limiet is hier 7W). Als je de schakeling wilt nabouwen moet je de ECL82 vervangen door een ECL86 die een hoger vermogen kan leveren (9W dissipatie op de anode). De anodeweerstand van de triode kan verhoogd worden tot 120 of 150kΩ. Je kan ook de combibuis vervangen door een (halve) ECC83 en een EL84, dan zit je volledig safe. Dat zijn buizen die gemakkelijker te vinden zijn. De eindtrap werkt in zijn normaal bereik, met een stroom van 100mA, wat overeenkomt met een warmte-ontwikkeling van 33W (limiet is 40W). Er is een dubbele tegenkoppeling die zowel inwerkt op de voortrap als op de cathode van de stuurpentode. De instelling van het werkpunt gebeurt met een instelweerstand van 50Ω zodat de spanning ingesteld kan worden over een bereik van ongeveer 0.85V, wat overeenkomt met 125V op het schermrooster, een zeer wijde instelbereik. De schakeling moet ingesteld worden om 33V te hebben op de cathode van de eindtrap. Eenmaal dat de waarde ingesteld is, is het aangeraden de de instelweerstand te vervangen door een vaste weerstand. Een stroom door de loper laten gaan is nooit een goed idee. Als de loper slecht contact maakt, dan komen de kleine storingen in de geleiding van de instelweerstand versterkt terecht op de uitgang. Bij een onderbreking stijgt de cathodespanning van de triode, dus ook de spanning op de roosters van de pentodes en kan de eindpentode overbelast worden. De volgende schakeling is de verbetering, met een filter bestaande uit een condensator van 1µF en een weerstand van 220kΩ die alle brom- en kraakgeluiden afkomstig van de loper onderdrukt. Mocht de loper slecht contact maken, dan stijgt de spanning op het rooster van de triode lichtjes, waardoor de anodespanning zakt. De twee pentodes krijgen dan een lagere spanning en worden beschermd. We hebben twee concrete schakelingen die echt op elkaar lijken. Wat is de beste schakeling? De eerste schakeling met de instelling van de bias van de eindtrap door middel van een negatieve voorspanning is beter, maar aan de andere kant is de sturing van het schermrooster van de eindtrap met een zwaardere pentode in plaats van een dubbele triode beter. De twee triodes kunnen het wel aan, maar de cathodeweerstand met een lagere waarde zorgt voor een strakkere sturing van de eindtrap.
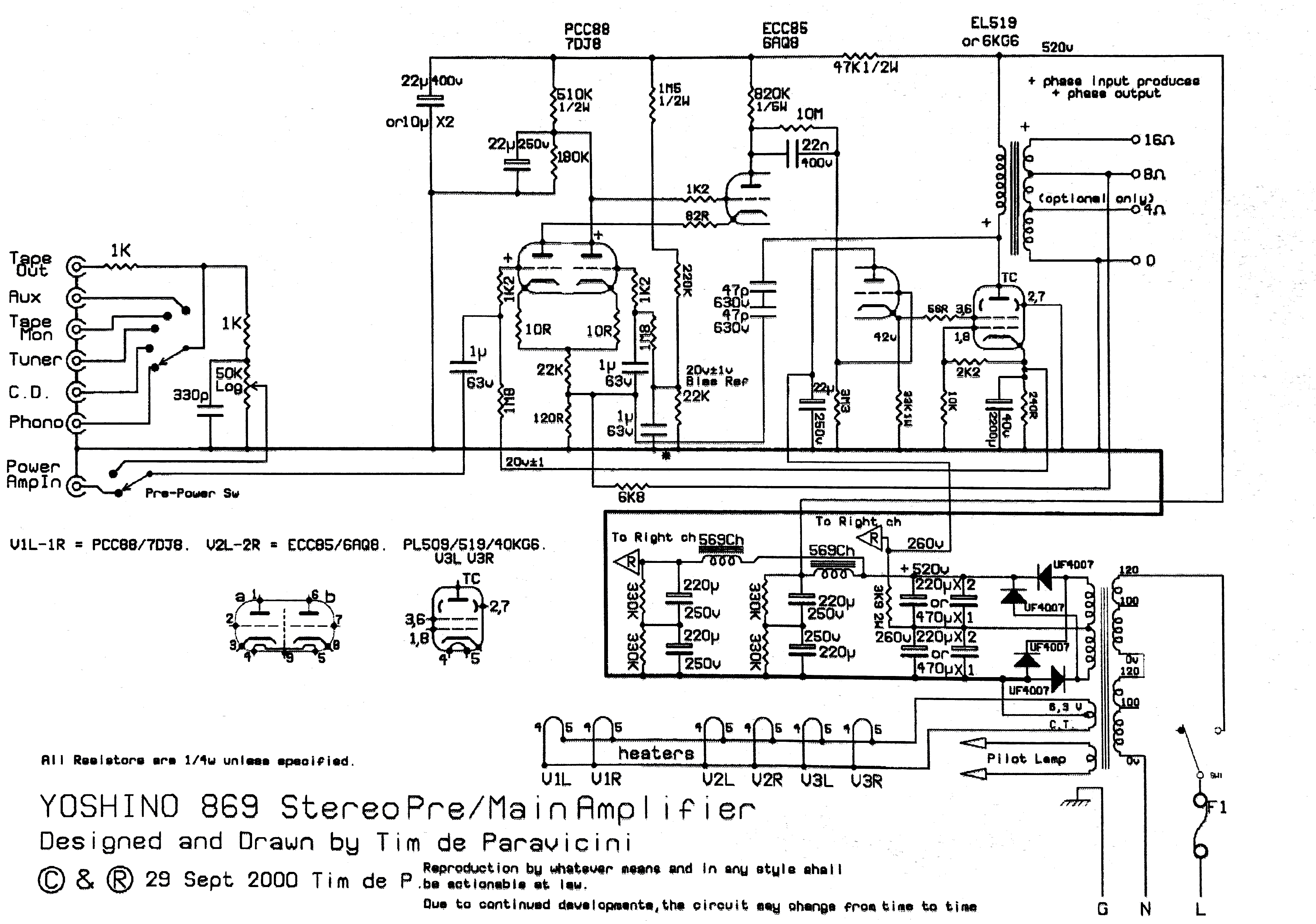
E.A.R (Esoteric Audio Research), je houdt ervan of je braakt ervan, maar de schakelingen die toegepast worden combineren het beste met het slechtste dat er is. We beginnen met een "esoterische" buis, een PCC88 die in een cascodeschakeling gebruikt wordt. Deze buis werd oorspronkelijk gebruikt in antenneversterkers (VHF en FM band). Opgelet, de penaansluiting komt niet overeen met die van de audiobuizen van de ECC81 - ECC83 reeks. De lijst met triodes is hier te vinden. De PCC88 is tegenwoordig te koop onder de referentie E88CC. De uitgangsimpedantie van de cascodeversterker is zeer hoog. Dit is bewust gedaan om een voldoende hoge versterking te bekomen (>150×). Zo erg is dat niet, de volgende trap is een cathodevolger die op zich een hoge inwendige weerstand heeft. De eindtrap heeft een autobiasschakeling zoals in de voorbeeldschakeling boven. Dit maakt het instellen van de werkpunten niet eenvoudiger... Je zal waarschijnlijk gemerkt hebben dat de schakeling volledig DC gekoppeld is (met slechts één condensator aan de ingang, die je zelfs kan weglaten). Een verkeerde instelling breid zich uit over de volledige schakeling en wordt onderweg zelfs versterkt. We hebben echter een DC feedbacklijn (orange lijn) die de werkpunten stabiliseert. Als de stroom door de eindtrap oploopt, dan stijgt ook de spanning over de cathodeweerstand. Deze spanning wordt overgebracht op de bovenste trap van de cascodeschakeling (rooster). Daardoor daalt de anodespanning van de buis en deze lagere spanning wordt overgebracht naar het rooster van de eindbuis via de driverbuis. Er is ook en tegenkoppeling voor de wisselspanning (paars), die wordt traditiegetrouw afgetapt op de secundaire van de uitgangstransfo. Deze transfo veroorzaakt echter een faseverschuiving, die sterker aanwezig is bij de hogere frekwenties. Bij de hoge frekwenties heeft men geen tegenkoppeling meer, maar een meekoppeling. Het hoogfrekwent component wordt afgetapt op de anode van de eindtrap en teruggevoerd als tegenkoppeling. Dit is in de praktijk de beste tegenkoppeling die er bestaat.
De tweede triode van de long tailschakeling (mullardschakeling) ontvangt de tegenkoppeling. Het principe van de tegenkoppeling zoals die hier toegepast wordt is zeer goed, met een aparte pad voor de hoge frekwenties. De outputtransformator veroorzaakt vaak een fasedraaing voor deze hogere frekwenties en dit effekt wordt optimaal onderdrukt door het signaal af te nemen aan de anode (primair). We hebben vervolgens een ECC85 waarvan de eerste triode het tweede deel van een cathodyneschakeling is, en de tweede triode de drivertrap is voor de eindtrap. De g2-spanning bedraagt hier 42V. De EL519/6KG6 is één van de weinige buizen die voldoende vermogen kunnen leveren in een single ended versterker. De schakeling haalt 15W, vergelijkbaar met het vermogen van een paar EL84 in push pull schakeling. We hebben hier opnieuw een volledige DC schakeling met een gelijkspanningstegenkoppeling om het werkpunt van de eindtrap te stabiliseren. Er wordt in de onderdelenlijst PL509/PL519/40KG6 aangegeven, maar deze buizen hebben een verschillende gloeispanning nodig en hebben dus een aparte wikkeling nodig op de voedingstransfo.
We beginnen met een cascodeschakeling om een hogere versterking te hebben. De voortrap moet het signaal versterken van 500mV effektief tot 40V effektief, dus een versterking van 80× (met de eventuele tegenkoppeling). Je kan een ECC81, ECC83 of een ECC808 gebruiken, deze laaste buis is een verbeterde uitvoering maar is niet pin-compatibel. Ik heb geen cathodeweerstand aangegeven, je zal een waarde moeten zoeken tussen 470Ω en 1.5kΩ zodanig dat je tussen 60 en 70V hebt op de anode van de eerste triode. Is de spanning te laag, dan moet de weerstandswaarde verhoogd worden. De ECC81 is beter op zijn plaats in een cascodeschakeling want de buis werkt beter met een lagere spanning. In een cascodeschakeling zorgt de eerste buis voor een omzetting van de ingangsspanning in een stroomverandering (met een relatief constante anodespanning). De tweede buis is in gemeenschappelijke roosterschakeling en zorgt voor de spanningsversterking. De drivertrap is een EL84 die een voldoende vermogensreserve heeft in vergelijking met een triode. Hier is niets speciaals aan te merken, behalve de anti flash diode die de buis zal beschermen bij de inschakeling. Als de cathode nog koud is, dan wordt het rooster naar de +380V getrokken en de cathode naar de massa. Deze spanning is voldoende om de buis te doen doorslaan tussen rooster en cathode, op den duur gaat de buis daardoor defekt. Veel schakelingen missen de diode die echt noodzakelijk is.
Indien er een laagfrekwente oscillatie is (het bekende "motorboten"), dan moet de waarde van de condensator van 1µF verlaagd worden naar 0.1µF, waardoor de bandbreedte aan de onderkant beperkt wordt. De waarde van de tegenkoppeling moet proefondervindelijk bepaald worden, kies om te beginnen een waarde die 50× groter is dan de waarde van de cathodeweerstand van de voortrap. De versterker kan zonder tegenkoppeling werken, maar een te sterke tegenkoppeling zorgt voor een minder musicaal geluid. De instelling van het werkpunt gebeurt met de 470lΩ trimmer. Gekraak dat door een slecht contact aan de loper veroorzaakt zou worden, wordt weggefilterd door de condensator van 1µF. De weerstand van 10MΩ beschemd de buizen in geval van slechte contacten: als er slecht contact is, dan verhoogt de roosterspanning, de anodespanning daalt dan, samen met de stroom door de twee pentodes. Het geluid wordt sterk vervormd, maar de buizen zijn beschermd. Eenzelfde voorziening moet getroffen worden voor de -40V, waarbij de loper via een weerstand van 10MΩ verbonden wordt met de negatieve voeding. Ik heb talrijke versterkers hersteld waarbij de zekering regelmatig defekt ging na een rustperiode: dit werd veroorzaakt door een slecht contact aan de loper van de trimmer voor de negatieve voorspanning. Indien de zekering niet springt (omdat de klant de zekering vervangen heeft door een stukje zilverpapier), dan stijgt de temperatuur totdat het glas zacht begint te worden. Originele buizen kunne daar tegen, maar bij meer recente exemplaren brandt in de buis de verbinding tussen de penaansluiting en de cathode. Een zeer dure zekering... Alle weerstanden zijn metaalfilmweerstanden, behalve een weerstand van 10kΩ 10W. Men moet een aangepaste transformator gebruiken die geschikt is voor single ended toepassingen (transfo met luchtspleet om saturatie tegen te gaan). De transfo moet geschikt zijn voor een stroom van 100mA en een impedantie van 1.35kΩ hebben. |
Publicités - Reklame






De vermogentrap is een EL509, we gebruiken een instelbare negatieve roostervoorspanning van -40V. We moeten een cathodestroom van 100mA in de buis hebben, dit kan gemeten worden over de cathodeweerstand. De seriekring van 330Ω en 470pF beperkt de vermogensbandbreedte tot minder dan 30kHz (niet vergeten dat de buis ook in radiozenders gebruikt werd). De condensator moet een hoogwaardig exemplaar zijn geschikt voor 630V. De kleine condensator blokkert de versterking van ultrasone frekwenties in een bereik waarbij de tegenkoppeling als meekoppeling zou kunnen werken door de faseverschuiving in de transfo.