| Een gecombineerde amerikaanse compactron. Dit is een buis die specifiek ontworpen is voor audiotoepassingen. |
-
|
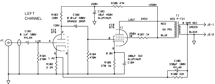
De compactronbuis is relatief klein en bevat een halve triode vergelijkbaar met onze EC(C)83 en een beam tetrode vergelijkbaar qua vermogen met de EL84. Schakelingen die ontworpen zijn voor een 6V6 kunnen met deze buis gebruikt worden.
Er zijn weinig mogelijkheden om een single ended versterker te bouwen, behalve als je een parafeed zou gebruiken of de cathodestroom zou stabiliseren met een LM317 (afgrijselijk). De versterker levert een vermogen van 4.2W met een vervorming van 10% (10%, da's bijna geen sinus meer...)
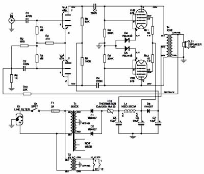
Wat mij minder aanstaat in deze schakeling is de roostervoorspanning van de eindtrappen die bereikt wordt door zenerdiodes. Zenerdiodes ruisen sterk, en men had de diodes tenminste kunnen ontkoppelen door twee elko's. Men had ook een negatieve voorspanning kunnen gebruiken, de 6.3V gloeispanning die gelijkgericht wordt levert de correcte voorspanning voor de eindtrappen. Het probleem van die diodes is dat ze een "harde" spanningsval geven, ongeacht de stroom die erdoor loopt. Heeft een buis een stroom van 30mA en de andere buis een stroom van 35mA, toch geven beide zenderdiodes een spanningsval van 8.2V: er is geen stabilisatie van de stroom, wat wel gebeurt met weerstanden. Vervang de zenerdiodes door weerstanden van 270 of 300Ω ontkoppeld door elko's van 220µF. De diode D8 is de correcte oplossing om de voortrap van de eindtrap te ontkoppelen. De stroom door de eindtrappen kan veranderen als de buizen op maximaal vermogen werken (de hoogspanning kan dus ook veranderen), dit is een gevolg van het gebruik van de zenerdiodes. De smoorspoel kan men achterwege laten (vervangen door een weerstand van 100Ω) als men elko's van 100 + 220 + 47µF gebruikt.
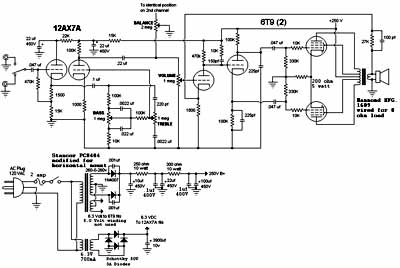
Na de volumeregeling hebben we een versterkertrap die als comparator geschakeld is (tegenkoppeling). De fase omkeertrap is hier een eenvoudige cathodyneschakeling. De condensatoren van 225pF dienen voor de stabiliteit van de versterker, maar hebben een negatieve invloed op de sturing van de eindtrappen, omdat de impedantie van beide uitgangen van de cathodyne niet gelijk is. Uit ervaring weet ik dat men hier soms kleine condensatoren kan plaatsen de versterker meer stabiel kan maken, maar men moet wel controleren of de sturing van beide eindpentodes niet in het gedrang komt. Normaal zou moeten volstaan met de condensator over de feedback weerstand en de condensator op de anode van de voortrap (150pF). De eindtrap gebruikt hier een polarisatie door een gemeenschappelijke, niet ontkoppelde cathodeweerstand. Dit komt meestal de lineariteit ten goede (soort mullard faseomkeertrap) maar vermindert het vermogen. Men merkt hier een ultra lineairschakeling, maar men geeft niet aan op welk percentage er afgetapt moet worden. Op 45% zoals bij een EL84 (pentode) of op 20% zoals bij een 6V6 (beam tetrode), ik vermoed dat men op 20% aftakt. De UL schakeling heeft als bijkomend voordeel de uitgangsimpedantie van de eindtrappen te verlagen, wat nuttig is want de niet-ontkoppelde cathodeweerstand verhoogt de uitgangsimpedantie. Er is geen correctie van de cathodestroom van beide tetrodes. Op de pagina van de 6LU8 (tweede schakeling) kan je zien hoe dat gerealiseerd kan worden. |
Publicités - Reklame


