| De 6L6 is een veel voorkomende amerikaanse vermogensbuis die je in bepaalde versterkers zal aantreffen. |
-
Er is promotiemateriaal voor de beam tetrodes op deze pagina. De 6L6 had toen nog geen type-aanduiding. Een beam tetrode heeft een hoger rendement dan een pentode, er loopt minder stroom door het schermrooster, een waarde van 2.2mA is normaal bij beam tetrodes. Door het redelijk hoog rendement was het mogelijk draagbare radio's te bouwen met gewone buizen, terwijl men in Europa speciale buizen met direct verhitte cathodes ging gebruiken. Beide buizen kwamen in 1936 op de markt en worden nog volop gefabriceerd. Voor het bouwen van een versterker kan je beter nieuwe buizen kopen van gerenomeerde fabrikanten (dus geen chinezen en liefst ook geen russische equivalenten), NOS buizen bieden geen voordeel, de productie was vroeger niet beter. De twee afbeeldingen rechts tonen de oude versie van de buizen, recente buizen hebben een cylindrische vorm. Op de tweede afbeelding ziet men goed de aansluitingen van de electrodes: het stuurrooster, het schermrooster, het keerrooster (om de stralen te bundelen) en de anode. De kathode die op het eerste zicht geen aansluiting heeft is bovenaan verbonden met het keerrooster. Deze buizen werden oorspronkelijk ontworpen als "algemene" buizen, maar werden vooral in radiotoestellen gebruikt (6V6) en in wat zwaardere versterkers (6L6). De KT66, KT88,... werden specifiek ontworpen als audiobuizen. De 807 heeft nagenoeg dezelfde eigenschappen als de 6L6, maar kon gebruikt worden als lijneindtrap in televisies, met een anodeaansluiting boven de buis. De 807 werd eveneens gebruikt in amateur radiozenders (zoals de europese PL504), door de aansluiting op de buis werd terugkoppeling vermeden. Een europees equivalent was de EL37, de voorloper van de welbekende EL34.
De 6V6 en 6L6 waren lampen voor algemeen gebruik en niet specifiek voorzien voor hifi weergave. De buizen hadden trouwens een merkbare tetrodeknik, minder dan een oude tetrode, maar meer dan een pentode. De KT66 werd op basis van de 6L6 ontworpen, maar men had als doel de tetrodeknik sterk te verminderen ("KT" staat voor "kinkless tetrode"). Om dat te bereiken moest de anode verder geplaatst worden, waardoor de buizen een dikker uitzicht hebben. Tegenwoordig hebben beide buizen nagenoeg dezelfde eigenschappen en je zal meer verschillen (op audio weergave) opmerken tussen twee 6L6 buizen van twee verschillende fabrikanten, dan tussen een 6L6 en een KT66. De 6L6 wordt als goedkoper broertje van de KT66 aangezien en prijs ligt normaal wat lager. De parameters van de buizen zijn voor de originele buizen, er zijn teveel verschillen tussen de fabrikanten. Ook het schema speelt natuurlijk een rol
De vorm van de electrodes (en dan vooral de anode) is niet veranderd in de loop der jaren: dit is echt een historisch ontwerp.
De spoed van het stuurrooster is relatief los, dit is nodig om een voldoende stroomversterking te hebben. Bovenaan en onderaan ziet men enkel de wikkelingen van het stuurrooster.
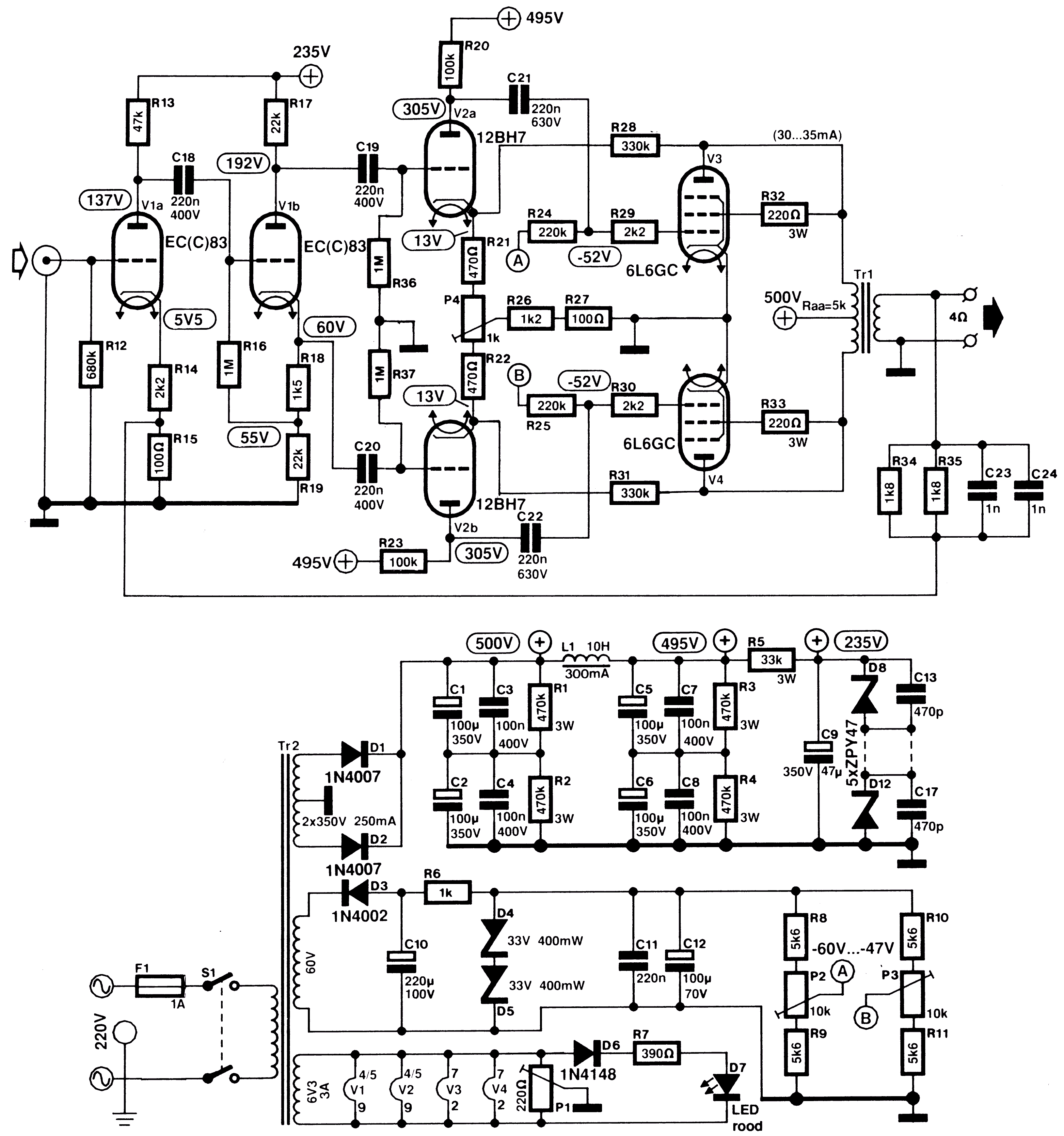
De schakelingen met de 6L6 staan hier. |
Publicités - Reklame







