| De EL95 is een audio pentode met een vermogen van 1.5W (3W met een vervorming van 12%). In een push pull configuratie kunnen twee buizen een vermogen van 7W leveren met een vervorming van 5%. De maximale anodedissipatie bedraagt 6W. |
-
|
Het B7G formaat (noval 7 pens) wordt weinig in continentaal Europa gebruikt, maar wel in Groot Brittanië, zoals de EH90 die als FM discriminator gebruikt werd en de ECC91 (een dubbele triode) die gebruikt werd in kleine draagbare radio zenders op de VHF band. Deze twee buizen hebben geen andere toepassingen gevonden, met een 7 pins formaat is de cathode gemeenschappelijk, waardoor de meest gebruikte voortrap (voorversterker + cathodyne) niet mogelijk is. Dit buisformaat werd meer gebruikt in de Verenigde Staten. In dezelfde reeks horen ook volgende buizen:
Single ended versterker
Een eenvoudige Philips versterker, de Philips AG9016 die in de jaren 1960 gebouwd werd. Dezelfde schakeling werd ook in platenspelers gebruikt.
Het vermogen dat één enkele EL95 kan leveren is beperkt tot 1.5W, te weinig om aan de DIN 45 500-norm te geraken (minstens 6W audiovermogen). Men kan zich afvragen waarom Philips een dergelijke versterker op de markt heeft gebracht. Het is waarschijnlijk dat Philips het goedkoop chassis, dat oorspronkelijk in enkele platenspelers gebruikt werd, ook heeft gebruikt in zijn versterkers. Het was het begin van de "hifi" voor het grote publiek en deze versterker kon goedkoop gemaakt worden. De volumeregeling heeft een loudness correctie, dit was gebruikelijk in die tijd. De loudness verhoogt de bassen bij laag volume omdat de luidsprekers wat zwakjes waren wat betreft de lage tonen. De lage tonen ook verhogen bij normaal volume is niet aangeraden, want de versterker is beperkt wat het vermogen betreft. Er is een passieve toonregeling tussen de twee triodes, gevolgd door een balansregeling. Heeft men de toonregeling niet nodig, dan kan ook een triode vervallen. De outputbuis van deze versterker is weinig krachtig. Men moet best de kleine condensator van 1.5nF verwijderen (over de primaire audiotransformator), daardoor worden de hoge tonen te veel onderdrukt. Er is een normale tegenkoppeling naar de cathode van de voorversterkertriode. De twee audiotransformatoren zijn bijzonder klein uitgevoerd zodat er geen vermogen verloren gaat in het magnetiseren van de ijzerkern, maar dat betekent ook dat de bassen zwak zullen zijn. De audiokwaliteit in het middengebied is goed, maar de bassen zijn te zwak en de demping is te laag. De hoge tonen zijn onvoldoende aanwezig en men moet de hoge tonen regelaar op maximum zetten. De geluidkwaliteit is voldoende voor een kleine slaapkamerversterker (de lampenversterker in mijn slaapkamer heeft een vermogen avn 15W...). De constructie is degelijk en er is weinig brom hoorbaar. Enkele jaren later zal Philips overschakelen op transistorversterkers met germanium transistoren. De kwaliteit van die versterkers was slecht, al was het vermogen hoger. Met deze buis kan men echter wel een goed klinkende balansversterker bouwen.
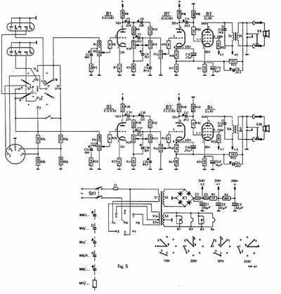
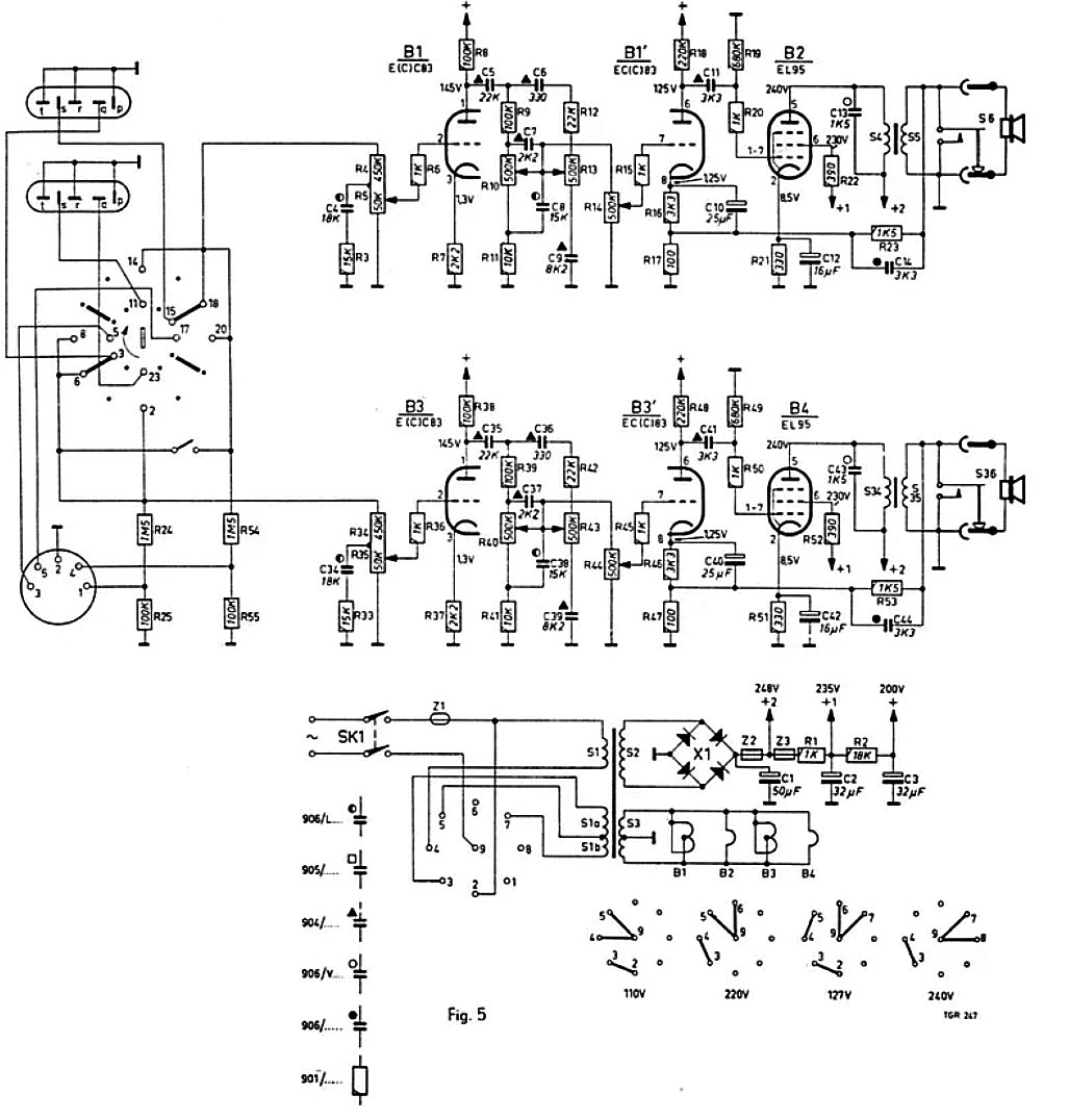
Push pull versterkerDe versterker gebruikt een gemeeenschappelijke cathodeweerstand voor de voorspanning van de eindtrappen. Men zou ook een negatieve roostervoorspanning kunnen gebruiken (-13V), maar de vermogenswinst die men kan halen is heel beperkt. Het maximaal vermogen is beperkt door de maximale cathodestroom van 35mA en de maximale anodedissipatie van 6W.Er is een fout in de schakeling: de twee weerstanden (anode en cathode van de cathodyne moeten dezelfde waarde hebben zodat men dezelfde amplitude heeft op beide uitgangen van de fase omkeertrap. Kies twee weerstanden van 150k. De versterker heeft een voortrap nodig: de amplitude aan de ingang van de fase omkeertrap moet 9Veff bedragen om het maximaal vermogen te halen. Men kan een halve ECC83 gebruiken en een tegenkoppeling voorzien van het secundair van de audiotransfo naar de cathode van de voortrap. De tweede schakeling op dezelfde pagina uit het boek gebruikt een ELL80. De buis heeft twee beam tetrodes (straalbundel tetrodes) in één ballon. Indien ik deze buis hier vermeld, is dat omdat deze buis zeer zeldzaam geworden is en men kan adapters kopen waarin men twee EL95 kan plaatsen. De adapter met de twee EL95 wordt dan geplaatst in de buisvoet die voorzien was voor de ELL80. Er is een grote hoeveelheid EL95 buizen, terwijl de hoeveelheid werkende ELL80 beperkt is. De ELL80 werd gelanceerd op het einde van de buizenperiode en men was al bezig de buizen te vervangen door transistoren. Het rendement van een ELL80 (beam tetrode) ligt wat hoger dan die van een EL95 (pentode), maar in de praktijk is de aanpassing probleemloos. Men kiest de cathodeweerstanden naargelang de hoogspanning: 180Ω voor 250V en 200 of 220Ω voor 280V. De fase omkeertrap is een parafase, een minder vaak gebruikte schakeling. Alle pagina's die in november 2022 online zijn gezet krijgen een link naar de internationale shooting days, dit is een event waar fotografen en modellen uit verschillende landen samenkomen. De site bevat praktische informatie (lokaties, planning,...) en is aangepast voor smartphones en tablets.
Simplex/stereoplex versterkerDe EL95 werd doorgaans gebruikt in goedkopere toestellen, dus waarom niet in een simplexschakeling? Met een dergelijke schakeling heeft men een stereo push pull versterker met de helft van de buizen.Op het eerste zicht lijkt de versterker normaal, met twee single ended versterkertrapen die elk een eigen luidspreker aansturen. Maar dan merkt men dat de luidsprekers enkel voorzien zijn voor de mid en hoge tonen. Voor de lage tonen werken de twee versterkers als één balansversterker. Twee kleine condensatoren van 0.1µF filteren de hoge tonen. Om een echte push pull versterker te hebben, moet een kanaal omgekeerd aangestuurd worden, dit gebeurt door de triode EABC80. Bij een mono werking gebruikt men enkel het linker kanaal als bron en de fase omkeertrap is nodig zoals in nagenoeg alle balansversterkers. Wegens de fase omkeertrap is de betreffende luidspreker voor de hoge tonen omgekeerd aangesloten. Ik heb testen gedaan met een stereoplex versterker met een paar PCL805 die een hoger vermogen kunnen leveren dan de EL95 die hier gebruikt worden. Het vermogen dat men bekomt is lager dan met een echte push pull versterker. De kanaalscheiding is ok tot men aan het maximaal vermogen komt. De schakeling hier heeft een hoger rendement dan mijn eigen schakeling en gebruikt twee aparte tweeter/mid luidsprekers en een bassluidspreker. De eindtrappen moeten noodgedwongen in classe A werken want de hoge tonen/midrange luidsprekers worden single ended aangestuurd. |
Publicités - Reklame

