| De cross coupled faseomkeertrap zal je niet vaak aantreffen in amateurschakelingen, maar die wordt soms wel gebruikt in commeriële produkten. | 
-
 
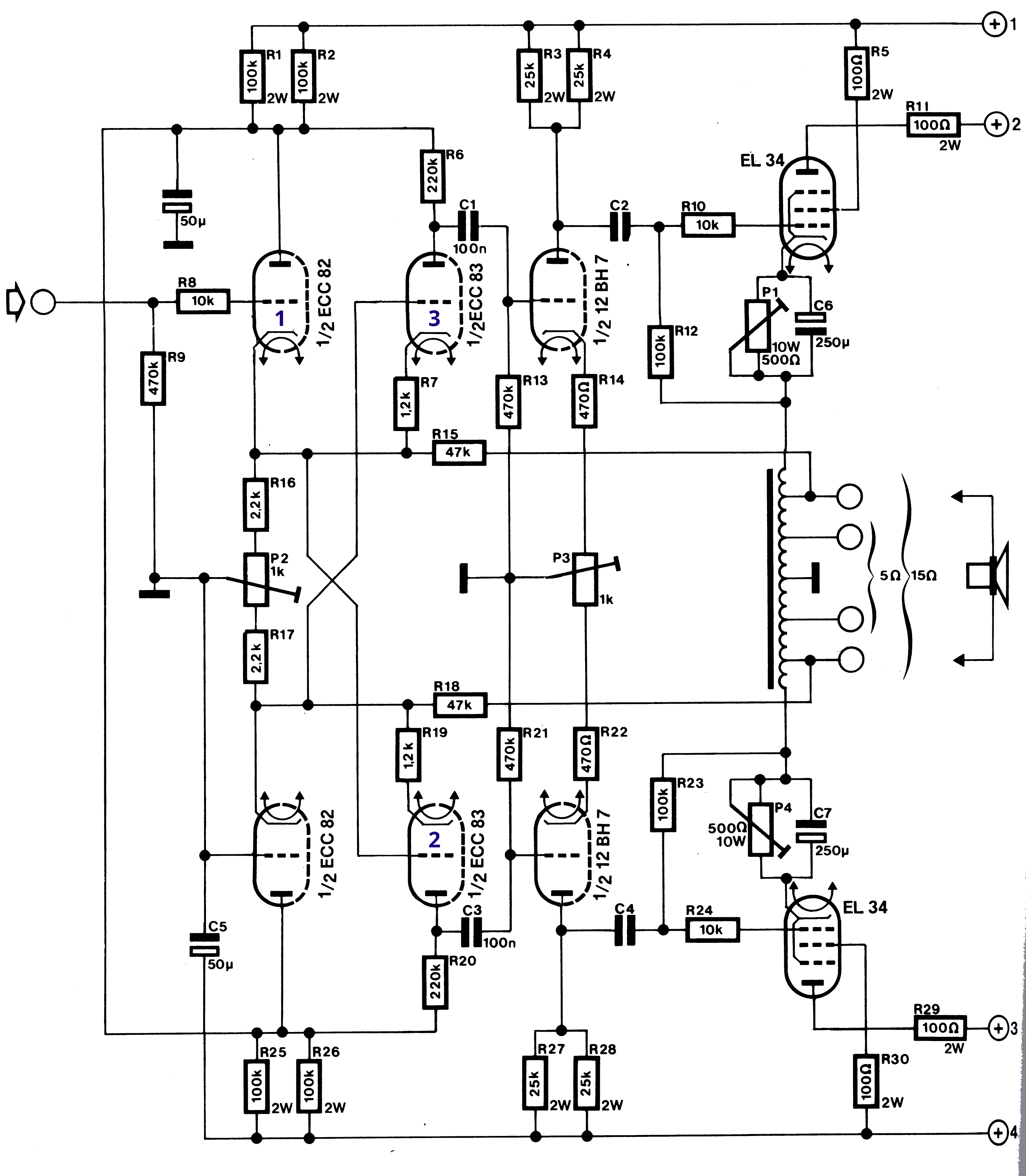
De schakeling rechts is de principeschakeling van de cross coupled fase omkeertrap. In de praktijk wordt de transformator vervangen door twee cathodevolgers.
De versterkertrap werd ontworpen door Van Scoyoc, maar zijn bedoeling was niet specifiek om een omkeertrap van een audioversterker te maken. Hij wou twee spanningen kunnen vergelijken en de output naar de platen van een oscilloscopp sturen, maar de schakeling kan natuurlijk ook als fasedraaier gebruikt worden. De cross coupled fase omkeertrap zal je niet vaak aantreffen in amateurontwerpen omdat de werking van de schakeling op het eerste zicht niet zo duidelijk is. Daarbij komt nog dat de schakeling best twee verschillende soorten buizen gebruikt. De schakeling kan uitgelegd worden als een cathodevolger (om de impedantie te verlagen) gevolgd door een versterkertrap. De twee middelste buizen (6SL7) zijn de versterkertrappen en worden aangestuurd op de cathode door het gebufferd ingangssignaal 1 en op zijn rooster door het ingangssignaal 2. De tweede versterkertriode krijgt ook het gebufferd ingangssignaal op zijn rooster en geeft een negatief signaal op de anode.  
 
 De eerste trap is een stroomtrap en men gebruikt daarom best triodes met een hoge steilheid zoals de ECC82 of ECC81. De spanningsversterking van deze trap is minder dan 1, maar de trap is nodig om de versterkertrap te kunnen aansturen. Er moet een relatief hoge stroom door deze triode lopen zodat de buis beter de volgende trap kan aansturen. Men kan bijvoorbeeld een stroom in de cathodevolger kiezen die 5× hoger ligt dan de stroom in de spanningsversterker. In de versterkertrap gebruikt men best triodes met een hoge versterking zoals de ECC83 (of hier ook een ECC81). Beide uitgangen zijn mooi symmetrisch en hebben dezelfde eigenschappen (uitgangsimpedantie). De faseomkeertrap wordt normaal gevolgd door een stuurtrap (driver) om buizen aan te sturen die een hogere sweep nodig hebben. De spanningsversterking bedraagt ongeveer 60× dit is evenveel als een enkele triode in gemeenschappelijke cathode schakeling.  
Door een cathodevolger bij te plaatsen kan men de relatief hoge uitgangsimpedantie verlagen. Deze schakeling heeft goede eigenschappen wat betreft gelijkloop en faseverschuivingen: er is slechts één koppelcondensator nodig op de positieve en negatieve ingang. Deze schakeling maakt in theorie een directe koppeling mogelijk met de eindtrap, maar de cathodespanning van de versterker wordt nu 45V of meer, zodat de eindtrappen niet efficient werken. Met de trimmer kan de gelijkspanningsbalans van de eindtrappen ingesteld worden. * De cathodeweerstanden van de versterkertrap kunnen ontkoppeld worden (elko over de weerstanden van 2.2kΩ, niet naar massa!): dit is goed zowel voor de uitgangsimpedantie als voor de versterking van de trap. Deze weerstanden zijn nodig voor de correcte polarisatie van de tweede trap: de spanning op het rooster van de tweede trap is immers niet gerefereerd aan de massa, maar aan de spanning op de cathode van de eerste trap. De elko's zijn niet mogelijk bij de eerste schakeling die ook gelijkspanning moet kunnen versterken. 
 Door de gemeenschappelijke anodeschakeling kan men het terugkoppelsignaal gemakkelijk terugvoeren via R15 en R18. De sturing van de outpouttransformator heeft een lage inwendige weerstand. Opslingeringen in de transformator worden gemakkelijk onderdrukt. De schakeling gebruikt een dubbele triode ECC82 als cathodevolger (ingangstrap), een ECC83 als spanningsversterkertrap en een 12BH7 als drivertrap. Deze laatste buis is pencompatibel met de buizen uit de reeks ECC81 tot ECC83 maar heeft andere instellingen. De 12BH7 heeft een lage versterkingsfactor (µ = 17) zoals de ECC82, maar een hoge steilheid van 3.1mA/V. Terloops gezeld, de 12BH7 buis kan als eindtrap gebruikt worden in een kleine balansversterker met een vermogen van 5W. Met één buis heb je een eindtrap, je hebt enkel nog een stuurtrap en concertina fase omkeertrap nodig. Met P2 wordt de statische instelling van de cross coupled trap bijgeregeld, met P3 gebeurt hetzelfde met de drivertrap. Met P1 en P4 wordt de ruststroom van beide eintrappen ingesteld.  | 
Publicités - Reklame
De schakeling rechts is de principeschakeling van de cross coupled fase omkeertrap. In de praktijk wordt de transformator vervangen door twee cathodevolgers.
