| De fase-omkeertrap in een belangrijk deel van de push pull versterker. |
-
|
Om de vervorming in de eindtrappen zo laag mogelijk te krijgen moeten beide spanningen gelijk zijn, zodat door de symmetrische constructie de vervorming onderdrukt wordt. Er zijn hier verschillende schakelingen mogelijk. De fase-omkeertrap is mede-bepalend voor de kwaliteit van de versterker, sommige ontwerpers lijken dat te vergeten. De omkeertrap moet een signaal van voldoende amplitude kunnen leveren om de eindtrappen volledig uit te sturen, is dat niet het geval, dan heeft men een extra drivertrap nodig. De cathodyne heeft een beperkte sweep en is enkel geschikt voor versterkers met een beperkt vermogen. De meeste fase-omkeertrappen (behalve de eenvoudige cathodyne) bestaan in verschillende uitvoeringen. De parafase bestaat uit een eenvoudige uitvoering die niet geschikt is voor hifi, maar de floating parafase en de anodevolger zijn wel geschikt.
Hifi of gitaarversterker?Bij de keuze van een omkeertrap en het selecteren van de componenten moet men weten dat een aantal van die schakelingen gebouwd zijn voor gitaarversterkers, met andere instellingen. Bij een gitaarversterker is men op zoek naar de typische buizenklank, terwijl een hifiversterker zo natuurgetrouw moet klinken. Alle schakelingen op deze pagina's zijn voorzien voor hifi-weergave, behalve anders aangeduid. Maar wat maakt een versterker een gitaarversterker? Dat kan je achterhalen via de link.Bij veel historische versterkers wordt het maximaal vermogen aangegeven bij een vervorming van 10%, dat was in de jaren 1950 de norm. Maar tegenwoordig ios dit duidelijk geen hifi meer. De klank van een versterker wordt hoofdzakelijk bepaald door de eindtrap. Vervormingen kazn men vermijden door de eindtrap niet op maximaal vermogen te laten werken, door goede transformatoren te gebruiken en door speciale schakelingen zoals de ultra linair te gebruiken. De vervormingen in de eindtrap kunnen zodanig beperkt worden dat de vervormingen nu vooral afkomstig zijn van de drivertrap.
Hifi versterkers
We beginnen de bespreking van de splitters van hifi versterkers met een fasesplitter die vaak aangezien wordt als de beste: de fase omkeertrap die in de Williamson versterker gebruikt wordt.
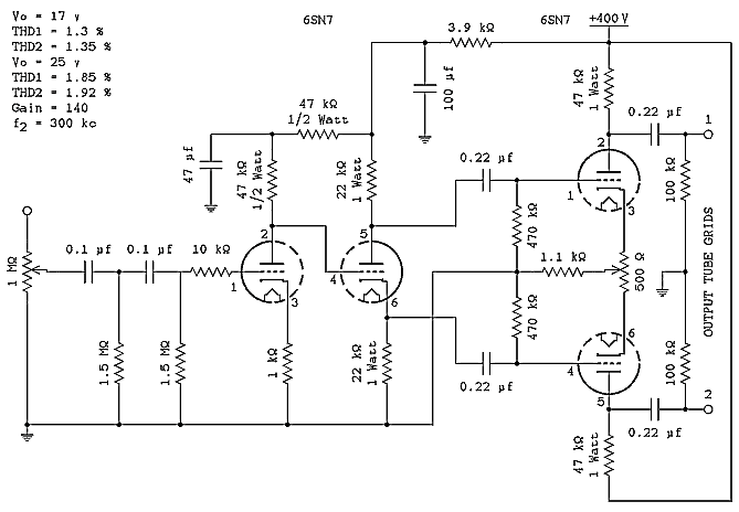
Bij iedere schakeling geeft men de vervorming bij 17V effectief en bij 25V effectief. Men heeft 17V nodig om een eindtrap met 6L6 25W te laten leveren, en men heeft 25V nodig om een eindtrap met EL34 50W te laten leveren. Voor een lager vermogen, bijvoorbeeld 10W geleverd door een 6V6, EL84 of EL86 dan volstaat een spanningszwaai van 10V effectief. De schakeling links gebruikt een dubbele triode 6SN7 als voortrap en cathodyne fase omkeertrap, gevolgd door een tweede fase omkeertrap bestaande uit een long tail schakeling, ook uitgerust met dezelfde buis. Deze drivertrap stuurt de eindbuizen. Deze dubbele triode zijn we al tegengekomen in de vorige schakeling waar die een hoge mate van even harmonischen produceerde, maar hier hebben we een Williamson schakeling die de fouten kan beperken.
De ontwerper heeft een trimmer bijgeplaatst in de cathodekring om de gelijkloop tussen de twee uitgangen te verbeteren. De ontwerper heeft namelijk een nogal hoge vervorming opgemerkt: 1.3% voor 17V en 1.9% voor 25V. Dit zijn geen goede cijfers. Bij het bepalen van de totale vervorming maakt men een geometrische som van de vervormingen van iedere individuele trap (vervorming van ieder trap in het kwadraat optellen en daar de vierkantswortel van nemen). De vervorming komt grotendeels van de drivertrap: als men de vervorming aan de uitgang van de cathodyne meet, dan bekomt men volgende cijfers: 0.9% voor 17V en 1.3% voor 25V. Vervangt men de lekweerstanden van 470kΩ door weerstanden van 100kΩ (noodzakelijk om de eindtrappen veilig aan te sturen), dan heeft men een vervorming van 0.8% et 1.2%. Daartegenover hebben we een versterking van slechts 18 in plaats van 140 (de 6SN7 heeft een versterkingsfactor van µ = 20). De 6SN7 die vaak aangezien wordt als één van de betere triodes is echter een verouderde buis, die al in gebruik was ten tijde van de eerste williamson versterker. De eerste triode kan vervangen worden door een ECC83 en de drivertrap door een ECC81, ECC82 of 12BH7 (deze laatste buis is optimaal omdat die een grote lineaire sweep mogelijk maakt).
Ik ben geen fan van versterkertrappen met niet-ontkoppelde cathodeweerstanden. Daarmee verhoogt de uitgangsweerstand van de trap. De bandbreedte wordt daardoor ongecontroleerd beperkt door de parasitaire capaciteiten: buisvoet, miller capaciteit, capaciteiten tussen de electrodes in de buis,... De gelijkloop tussen beide uitgangen hangt nu nog enkel af van de weerstandsverhouding tussen anode en cathode van de cathodyne, en men doet er goed aan toe om de weerstanden manueel te selecteren. En controleer ook de lekweerstanden van de drivertrap! Deze schakeling heeft nog een ander voordeel: men kan een lokale tegenkoppeling toepassen van de anode van de eindtrap naar de cathode van de drivertrap (zie rode strepen). Door een lokale tegenkoppeling toe te voegen kan men de vervorming verminderen op de plaats waar die het meest aanwezig is, zodat men de globale tegenkoppeling kan beperken. De versterker wordt daardoor meer stabiel. Deze schakeling is aagepast voor een versterker voor een gemiddeld tot hoog vermogen. Rc en Cc dienen om de versterker met tegenkoppeling te stabiliseren door de versterking voor de hoge tonen te verminderen. De waarden hangen af van de gebruikte outputtransformator. Men kan beginnen met R = 15kΩ et C = 82pF. Men stuurt een blokgolf van 1kHz door de versterker (amplitude 25% van de maximale amplitude) en men controleert met een skoop of er geen parasitaire oscillaties zijn.
Maar hoe gedraagt zich een andere type fase-omkeertrap, de bekende "Mullard" fasesplitter?
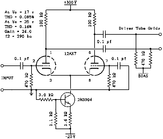
Men kan een BC546C gebruiken, die transistor kan werken met een spanning tot 60V en heeft een minimale stroomversterking van 250. Hier gaat de vervorming onder de 0.1% voor een uitgangsspanning van 17V en 0.2% voor een spanning van 25V. Deze schakeling heeft blijkbaar de laagst mogelijke vervorming van alle schakelingen die hier besproken werden. Mullard had groot gelijk om een dergelijke fase omkeertrap te gebruiken in al zijn versterkers! Aan de andere kant is de versterking onvoldoende voor een versterker met een gemiddeld vermogen (de versterking is voldoende voor een versterker van 10W). Men moet een voortrap bijplaatsen om de versterking wat op te krikken (extra versterking van 5 à 6X, dit hangt natuurlijk af van de mate van tegenkoppeling). Dit artikel is grotendeels gebaseerd op Practical Phase Inverters, The Heart of any Amplifier |
Publicités - Reklame




