De radio
|
-
Transistor ontvangersDe transistorradio's worden minder interessant. Alle schakelingen lijken op elkaar. Er worden geen trucs toegepast om het aantal buizen te beperken (reflexschakeling), want de transistoren worden uiteindelijk heel goedkoop. De allereerste radio, de Regency TR1 werkte zelfs met een 22.5V batterij. De middenfrekwentie was 262kHz (in plaats van de gestandardiseerde 455kHz) omdat de versterking hoger was bij deze frekwentie. De schakeling werd zodanig ontworpen dat er zo weinig mogelijk (dure) transistoren gebruikt werden. Het uitgangsvermogen bedroeg 40mW (ter vergelijking een buizenradio op batterijen had een vermogen van 200mW à 400mW naargelang de uitvoering). Enkel de sterkste zenders konden ontvangen worden en er was een storende vervorming. FM ontvangst was niet mogelijk, de transistoren gingen niet hoog genoeg in frekwentie. De radio was meer een gadget dan een bruikbaar toestel. Door de kleine behuizing is het geluid bijzonder slecht. Bij die eerste transistoren moesten er bepaalde schakelingen gebruikt worden om één van de negatieve eigenschappen van de transistoren te reduceren (neutrodyne). Een van die nadelige eigenschappen was de capaciteit tussen basis en collector. Dankzij hun schermrooster hadden de buizen (pentodes) zo'n ingreep al lang niet meer nodig. De neutrodynisatie is aanwezig op alle schemas met hoogfrekwente transistoren. In Europa blijft men de buizen langer trouw en gebruikt men enkel transistoren in het laagfrekwent gedeelte, daar waar het hoger rendement van de transistoren betekent dat men een hoger vermogen kan leveren zonder de batterijen snel uit te putten (de eerste transistoren konden echter maar een zeer laag vermogen leveren, merkbaar lager dan het vermogen van de buizen).
De eerste bruikbare transistoren kwamen op de markt, en zoals bij buizen ontstonden er standaard-schakelingen: een zelfoscillerende mengtrap en twee middenfrekwent transistoren. Er waren wat meer verschillen in het audio-gedeelte. Iedere kring heeft ook neutrodynisatie. Bij deze radio voor zelfbouw was het audio-vermogen eerder beperkt (maximaal 50mW). Terwijl men bij buizen de typiche reeks ECH81 en EF89 had, gebruikte men bij transistoren de types OC44 en OC45. Beide transistoren worden op dezelfde band gefabriceerd, maar ten gevolge van de fabricagetoleranties waren er nogal verschillen in de eigenschappen van de transistoren. De transistoren die een hogere grensfrekwentie hadden werden geselecteerd en OC44 gelabeld. De automatische volumeregeling werkt over één transistor, maar om toch een voldoende regelgebied te hebben past men echter een trukje toe: als de regeltransistor minder gepolariseerd wordt dan stijgt zijn collectospanning (meer nagatief) waardoor diode D1 in geleiding gaat en de eerste afstemkring dempt. Een dergelijke schakeling zal vaak toegepast worden.
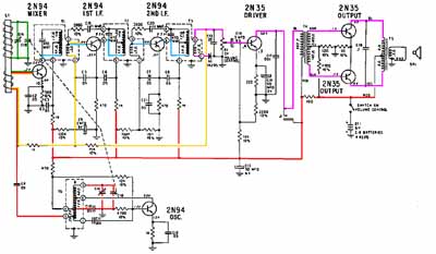
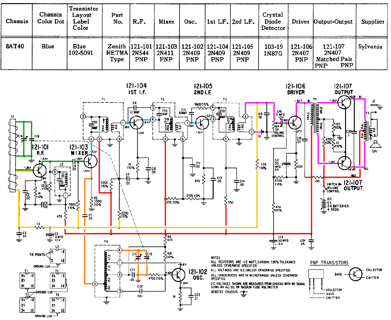
De radio gebruikt 4 batterijen van 1.5V die goedkoper zijn dan de vaak speciale batterijen die in andere toestellen gebruikt werden. De behuizing is een soort nylon en geen plastiek, waardoor de behuizing niet kan breken en langer meegaat. We hebben dus een hoogfrekwente trap die eveneens als mixer werkt. De twee signalen (antenne en oscillator) worden op de basis gesuperponeerd en door de kromme diodekarakteristiek van de transistor ontstaan er mengprodukten, waaronder het middenfrekwent signaal die gefilters wordt en in de volgende trappen versterkt wordt. Hoe die menging gebeurt wordt uitgelegd op deze pagina: principe menging amplitudemodulatie. De schakeling is anders heel klassiek, met twee middenfrekwent transistoren en drie audiotransistoren. Neutrodynisatie is zeker nodig. De AVR werkt op de eerste en tweede trap (niet op de trap met de diode, want hier moet de stroom voldoende sterk en stabiel zijn om de detectiediode te kunnen laten werken). De voortrap kan eventueel een koptelefoon sturen. De eindtrap is een balanstrap met transformatoren. De beperking van de audio bandbreedte gebeurt door een condensator in iedere audio-trap, wat als voordeel heeft dat de vervormingen (harmonischen) beter onderdrukt kunnen worden. Deze eerste transistoren hadden geen perfekte eigenschappen. In de Verenigde Staten gebruikt men de lange golf niet, enkel de middengolf. De radio wordt gevoed met 4 batterijen van 1.5V. Tegen dan waren de transistoren als voldoende verbeterd dat ze een redelijke versterking konden leveren op een lagere spanning. De transistor 2N94 heeft normale eigenschappen voor transistoren uit die tijd met een vermogen van 150mW; een frekwentie van 1MHz (vandaar de noodzaak van een doorgedreven neutrodynisatie) en een versterking van 50. De 2N35 die in de audiotrappen gebruikt wordt is een transistor van de oude generatie, met een maximaal vermogen van 50mW, een frekwentie van 400kHz en een versterking van 25. Deze transistor is geschikt voor hogere spanningen tot 40V, zoals de meeste transistoren van de eerste generatie (de enige manier om de transistor effektief te doen versterken). Het audiovermogen is beperkt tot 100mW in het beste geval. Er werd duidelijk bespaard op de audiotransistoren om de kost te drukken. Het model werd gedurende 10 jaar verkocht en regelmatig bijgewerkt, met een topversie "D" (distance) uitgerust met een extra hoogfrekwent transistor, dit brengt het anatal transistoren op 8, wat geen enkele andere radio heeft. De laatste versies zijn echter minder goed, met een slechtere luidspreker en het vermogen dat opnieuw teruggebracht wordt op 100mW. De extra HF trap heeft een afgestemde kring in de collector (maar sterk gedempt). Het signala van de oscillator wordt aan de emittor van de mengtrap toegevoegd, wat een betere oplossing is. De AVR werkt om de eerste drie trappen. Een regeling die verdeeld wordt over meer transistoren geeft een betere regeling. De transistoren die in de "D" versie gebruikt worden zijn ook verbeterd, met bijvoorbeeld een frekwentie van 12MHz voor de HF trap. Het vermogen van de eindtrappen is echter nog steeds beperkt tot 150mW.
De vreemde push pull constructie was veel gebruikt in die tijd. Daardoor is er slechts één audiotransfo nodig, waardoor de verliezen wat lager zijn. Het uitgangsvermogen bedraagt 60mW en de luidspreker moet relatief hoogohmig zijn. Deze constructie zal lange tijd in gebruik blijven, waarbij met de OC-reeks ging vervangen door transistoren uit de AC en AF-reeks. Er is heelwat uitval bij bepaalde AF transistoren. Vooral de AF117 heeft nogal de neiging een interne kortsluiting te vormen.
Het heeft nog een tijdje geduurd vooralleer men transistoren kon fabriceren die de FM band konden weergeven: als men FM ontvangst wou, dan was men aangewezen op een radio met buizen. De radiotoestellen met FM komen hier aan bod. |
Publicités - Reklame





