|
-
|
diode-modulatie. Een modulator of een mengtrap doen allebei hetzelfde (vermenigvuldigen van twee spanningen).
Hier worden praktische voorbeelden van diodes als mengtrap getoond.
Diode als hoogfrekwente mengtrapDe duitsers hadden (toen) geen magnetron, en hadden ook geen buizen die de hoge frekwenties die door de radar gebruikt werden konden versterken. Ze konden dus onmogelijk detecteren dat ze geraakt werden door radarsignalen. Maar een vliegtuig uitgerust met een magnetron stortte neer in de buurt van Rotterdam (daarom dat de duitsers de magnetron "Rotterdam Gerät" noemden). De magnetron werd gebruikt om een detectiesysteem te bouwen, maar voor de bouw van een echte radar gebaseerd op de magnetron hadden ze geen tijd en geen middelen meer (er werden slechts enkele vliegtuigen uitgerust met een magnetron-radar). Onderzoek naar de magnetron werd op bevel van Hitler stopgezet, maar de duitsers hadden dringend een systeem nodig om de radarsignalen van de geallieerden te detecteren. Een puntcontactdiode kan hier als modulator dienen: het antennesignaal en een zwak radiofrekwent signaal wordt aan de diode aangelegd. Uit de mengprodukten ontstaat er onder andere een lagere frekwentie (de "beat" tussen het antennesignaal en het signaal van de lokale oscillator). Deze lagere frekwentie kon wél versterkt worden door de toen beschikbare buizen. Als de radarverklikker in werking trad, dan wist de bemanning dat de onderzeeboot geraakt werd door de radiogolven van een geallieerde radar. Omdat slechts een klein deel van het signaal teruggekaatst wordt naar het vliegtuig heeft de onderzeeboot voldoende tijd om te duiken. De radardetector was echter niet betrouwbaar omdat die zeer snel gebouwd moest worden. De detector was ook onderhevig aan de slechte weersomstandigheden, waardoor die in het algemeen niet goed werkte. De tweede afbeelding toont een mengdiode die in moderne navigatieradars gebruikt wordt. Het echosignaal komt op de diode terecht, samen met het oscillatorsignaal. Het is een germanium diode: deze zijn het meest geschikt. Het mengproduct wordt naar het middenfrekwent versterker gestuurd.
UHF tunerIn een aantal amerikaanse televisietoestellen bestond de UHF tuner uit enkel een mengdiode en oscillatorbuis: er bestonden geen betaalbare buizen die op 800MHz konden werken. Het verlies bij het gebruik van een mengdiode was aanvaardbaar maar een dergelijke UHF tuner kon enkel de plaatselijke zenders ontvangen. Dit was toen geen probleem: VHF (met een bereik van 50 à 100km) was voorzien voor de grote zenders, terwijl de UHF band gebruikt werd voor lokale zenders.Het mengprodukt werd naar de VHF tuner gestuurd (als antennesignaal), waar het signaal versterkt werd, waarna er opnieuw een menging gebeurde om tot de normale middenfrekwent te komen (dubbelsuper). Een volgende schakeling is eveneens een UHF tuner die ingebouwd werd in bestaande televisieontwerpen. We beginnen met een speciale UHF triode (een frame grid triode) gevolgd door de mengdiode. Het conversieverlies werd goedgemaakt door de UHF triode. Het heterodynesignaal straalt in op de diode via de nabijgelegen weerstand. We hebben dan een eerste MF trap bestaande uit een cascode schakeling (betere ruiseigenschappen dan een pentode) gevolgd door twee middenfrekwent trappen uitgerust met een EF80. Het signaal is hier het MF signaal, er wordt niet gebruik gemaakt van een positie van de VHF tuner. Later heeft Philips twee UHF buizen op de markt gebracht voor gebruik in tuners: de PC86 (zelfoscillerende mengtrap) en PC88 (UHF versterkerbuis) en werd het signaal verder door de VHF tuner verwerkt (versterking en tweede menging). Op de pagina van de mengtrappen zie je dat er diodes gebruikt worden in de UHF mengtrappen van televisies.
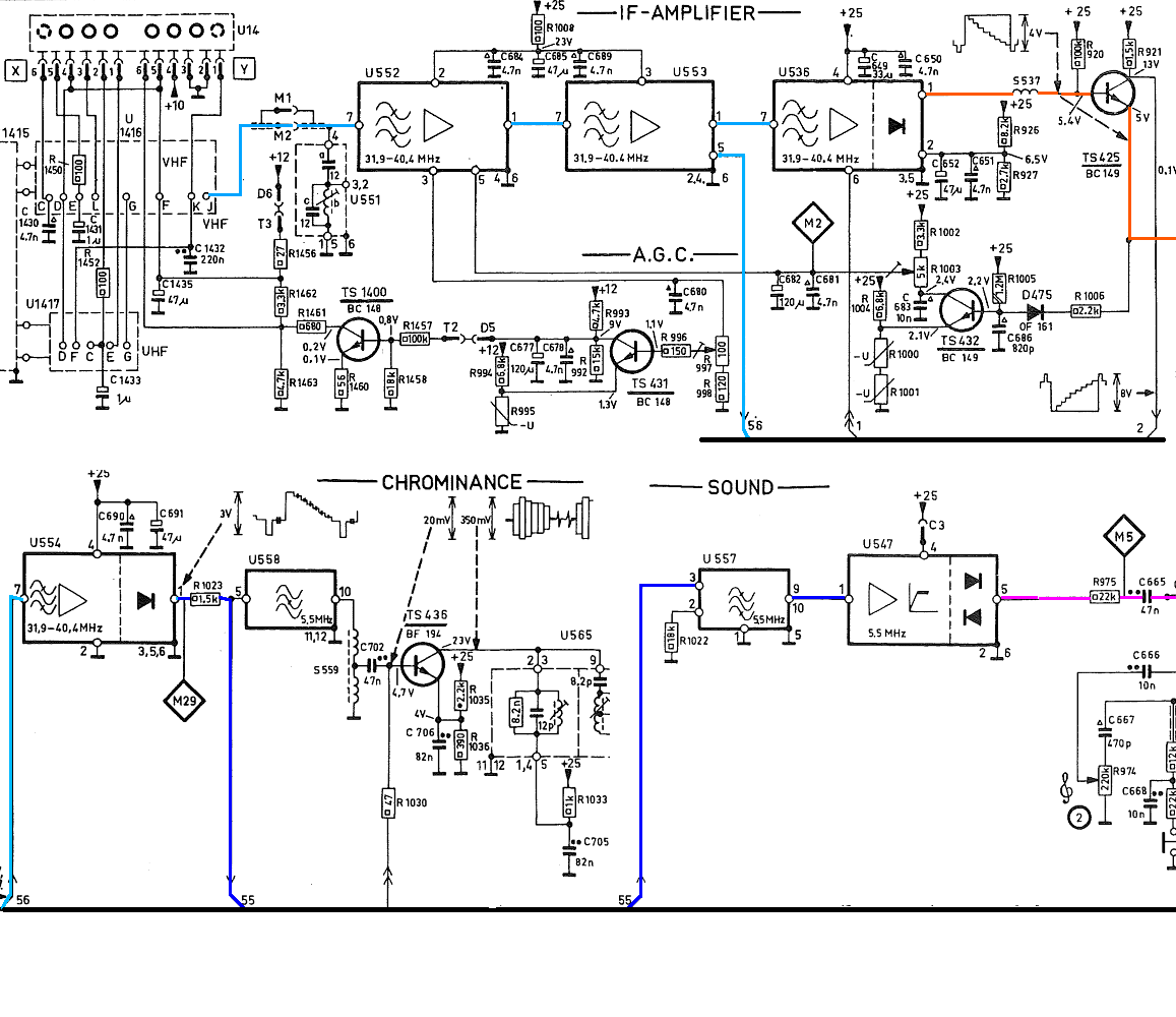
InterdraaggolfBij de video-detectie wordt het gemoduleerd videosignaal gedetecteerd in een baseband videosignaal (baseband = ongemoduleerd), maar er ontstaan ook mengprodukten door de niet-lineaire werking van de detectiediode. Een van die mengprodukten is het audiosignaal dat FM gemoduleerd is (het interdraaggolfprincipe zou niet werken met een AM gemoduleerd audiosignaal). Dit mengprodukt kan direct afgetapt worden na de video detectie diode (video-detectie diode? videodetectie-diode? Aargh!) zoals in de principeschakeling hierboven, maar in de meeste gevallen wordt het signaal afgetapt na één of meerdere video versterkertrappen. Er zijn minstens twee afstemkringen en een FM discriminator nodig om de storingen te onderdrukken. Het grootste voordeel van de intercarrier is niet dat men één of twee transistoren kan besparen, maar het feit dat het geluid meer stabiel is. Het geluid wordt in feite gekoppeld aan het beeld: is er beeld, dan is er geluid. De bandbreedte die beschikbaar is voor audio is immers zeer beperkt en als de afstemming niet goed is, dan is er geen geluid meer (terwijl het beeld nog normaal is). De ontvanger kan zich ontregelen door de natuurlijke opwarming van de componenten en de AFC-regeling is niet in staat de nauwkeurige correctie uit te voeren. Bij het interdraaggolfprincipe zit het geluid als het ware in het beeld en de draaggolffrekwentie is altijd 5.5MHz, zelfs met een licht ontregelde ontvanger. Het systeem van de intercarrier heeft nochtans een nadeel: als er geen beeld is, dan is er ook geen geluid. Het videosignaal wordt AM gemoduleerd (negatiefgaande, dus wit: lage modulatie en zwart: sterke modulatie). Normaal is er een marge voorzien en verdwijnt de modulatie niet volledig, zelfs als er een volledig wit beeld uitgezonden wordt (dit was althans zo bij zwart-wit televisie). Maar ondertitels (vooral als ze geel gekleurd zijn) kunnen de modulatie praktisch volledig onderdrukken ten gevolge van de kleurhulpdraaggolf. Op dit ogenblik is er geen video draaggolf meer en hoort men een karakteristiek geluid op de rasterfrekwentie. Om dit probleem te vermijden zijn de zenders zodanig ingesteld dat de modulatieniveau niet onder de 10% kan zakken. Ook de ontvanger heeft een hulpschakeling om de zwakke videosignalen te detecteren: dat zijn de weerstand 27 in de eerste schakeling en weerstand 116 in de tweede schakeling. Deze weerstanden naar de positieve voeding zetten de diodes lichtjes in geleiding, waardoor de detectie van zeer zwakke videosignalen verbeterd wordt. Bij kleurtelevisies wordt de FM hulpdraaggolf niet afgetapt na de video-detectie (luminantie), maar samen met de chrominantie. De reden is dat de chrominantie (amplitude-gemoduleerd op op 4.43MHz) en de FM draaggolf (op 5.5MHz) anders storende mengprodukten zouden veroorzaken op 1.1MHz. Deze mengprodukten die midden in het videogebied zouden zeer storend zijn en kunnen niet onderdrukt worden. De luminantie wordt dus apart gedetecteerd (met een zuigfilter op 4.43MHz) en de FM hulpdraaggolf wordt samen met de chrominantie apart gedetecteerd. De storende mengprodukten worden hier eenvoudigweg weggefilterd. |
Publicités - Reklame







